GM Service Manual Online
For 1990-2009 cars only
Makes
🢒
Pontiac
🢒
1999
🢒
Grand Am
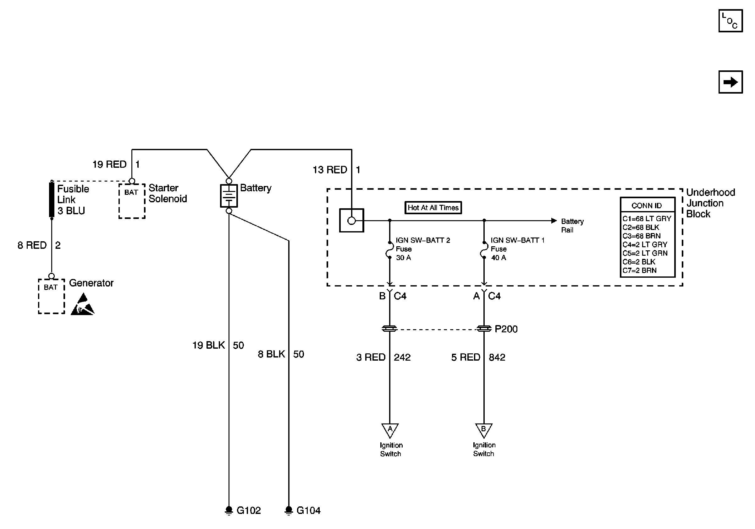
🢒 Cell 10: IGN SW - BATT 1 and IGN SW - BATT 2Fuses
Cell 10: IGN SW - BATT 1 and IGN SW - BATT 2Fuses
Cell 10: IGN SW -- BATT 1 and IGN SW -- BATT 2 Fuses
Power and Grounding Components
Cell 10: AIR BAG, TURN LPS, RDO ACC, WIPER, PCM ACC and IPC/BFC ACC FusEs
Handling ESD Sensitive Parts Notice
Cell 10: AIR BAG, TURN LPS, RDO ACC, WIPER, PCM ACC and IPC/BFC ACC FusEs
Cell 10: AIR BAG, TURN LPS, RDO ACC, WIPER, PCM ACC and IPC/BFC ACC FusEs