GM Service Manual Online
For 1990-2009 cars only
Makes
🢒
Pontiac
🢒
1999
🢒
Grand Am
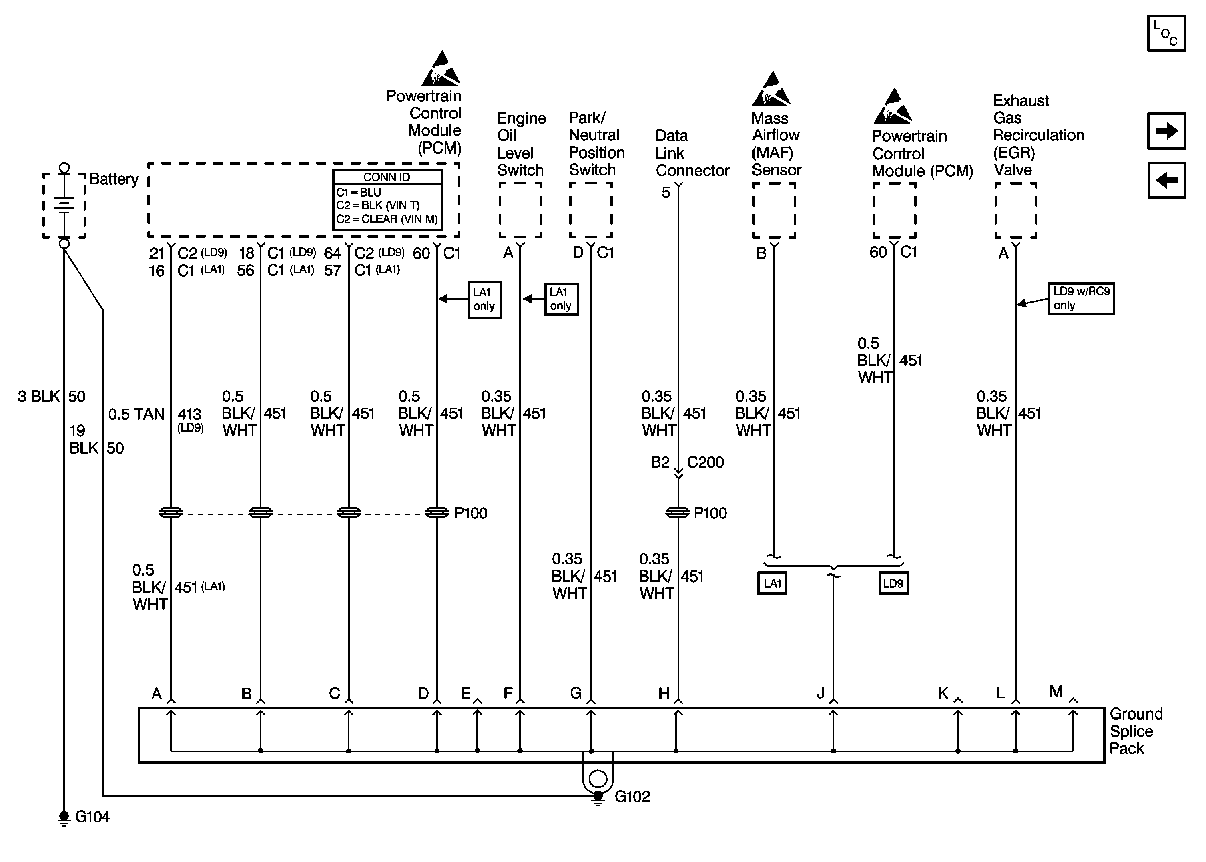
🢒 Cell 14: G102 and G104
Cell 14: G102 and G104
Cell 14: G102 and G104
Power and Grounding Components
Cell 14: G103 and G105
Cell 14: G103 and G105
OBD II Symbol Description Notice
Handling ESD Sensitive Parts Notice
Handling ESD Sensitive Parts Notice
Handling ESD Sensitive Parts Notice