GM Service Manual Online
For 1990-2009 cars only

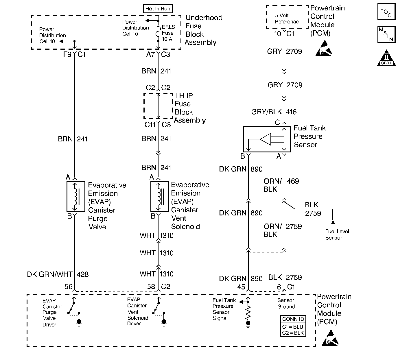
Object Number: 297537  Size: LF
Engine Controls Components
Cell 23: EVAP and EGR Controls
OBD II Symbol Description Notice
Powertrain Control Module Connector End Views With EGR
Handling ESD Sensitive Parts Notice
Handling ESD Sensitive Parts Notice

Circuit Description

The evaporative system includes the following components:

    • The fuel tank
    • The EVAP vent solenoid
    • The fuel tank pressure sensor
    • The fuel pipes and hoses
    • The fuel vapor lines
    • The fuel cap
    • The EVAP canister
    • The purge lines
    • The EVAP canister purge solenoid valve
    • The EVAP service port

The evaporative emission (EVAP) system is checked by applying vacuum to the EVAP system and by monitoring for a vacuum decay. The Powertrain Control Module (PCM) monitors the vacuum level through the fuel tank pressure sensor signal. At an appropriate time, the EVAP canister purge solenoid valve and the EVAP vent solenoid are turned ON, allowing the engine to draw a small vacuum on the entire evaporative emission system. Once the desired vacuum level has been achieved, the EVAP canister purge solenoid valve turns OFF, sealing the system. A small leak in the system will cause DTC P0442 to set.

Conditions for Running the DTC (With EGR)

    • DTCs P0106, P0107, P0108, P0112, P0113, P0117, P0118, P0121, P0122, P0123, P0125, P0131, P0132, P0133, P0134, P0452, P0453, P0502, P0503, P0601, P0602, P1133 and P1621 are not set.
    • The BARO is greater than 75 kPa.
    • The intake air temperature is between 5°C and 29°C (41°F and 84°F) at engine start up.
    • The engine coolant temperature is between 5°C and 29°C (41°F and 84°F) at engine start up.
    • The Intake Air Temperature is not more than 1°C (2°F) greater than the Engine Coolant Temperature at start up.
    • The Engine Coolant Temperature is not more than 7°C (12°F) greater than the Intake Air Temperature at start up.
    • The fuel tank level is between 26 percent and 74 percent.
    • The TP sensor is between 7 percent and 35 percent.
    • The EVAP solenoid is at 40 percent PWM.

Conditions for Running the DTC (without EGR)

    • DTCs P0105, P0107, P0108, P0112, P0113, P0117, P0118, P0122, P0123, P0125, P0131, P0132, P0133, P0134, P0452, P0453, P0502, P0503, P0601, P0602, P1621 and P1133 are not set.
    • The BARO is greater than 75 kPa.
    • The intake air temperature is between 5°C and 29°C (41°F and 84°F) at engine start up.
    • The engine coolant temperature is between 5°C and 29°C (41°F and 84°F) at engine start up.
    • The Intake Air Temperature is not more than 1°C (2°F) greater than the Engine Coolant Temperature at start up.
    • The Engine Coolant Temperature is not more than 7°C (12°F) greater than the Intake Air Temperature at start up.
    • The fuel tank level is between 26 percent and 74 percent.
    • The TP sensor is between 7 percent and 35 percent.
    • The EVAP solenoid is at 40 percent PWM.

Conditions for Setting the DTC

The EVAP system is unable to detect vacuum during the diagnostic test.

Action Taken When the DTC Sets

    • The Malfunction Indicator Lamp (MIL) will illuminate.
    • The PCM will record the operating conditions at the time that the diagnostic fails. The Freeze Frame and Failure Records buffers will store this information.
    • A history DTC stores.

Conditions for Clearing the MIL/DTC

    • The MIL will turn OFF after 3 consecutive ignition cycles in which the diagnostic runs a pass.
    • A history DTC will clear after 40 consecutive warm up cycles without a malfunction.
    • A scan tool can clear the DTCs.

Diagnostic Aids

Although this DTC is considered a type A diagnostic (refer to Serial Data Communications ), this DTC acts like a type B diagnostic under certain conditions. Whenever this diagnostic reports that the system has passed, or if the battery is disconnected, the diagnostic must fail twice before setting a DTC. The initial failure does not report to the diagnostic executive or display on a scan tool. A passing system always reports to the diagnostic executive immediately.

If a DTC P0460, P0461, P0462 or P0463 is set along with an EVAP System DTC, the EVAP DTC cannot be considered valid until you repair and clear DTC P0460, P0461, P0462 and P0463.

Check the following components for indicated conditions:

    • The fuel vapor and the EVAP purge line canister fittings for the following conditions:
       - Missing O-rings
       - Damaged O-rings
    • The EVAP canister for the following conditions:
       - Cracked
       - Punctured
    • The following items for damage:
       - EVAP purge line
       - EVAP vent hose
       - Fuel tank vapor line
       - Source vacuum line
    • A poor electrical connection at the PCM. Inspect the harness connectors for the following conditions:
       - Backed out terminals
       - Improper mating
       - Broken locks
       - Improperly formed connectors
       - Damaged terminals
       - A poor terminal to wire connection
    • A damaged wiring harness. Inspect the wiring harness to the following components for an intermittent open or short circuit:
       - EVAP vent solenoid
       - EVAP canister purge solenoid valve
       - Fuel tank pressure sensor
    • Refer to Evaporative Emission System Cleaning for further procedure.

Test Description

The number(s) below refer(s) to the step number(s) on the Diagnostic Table.

  1. The Powertrain OBD System Check prompts you to complete some of the basic checks and to store the freeze frame and failure records data on the scan tool if applicable. This creates an electronic copy of the data captured when the malfunction occurred. The scan tool stores this data for later reference.

  2. If a vent solenoid or an EVAP canister purge solenoid valve electrical malfunction is present, the purge system will not operate correctly. Repairing the electrical malfunction will very likely correct the condition that set DTC P0442.

  3. This step checks the fuel tank pressure sensor at the ambient pressure.

  4. This step verifies that the fuel tank pressure sensor accurately reacts to the EVAP system pressure changes.

  5. This step insures proper system integrity.

DTC P0442-Evaporative Emission (EVAP) Control System - Small Leak Detected

Step

Action

Value(s)

Yes

No

1

Did you perform the Powertrain On-Board Diagnostic (OBD) System Check?

--

Go to Step 2

Go to Powertrain On Board Diagnostic (OBD) System Check

2

  1. Turn ON the ignition switch leaving the engine OFF.
  2. Install a scan tool.

Is DTC P0452, P0453, P0460, P0461, P0462 or P0463 also set?

--

Go to Component DTC table

Go to Step 3

3

  1. Command the EVAP canister purge solenoid valve ON and OFF with the scan tool.
  2. Command the vent solenoid ON and OFF with the scan tool.

Does the purge valve and vent solenoid click ON and OFF?

--

Go to Step 4

Go to Powertrain Control Module Outputs Diagnosis

4

  1. Turn OFF the ignition switch.
  2. Disconnect the vapor line from the fuel tank at the EVAP canister.
  3. Turn ON the ignition switch leaving the engine OFF.
  4. Check the Fuel Tank Pressure sensor value with the scan tool.

Is the Fuel Tank Pressure at the specified value?

0 mmHg

(-2.4-2.4 mmHg)

(-1.28-1.28 in. H2O)

Go to Step 6

Go to Step 5

5

  1. Turn OFF the ignition switch.
  2. Check the EVAP vapor line from the fuel tank to the EVAP canister for the following conditions.
  3. • Pinched vapor line
    • Kinked vapor line
    • Plugged vapor line
  4. Repair the condition as necessary.

Was a repair necessary?

--

Go to Step 14

Go to DTC P0452 Fuel Tank Pressure Sensor Circuit Low Voltage

or

DTC P0453 Fuel Tank Pressure Sensor Circuit High Voltage

6

Important: : Before continuing with this diagnosis, zero the EVAP Pressure and Vacuum gauges on the J 41413 EVAP pressure/purge Diagnostic Station. Then, read the temperature variation instructions (refer to the tool operating instructions).

  1. Reconnect all the EVAP hardware that was previously disconnected.
  2. Connect the J 41413 EVAP pressure/purge Diagnostic Station to the EVAP service port.
  3. Command the EVAP vent solenoid ON (closed) with the scan tool.
  4. Important: Do not exceed the pressure given in the first specified value.

  5. Pressurize the EVAP system to the first specified value using the J 41413 EVAP pressure/purge Diagnostic Station (monitor the pressure by using the gauge on the station with the switch in the HOLD position).
  6. Observe the Fuel Tank Pressure on the scan tool.

Is the Fuel Tank Pressure at the second specified value?

12 mmHg

(6.42 in. H2O)

12 mmHg

(-7.2-16.8 mmHg)

(3.85-8.99 in. H2O)

Go to Step 7

Go to DTC P0452 Fuel Tank Pressure Sensor Circuit Low Voltage

or

DTC P0453 Fuel Tank Pressure Sensor Circuit High Voltage

7

Important: Review the temperature variation instructions included with the J 41413 EVAP pressure/purge Diagnostic Station before performing this step.

  1. Command the EVAP vent solenoid ON (closed) with the scan tool.
  2. Important: Do not exceed the pressure given in the first specified value.

  3. Pressurize the EVAP system to the first specified value by using the J 41413 EVAP pressure/purge Diagnostic Station (monitor the pressure by using the gauge on the station).
  4. Switch the rotary switch on the station to HOLD and observe the EVAP pressure gauge.

Does the pressure decrease to less than the second specified value within 2 minutes?

3.74 kPa

(15 in. H2O)

2.49 kPa

(10 in. H2O)

Go to Step 9

Go to Step 8

8

Important: Review the temperature variation instructions included with the J 41413 EVAP pressure/purge Diagnostic Station before performing this step.

  1. Turn OFF the ignition switch.
  2. Install the J 41415-40 Fuel Tank Cap Adapter.
  3. Connect the J 41413 EVAP pressure purge Diagnostic Station to the Fuel Tank Cap Adapter
  4. Turn ON the ignition switch leaving the engine OFF.
  5. Command ON the scan tools EVAP SYSTEM SEAL function to seal the EVAP system.
  6. Important: Do not exceed the pressure given in the first specified value.

  7. Pressurize the EVAP system to the first specified value by using the J 41413 EVAP pressure/purge Diagnostic Station (monitor the pressure by using the gauge on the station).

Does the pressure decrease to less than the second specified value within 2 minutes?

3.74 kPa

(15 in. H2O)

2.49 kPa

(10 in. H2O)

Go to Step 12

Go to Diagnostic Aids

9

  1. Disconnect the following lines from the EVAP canister.
  2. • EVAP purge line
    • Fuel tank vapor line
  3. Block the fuel tank vapor line fitting on the canister.
  4. Connect a hand vacuum pump to the EVAP purge line fitting on the canister.
  5. Ensure that the EVAP vent solenoid is still commanded ON (closed).
  6. Attempt to apply vacuum to the canister.

Can the specified vacuum be maintained?

16.95 kPa

(5 in. Hg)

Go to Step 12

Go to Step 10

10

  1. Turn OFF the ignition switch.
  2. Visually/physically check for the following conditions:
  3. • Disconnected vent hose
    • Damaged vent hose
    • A damaged EVAP canister
  4. If a problem is present, repair the problem as necessary.

Was a repair necessary?

--

Go to Step 13

Go to Step 11

11

    Notice: The EVAP canister may have released carbon particles which caused this part to fail and may cause damage to other components. Check the EVAP canister for loose carbon before returning the vehicle to service.

  1. Replace the EVAP vent solenoid. Refer to the EVAP Vent Valve Replacement .
  2. If carbon particles are found in the component refer to the Evaporative Emission System Cleaning .

Is the action complete?

--

Go to Step 13

--

12

  1. Turn OFF the ignition switch.
  2. Visually/physically check for the following conditions:
  3. • A malfunctioning fuel cap
    • Incorrect fuel cap
    • A leaking fuel tank filler neck
    • A leaking fuel tank vapor line
    • A damaged EVAP purge line
  4. If a problem is present, repair the problem as necessary.
  5. Reconnect all the EVAP hardware that was previously disconnected.
  6. Turn ON the ignition switch leaving the engine OFF.
  7. Command the EVAP vent solenoid ON (closed) with the scan tool.
  8. With the J 41413 EVAP pressure/purge Diagnostic Station connected to the EVAP system, leave the station control knob in the pressurized position.
  9. Use the J 41416 ultrasonic leak detector to locate and repair the leak in the EVAP system (it may be necessary to partially lower the fuel tank in order to examine the top tank connections).

Is the action complete?

--

Go to Step 13

--

13

Important: Review the temperature variation instructions included with the J 41413 EVAP pressure/purge Diagnostic Station before performing this step.

  1. Reconnect all the EVAP hardware that was previously disconnected.
  2. Turn ON the ignition switch leaving the engine OFF.
  3. Command the EVAP vent solenoid ON (closed) with the scan tool.
  4. Important: Do not exceed the pressure in the first specified value.

  5. Pressurize the EVAP system to the first specified value by using the J 41413 EVAP pressure/purge Diagnostic Station (monitor the pressure by using the gauge on the station).
  6. Switch the rotary switch on the station to HOLD and observe the EVAP pressure gauge.

Does the pressure decrease to less than the second specified value within 2 minutes?

3.74 kPa

(15 in. H2O)

2.49 kPa

(10 in. H2O)

Go to Step 3

Go to Step 14

14

  1. Clear the DTCs with the scan tool.
  2. Start the engine.
  3. Operate the vehicle within the conditions for running this DTC as specified in the supporting text.

Does the scan tool indicate that the diagnostic ran and passed?

--

Go to Step 15

Go to Step 3

15

Check to see if any additional DTC are set.

Does the scan tool display any DTCs that you have not diagnosed?

--

Go to applicable DTC table

System OK