GM Service Manual Online
For 1990-2009 cars only

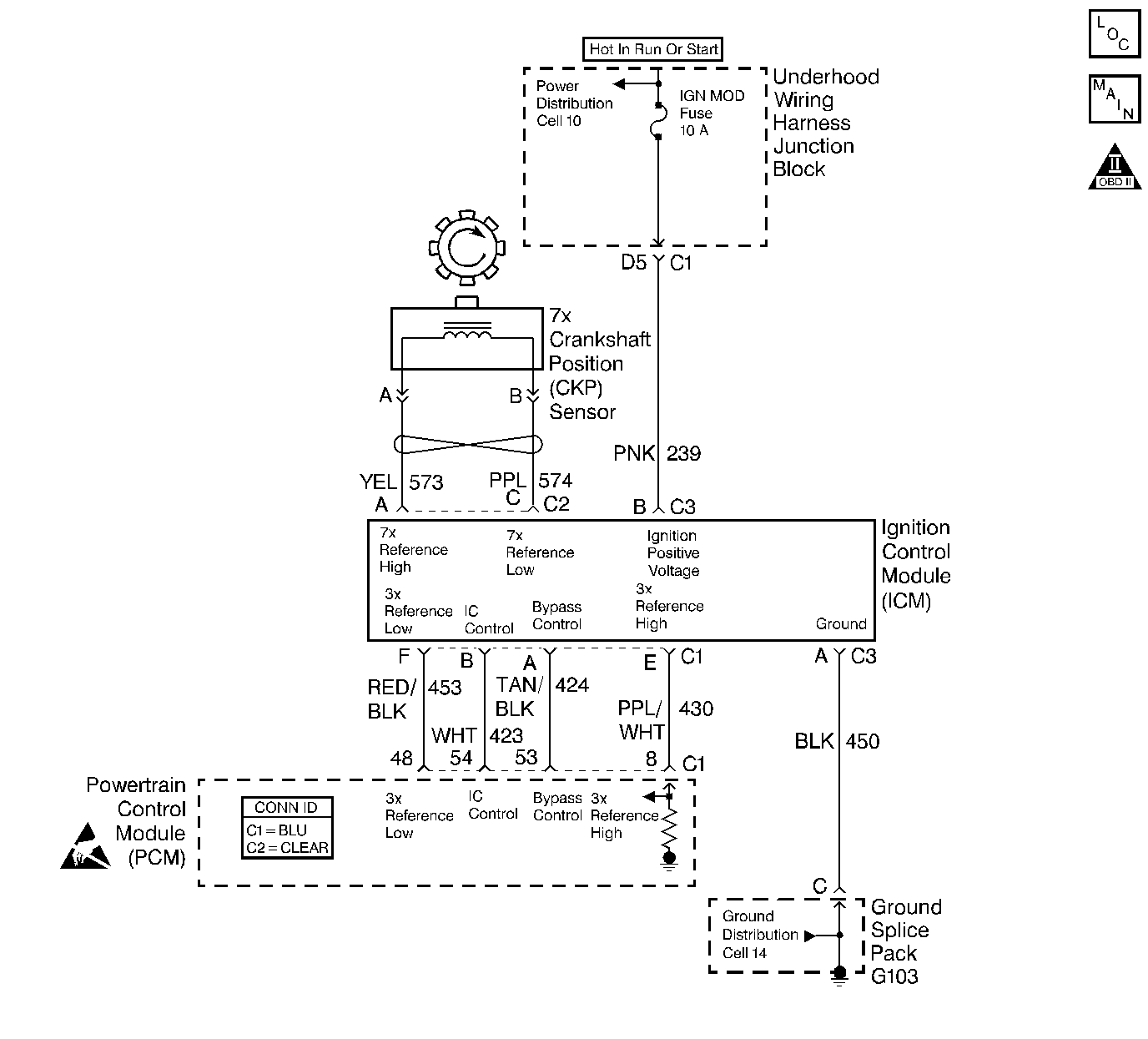
Object Number: 328611  Size: LF
Engine Controls Components
Engine Controls Schematics
OBD II Symbol Description Notice
Handling ESD Sensitive Parts Notice

Circuit Description

The Ignition Control (IC) Module sends signals that the PCM requires for fuel control and spark advance calculations. At the start of engine crank, the IC Module controls spark advance (Bypass mode.) When the second 3X reference pulse is recognized by the PCM, the PCM applies 5 volts to the Bypass circuit, commanding the ICM to switch spark advance to PCM control (IC mode). If the PCM detects an open in the IC circuit, DTC P1351 will set. The engine will start and may run in Bypass mode timing.

Conditions for Running the DTC

The engine is running.

Conditions for Setting the DTC

The PCM detects an open in the IC circuit.

Action Taken When the DTC Sets

    • The PCM will illuminate the malfunction indicator lamp (MIL) during the second consecutive trip in which the diagnostic test has been run and failed.
    • The PCM will store conditions which were present when the DTC set as Freeze Frame/Failure Records data.

Conditions for Clearing the MIL/DTC

    • The PCM will turn OFF the malfunction indicator lamp (MIL) during the third consecutive trip in which the diagnostic has run and passed.
    • The history DTC will clear after 40 consecutive warm-up cycles have occurred without a malfunction.
    • The DTC can be cleared by using a scan tool.

Diagnostic Aids

Check for the following conditions:

    • Poor connection at the PCM or IC Module.
    • Inspect harness connectors for backed out terminals, improper mating, broken locks, improperly formed or damaged terminals, and poor terminal to wire connection.
    • Damaged harness.
    • Inspect the wiring harness for damage. If the harness appears to be OK, disconnect the IC Module, turn the ignition ON and observe a digital multimeter connected between the IC circuit and battery positive voltage while moving connectors and wiring harnesses related to the IC Module. A change in voltage will indicate the location of the malfunction.

Reviewing the Fail Records vehicle mileage since the diagnostic test last failed may help determine how often the condition that caused the DTC to be set occurs. This may assist in diagnosing the condition.

DTC P1351 - IC Circuit Open

Step

Action

Value(s)

Yes

No

1

Was the Powertrain On-Board Diagnostic (OBD) System Check performed?

--

Go to Step 2

Go to the Powertrain On Board Diagnostic (OBD) System Check

2

  1. Turn OFF the ignition switch.
  2. Disconnect the PCM.
  3. Connect J 39200 DMM between the IC and Reference Low Circuits.
  4. Turn ON the ignition switch.
  5. Observe the resistance value on the DMM.

Does the DMM display a resistance below the specified value?

500 ohms

Go to Step 4

Go to Step 3

3

  1. Turn OFF the ignition switch.
  2. Leave the PCM disconnected.
  3. Disconnect the Ignition Control Module connector.
  4. Check for an open in the IC circuit.
  5. If a problem is found, repair as necessary. Refer to Wiring Repairs .

Was a problem found?

--

Go to Step 8

Go to Step 5

4

  1. Check for poor terminal connections at the PCM.
  2. If a problem is found, repair as necessary. Refer to Wiring Repairs .

Was a problem found?

--

Go to Step 8

Go to Step 7

5

  1. Check for poor terminal connections at the Ignition Control Module.
  2. If a problem is found, repair as necessary. Refer to Wiring Repairs .

Was a problem found?

--

Go to Step 8

Go to Step 6

6

Replace the Ignition Control Module. Refer to Ignition Control Module Replacement .

Is action complete?

--

Go to Step 8

--

7

Important:  Replacement PCM must be reprogrammed. Refer to Powertrain Control Module Replacement/Programming .

Replace the PCM.

Is action complete?

--

Go to Step 8

--

8

  1. Review and record scan tool Fail Records data.
  2. Clear DTCs.
  3. Operate the vehicle within Fail Records conditions.
  4. Using the scan tool, monitor Specific DTC Info for DTC P1351.

Does the scan tool indicate DTC 1351 failed this ignition?

--

Go to Step 2

System OK