GM Service Manual Online
For 1990-2009 cars only

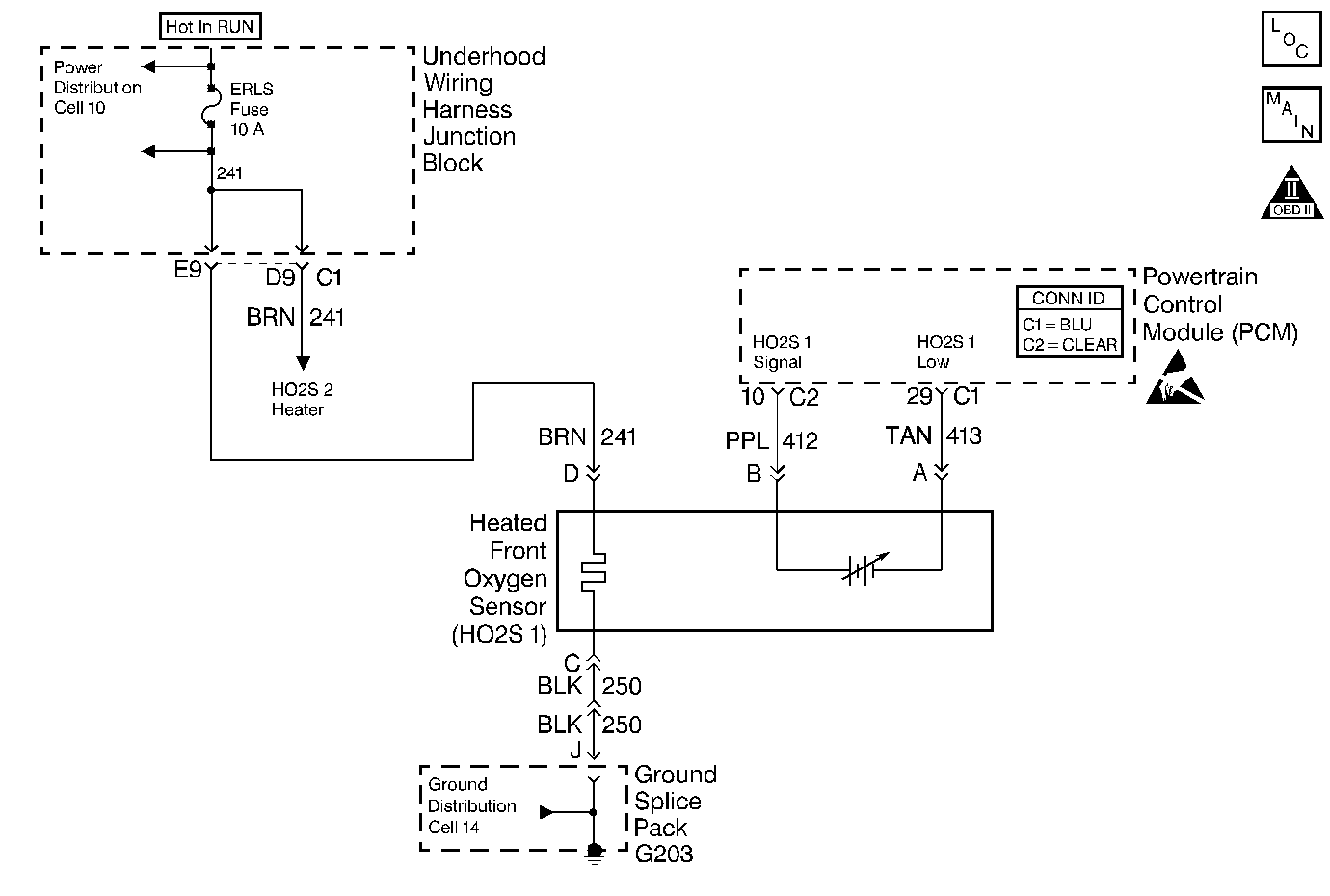
Object Number: 328603  Size: MF
Engine Controls Components
Engine Controls Schematics
OBD II Symbol Description Notice
Handling ESD Sensitive Parts Notice

Circuit Description

The PCM continuously monitors the Heated Oxygen Sensor (HO2S) activity for 100 seconds. During the monitor period the PCM counts the number of times that the HO2S responds from rich to lean and from lean to rich and adds the amount of time it took to complete all transitions. With this information, an average time for all transitions can be determined. The PCM then divides the rich to lean average by the lean to rich average to obtain a ratio. If the HO2S transition time ratio is not within range, DTC P1134 will be set, indicating that the oxygen sensor is not responding as expected to changes in exhaust oxygen content

Conditions for Setting the DTC

    •  No active injector circuit, MAF sensor, TP sensor, EVAP, IAT sensor, MAP sensor, fuel trim, EGR, ECT sensor or HO2S heater DTCs.
    •  Above conditions present for a 100 second monitoring period after closed loop.
    •  HO2S 1 transition time ratio is less than 0.69 or greater than 3.75.

Action Taken When the DTC Sets

    • The PCM will illuminate the malfunction indicator lamp (MIL) during the second consecutive trip in which the diagnostic test has been run and failed.
    • The PCM will store conditions which were present when the DTC set as Freeze Frame/Failure Records data.

Conditions for Clearing the MIL/DTC

    • The PCM will turn OFF the malfunction indicator lamp (MIL) during the third consecutive trip in which the diagnostic has run and passed.
    • The history DTC will clear after 40 consecutive warm-up cycles have occurred without a malfunction.
    • The DTC can be cleared by using a scan tool.

Diagnostic Aids

A malfunction in the HO2S heater ignition feed or ground circuit may cause a DTC P1134 to set. Check HO2S heater circuitry for intermittent faults or poor connections. If connections and wiring are OK and DTC P1134 continues to set, replace the HO2S 1. Refer to Heated Oxygen Sensor 1 Replacement .

Reviewing the Fail Records vehicle mileage since the diagnostic test last failed may help determine how often the condition that caused the DTC to be set occurs. This may assist in diagnosing the condition.

Test Description

The number below refers to the step number on the Diagnostic Table:

  1. This step checks for conditions which may cause the heated oxygen sensor to appear faulty. Correct any of the described conditions if present.

DTC P1134 - HO2S Transition Time Ratio Sensor 1

Step

Action

Value(s)

Yes

No

1

Was the Powertrain ON Board Diagnostic System Check performed?

--

Go to Step 2

Go to Powertrain On Board Diagnostic (OBD) System Check

2

Important: If any DTCs are set (except P0133), refer to those DTCs before proceeding with this diagnostic table.

  1. Select DTC info, Last Test Fail and note any other DTCs set.
  2. Engine idling at operating temperature.
  3. Operate vehicle within parameters specified under Conditions for Setting the DTC criteria included in Diagnostic Support.
  4. Using a scan tool, monitor Specific DTC info for DTC P1134 until the DTC P1134 test runs.

Note test result does scan tool indicate DTC failed this ignition?

--

Go to Step 3

Go to Diagnostic Aids

3

  1. Perform the Exhaust Leakage (Not OBD II). Refer to Exhaust Leakage - Not OBD II in Engine Exhaust. After Exhaust Leakage (Not OBD II) has been performed, return to this diagnostic.
  2. If an exhaust leak is found, repair as necessary.

Was an exhaust leak isolated?

--

Go to Step 11

Go to Step 4

4

Visually/physically inspect the following items:

    • Ensure that the HO2S 1 is securely installed.
    • Check for corrosion on terminals.
    • Check terminal tension at HO2S 1 and at the PCM.
    • Check for damaged wiring.

Was a problem found in any of the above areas?

--

Go to Step 7

Go to Step 5

5

  1. Disconnect HO2S 1 and jumper HO2S low (PCM side) signal circuit to ground.
  2. Using a scan tool, monitor HO2S 1 voltage.

Does the scan tool indicate voltage near the specified value?

450 mV

Go to Step 6

Go to Step 8

6

  1. Jumper HO2S 1 high and low (PCM side) signal circuits to ground.
  2. Using a scan tool, monitor HO2S 1 voltage.

Does scan tool indicate voltage below specified value?

300 mV

Go to Step 10

Go to Step 9

7

Repair condition as necessary. Refer to Wiring Repairs .

Is the action complete?

--

Go to Step 11

--

8

Repair open HO2S 1 low signal circuit or grounded HO2S 1 high signal circuit. Refer to Wiring Repairs .

Is the action complete?

--

Go to Step 11

--

9

Repair open HO2S 1 high signal circuit or faulty PCM connections. Refer to Wiring Repairs .

Is the action complete?

--

Go to Step 11

--

10

Replace HO2S 1. Refer to Heated Oxygen Sensor 1 Replacement .

Is the action complete?

--

Go to Step 11

--

11

  1. Clear DTCs.
  2. Engine idling at operating temperature.
  3. Operate vehicle within parameters specified under Conditions for Setting the DTC criteria included in Diagnostic Support.
  4. Using a scan tool, monitor Specific DTC info for DTC P1134 until the DTC P1134 test runs.

Note test result does scan tool indicate DTC failed this ignition?

--

Go to Step 2

System OK