GM Service Manual Online
For 1990-2009 cars only

DTC P0742 TCC System Stuck On 2.4L


Object Number: 316064  Size: MF
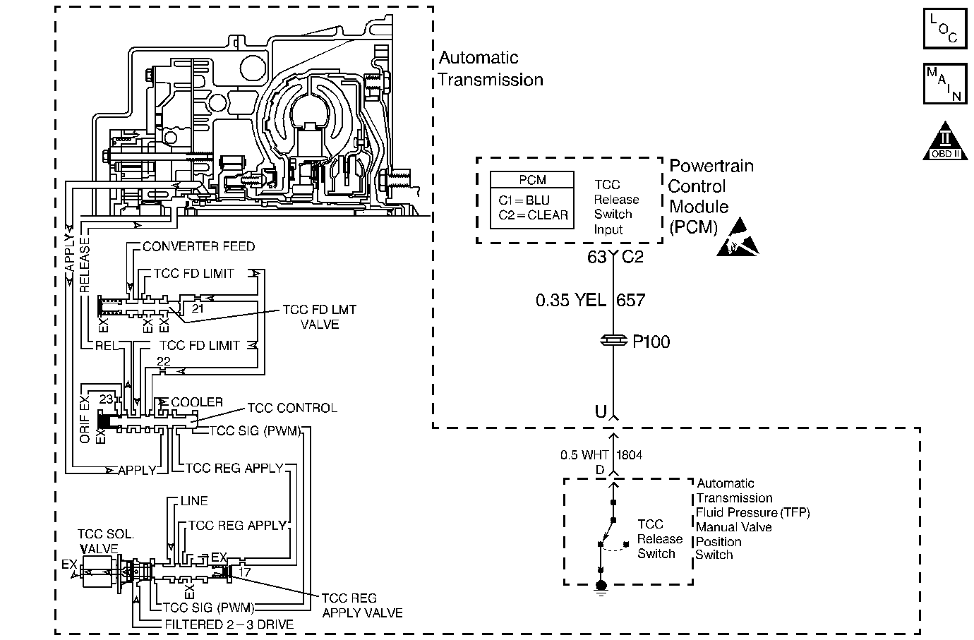
Automatic Transmission Components
Automatic Transmission Controls Schematics
OBD II Symbol Description Notice
Handling ESD Sensitive Parts Notice

Circuit Description

The torque converter clutch (TCC) solenoid valve is a pulse width modulation (PWM) solenoid. When vehicle operating conditions are appropriate for TCC application, the PCM begins the TCC duty cycle at approximately 42%. The PCM then increases the duty cycle up to 90%, in order to achieve full TCC apply pressure.

When the TCC PWM solenoid valve is de-energized, the solenoid blocks filtered 2-3 drive fluid, and allows TCC signal fluid to exhaust. When energized, the solenoid modulates fluid into the TCC signal fluid circuit. When fully energized, modulation stops, and the solenoid blocks both 2-3 drive fluid and TCC signal fluid exhaust.

The TCC release switch is part of the automatic transmission fluid pressure (TFP) manual valve position switch. The TFP manual valve position switch is mounted to the transmission valve body.

The TCC release switch is a normally-closed switch. The switch signals the PCM that the TCC is released. Torque converter release fluid pressure acts on the switch contact, opening circuit 657/1804. When the voltage on the circuit is high, the PCM recognizes that the TCC is no longer engaged.

When the PCM detects that the TCC release switch is closed when the TCC is commanded OFF, then DTC P0742 sets. DTC P0742 is a type A DTC.

Conditions for Running the DTC

    • No TP DTCs P0121, P0122 or P0123.
    • No TCC release DTC P1887.
    • The engine is running.
    • The time since the gear select lever change is greater than 6 seconds.
    • The TP is 12-75%.
    • The TCC is commanded OFF.

Conditions for Setting the DTC

The TCC release switch is closed (release fluid not present) for 8 seconds, two times during the same ignition cycle.

Action Taken When the DTC Sets

    • The PCM illuminates the malfunction indicator lamp (MIL).
    • The PCM freezes shift adapts from being updated.
    • The PCM commands the TCC ON.
    • The PCM stores DTC P0742 in PCM history.

Conditions for Clearing the MIL/DTC

    • The PCM turns OFF the MIL during the third consecutive trip in which the diagnostic test runs and passes.
    • A scan tool clears the DTC from PCM history.
    • The PCM clears the DTC from PCM history if the vehicle completes 40 warm-up cycles without an emission-related diagnostic fault occurring.
    • The PCM cancels the DTC default actions when the fault no longer exists and the ignition switch is OFF long enough in order to power down the PCM.

Diagnostic Aids

    • Rapid fluctuation in line pressure could set DTC P0742.
    • Inspect for a pressure regulator problem.
    • Inspect for abnormal high or low line pressure.
    • Inspect the wiring at the PCM, the transmission 20-way connector and the TFP manual valve position switch 6-way connector for the following conditions:
       - A backed out terminal
       - A damaged terminal
       - Reduced terminal tension
       - A chafed wire
       - A broken wire inside the insulation
       - Moisture intrusion
       - Corrosion
    • When diagnosing for an intermittent short or open condition, massage the wiring harness while watching the test equipment for a change.
    • The customer may notice an engine stalling condition.

Test Description

The numbers below refer to the step numbers on the diagnostic table.

  1. This step tests for a TCC release switch status change when the engine is running. If TCC release oil is present, the switch should be open.

  2. If you disconnect the transmission connector, the PCM should recognize an open TCC release switch. This indicates the wiring from the transmission connector to the PCM is OK.

  3. This step ensures that the TCC release switch is in good working condition.

  4. This step tests the TCC circuit for a mechanical or hydraulic condition.

DTC P0742 TCC System -- Stuck On (2.4L)

Step

Action

Value(s)

Yes

No

1

Was the Powertrain On-Board Diagnostic (OBD) System Check performed?

--

Go to Step 2

Go to Powertrain On Board Diagnostic (OBD) System Check

2

  1. Install the Scan Tool .
  2. Turn the ignition switch to the RUN position.
  3. Important: Before clearing the DTCs, use the scan tool in order to record the Freeze Frame and Failure Records. Using the Clear Info function erases the Freeze Frame and Failure Records from the PCM.

  4. Record the Freeze Frame and Failure Records.
  5. Clear the DTCs.
  6. Select TCC Release Pressure on the scan tool.

Does the scan tool indicate TCC release pressure is present?

--

Go to Diagnostic Aids

Go to Step 3

3

Start the engine.

Does the scan tool indicate TCC release pressure is present?

--

Go to Step 9

Go to Step 4

4

  1. Turn the ignition switch OFF.
  2. Disconnect the transmission 20-way connector (additional DTCs will set).
  3. Turn the ignition switch to the RUN position.

Does the scan tool indicate TCC release pressure is present?

--

Go to Step 6

Go to Step 5

5

Inspect circuit 657 from the engine 20-way connector to the PCM connector for a short to ground.

Refer to General Electrical Diagnosis in Wiring Systems.

Was the condition found?

--

Go to Step 10

Go to Step 12

6

Inspect circuit 1804 from the transmission 20-way connector to the TFP manual valve position switch for a short to ground.

Refer to General Electrical Diagnosis in Wiring Systems.

Was the condition found?

--

Go to Step 11

Go to Step 7

7

  1. Remove the TFP manual valve position switch.
  2. Inspect the TCC release switch for the following conditions:
  3. • A damaged or leaking seal
    • Sediment or debris in the switch
    • Damaged switch contacts
    • Stuck switch contacts

Was a condition found?

--

Go to Step 8

Go to Step 9

8

Replace the TFP manual valve position switch.

Refer to Pressure Switch Assembly Replacement.

Is the replacement complete?

--

Go to Step 13

--

9

  1. Inspect for the following conditions:
  2. • The TCC PWM solenoid valve for the fluid exhaust being restricted.
    • The TCC regulated apply valve for being stuck in the TCC apply position.
    • The TCC control valve for being stuck in the TCC apply position.
    • The TCC feed limit valve for being stuck (this causes the TCC feed limit pressure, and the TCC release pressure to be low or nonexistent).
    • The pressure regulator valve for being stuck.
    • The TCC fluid circuits for leaks.
  3. Repair any of the above items as necessary.

Refer to Unit Repair.

Is the repair complete?

--

Go to Step 13

--

10

Repair the wiring as necessary.

Refer to Wiring Repairs in Wiring Systems.

Is the repair complete?

--

Go to Step 13

--

11

Replace the automatic transmission wiring harness.

Refer to Unit Repair.

Is the replacement complete?

--

Go to Step 13

--

12

Replace the PCM.

Refer to Powertrain Control Module Replacement/Programming in Engine Controls.

Is the replacement complete?

--

Go to Step 13

--

13

Perform the following procedure in order to verify the repair:

  1. Select DTC.
  2. Select Clear Info.
  3. Operate the vehicle under the following conditions:
  4. • Start the engine.
    • TCC release pressure must be present for 3 seconds.
  5. Select Specific DTC.
  6. Enter DTC P0742.

Has the test run and passed?

--

System OK

Go to Step 1

DTC P0742 TCC System Stuck On 3.4L


Object Number: 316125  Size: MF
Automatic Transmission Components
Automatic Transmission Controls Schematics
OBD II Symbol Description Notice
Handling ESD Sensitive Parts Notice

Circuit Description

The torque converter clutch (TCC) solenoid valve is a pulse width modulation (PWM) solenoid. When vehicle operating conditions are appropriate for TCC application, the PCM begins the TCC duty cycle at approximately 42%. The PCM then increases the duty cycle up to 90%, in order to achieve full TCC apply pressure.

When the TCC PWM solenoid valve is de-energized, the solenoid blocks filtered 2-3 drive fluid, and allows TCC signal fluid to exhaust. When energized, the solenoid modulates fluid into the TCC signal fluid circuit. When fully energized, modulation stops, and the solenoid blocks both 2-3 drive fluid and TCC signal fluid exhaust.

The TCC release switch is part of the automatic transmission fluid pressure (TFP) manual valve position switch. The TFP manual valve position switch is mounted to the transmission valve body.

The TCC release switch is a normally-closed switch. The switch signals the PCM that the TCC is released. Torque converter release fluid pressure acts on the switch contact, opening circuit 657/1804. When the voltage on the circuit is high, the PCM recognizes that the TCC is no longer engaged.

When the PCM detects that the TCC release switch is closed when the TCC is commanded OFF, then DTC P0742 sets. DTC P0742 is a type A DTC.

Conditions for Running the DTC

    • No TP DTCs P0121, P0122 or P0123.
    • No TCC release DTC P1887.
    • The engine is running.
    • The time since the gear select lever change is greater than 6 seconds.
    • The TP is 12-75%.
    • The TCC is commanded OFF.

Conditions for Setting the DTC

The TCC release switch is closed (release fluid not present) for 8 seconds, two times during the same ignition cycle.

Action Taken When the DTC Sets

    • The PCM illuminates the malfunction indicator lamp (MIL).
    • The PCM freezes shift adapts from being updated.
    • The PCM commands the TCC ON.
    • The PCM stores DTC P0742 in PCM history.

Conditions for Clearing the MIL/DTC

    • The PCM turns OFF the MIL during the third consecutive trip in which the diagnostic test runs and passes.
    • A scan tool clears the DTC from PCM history.
    • The PCM clears the DTC from PCM history if the vehicle completes 40 warm-up cycles without an emission-related diagnostic fault occurring.
    • The PCM cancels the DTC default actions when the fault no longer exists and the ignition switch is OFF long enough in order to power down the PCM.

Diagnostic Aids

    • Rapid fluctuation in line pressure could set DTC P0742.
    • Inspect for a pressure regulator problem.
    • Inspect for abnormal high or low line pressure.
    • Inspect the wiring at the PCM, the transmission 20-way connector and the TFP manual valve position switch 6-way connector for the following conditions:
       - A backed out terminal
       - A damaged terminal
       - Reduced terminal tension
       - A chafed wire
       - A broken wire inside the insulation
       - Moisture intrusion
       - Corrosion
    • When diagnosing for an intermittent short or open condition, massage the wiring harness while watching the test equipment for a change.
    • The customer may notice an engine stalling condition.

Test Description

The numbers below refer to the step numbers on the diagnostic table.

  1. This step tests for a TCC release switch status change when the engine is running. If TCC release oil is present, the switch should be open.

  2. If you disconnect the transmission connector, the PCM should recognize an open TCC release switch. This indicates the wiring from the transmission connector to the PCM is OK.

  3. This step ensures that the TCC release switch is in good working condition.

  4. This step tests the TCC circuit for a mechanical or hydraulic condition.

DTC P0742 TCC System -- Stuck On (3.4L)

Step

Action

Value(s)

Yes

No

1

Was the Powertrain On-Board Diagnostic (OBD) System Check performed?

--

Go to Step 2

Go to Powertrain On Board Diagnostic (OBD) System Check

2

  1. Install the Scan Tool .
  2. Turn the ignition switch to the RUN position.
  3. Important: Before clearing the DTCs, use the scan tool in order to record the Freeze Frame and Failure Records. Using the Clear Info function erases the Freeze Frame and Failure Records from the PCM.

  4. Record the Freeze Frame and Failure Records.
  5. Clear the DTCs.
  6. Select TCC Release Pressure on the scan tool.

Does the scan tool indicate TCC release pressure is present?

--

Go to Diagnostic Aids

Go to Step 3

3

Start the engine.

Does the scan tool indicate TCC release pressure is present?

--

Go to Step 9

Go to Step 4

4

  1. Turn the ignition switch OFF.
  2. Disconnect the transmission 20-way connector (additional DTCs will set).
  3. Turn the ignition switch to the RUN position.

Does the scan tool indicate TCC release pressure is present?

--

Go to Step 6

Go to Step 5

5

Inspect circuit 657 from the engine 20-way connector to the PCM connector for a short to ground.

Refer to General Electrical Diagnosis in Wiring Systems.

Was the condition found?

--

Go to Step 10

Go to Step 12

6

Inspect circuit 1804 from the transmission 20-way connector to the TFP manual valve position switch for a short to ground.

Refer to General Electrical Diagnosis in Wiring Systems.

Was the condition found?

--

Go to Step 11

Go to Step 7

7

  1. Remove the TFP manual valve position switch.
  2. Inspect the TCC release switch for the following conditions:
  3. • A damaged or leaking seal
    • Sediment or debris in the switch
    • Damaged switch contacts
    • Stuck switch contacts

Was a condition found?

--

Go to Step 8

Go to Step 9

8

Replace the TFP manual valve position switch.

Refer to Pressure Switch Assembly Replacement.

Is the replacement complete?

--

Go to Step 13

--

9

  1. Inspect for the following conditions:
  2. • The TCC PWM solenoid valve for the fluid exhaust being restricted.
    • The TCC regulated apply valve for being stuck in the TCC apply position.
    • The TCC control valve for being stuck in the TCC apply position.
    • The TCC feed limit valve for being stuck (this causes the TCC feed limit pressure, and the TCC release pressure to be low or nonexistent).
    • The pressure regulator valve for being stuck.
    • The TCC fluid circuits for leaks.
  3. Repair any of the above items as necessary.

Refer to Unit Repair.

Is the repair complete?

--

Go to Step 13

--

10

Repair the wiring as necessary.

Refer to Wiring Repairs in Wiring Systems.

Is the repair complete?

--

Go to Step 13

--

11

Replace the automatic transmission wiring harness.

Refer to Unit Repair.

Is replacement complete?

--

Go to Step 13

--

12

Replace the PCM.

Refer to Powertrain Control Module Replacement/Programming in Engine Controls.

Is the replacement complete?

--

Go to Step 13

--

13

Perform the following procedure in order to verify the repair:

  1. Select DTC.
  2. Select Clear Info.
  3. Operate the vehicle under the following conditions:
  4. • Start the engine.
    • TCC release pressure must be present for 3 seconds.
  5. Select Specific DTC.
  6. Enter DTC P0742.

Has the test run and passed?

--

System OK

Go to Step 1