GM Service Manual Online
For 1990-2009 cars only

Removal Procedure


    Object Number: 740349  Size: SH
  1. For the Oldsmobile, remove the screws from under the instrument panel (I/P) compartment door.

  2. Object Number: 740342  Size: SH
  3. Open the I/P compartment door.
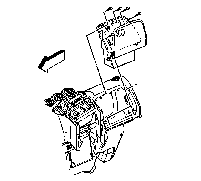
  4. Remove the I/P compartment screws.

  5. Object Number: 778684  Size: SH
  6. Pull the I/P compartment rearward.
  7. Disconnect the I/P compartment lamp from the compartment. Feed the lamp through the opening.

  8. Object Number: 778671  Size: SH
  9. Remove the I/P compartment. Pontiac shown, Oldsmobile similar.

Installation Procedure


    Object Number: 778671  Size: SH
  1. Position the I/P compartment to the I/P. Pontiac shown, Oldsmobile similar.

  2. Object Number: 778684  Size: SH
  3. Route the I/P compartment lamp through the opening in the I/P compartment. Push the lamp into place until fully seated.
  4. Notice: Refer to Fastener Notice in the Preface section.


    Object Number: 740342  Size: SH
  5. Install the I/P compartment screws.
  6. Tighten
    Tighten the screws to 2 N·m (18 lb in).


    Object Number: 740349  Size: SH
  7. Close the I/P compartment door.
  8. For the Oldsmobile only, install the screws under the I/P compartment door.
  9. Tighten
    Tighten the screws to 2 N·m (18 lb in).