GM Service Manual Online
For 1990-2009 cars only
Makes
🢒
Pontiac
🢒
2000
🢒
Grand Am
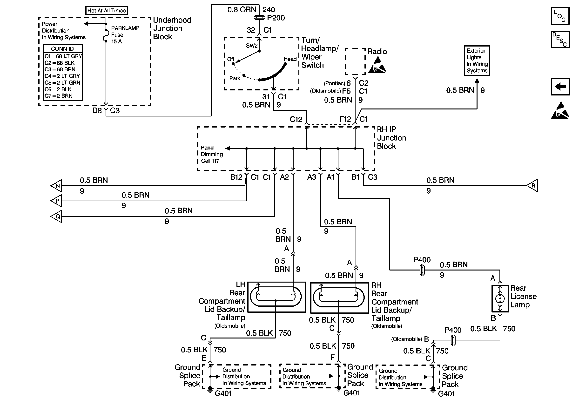
🢒 Rear Compartment Lid Lamp and License Lamp
Rear Compartment Lid Lamp and License Lamp
Rear Compartment Lid Lamp and License Lamp
Lighting Systems Components
Exterior Lights Circuit Description
Tail/Stop Lamps
Handling ESD Sensitive Parts Notice
Handling ESD Sensitive Parts Notice
Ground Distribution Schematics
Ground Distribution Schematics
Ground Distribution Schematics
Front Park/Turnlamps and High Mounted Stop Lamp