GM Service Manual Online
For 1990-2009 cars only
Makes
🢒
Pontiac
🢒
2000
🢒
Grand Am
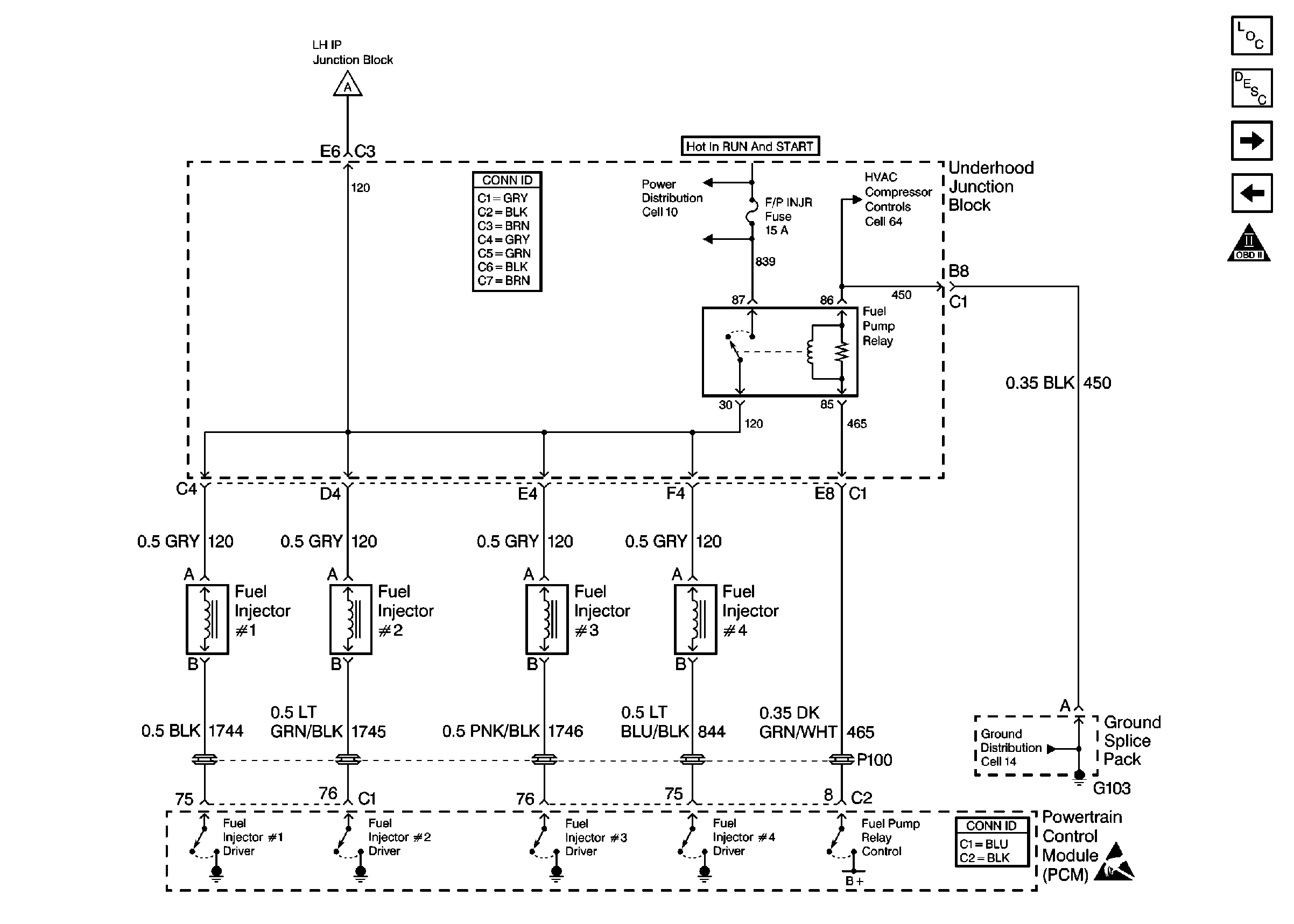
🢒 Power, Ground, and Injectors
Power, Ground, and Injectors
Power, Ground, and Injectors
Engine Controls Components
Powertrain Control Module Description
Engine Data Sensors
Power, Ground, KS, CMP, CKP, Coils, and ICM
OBD II Symbol Description Notice
Handling ESD Sensitive Parts Notice
Power Distribution Schematics
Fuel Tank Module
Ground Distribution Schematics
HVAC Compressor Control Schematics