GM Service Manual Online
For 1990-2009 cars only
Makes
🢒
Pontiac
🢒
2000
🢒
Grand Am
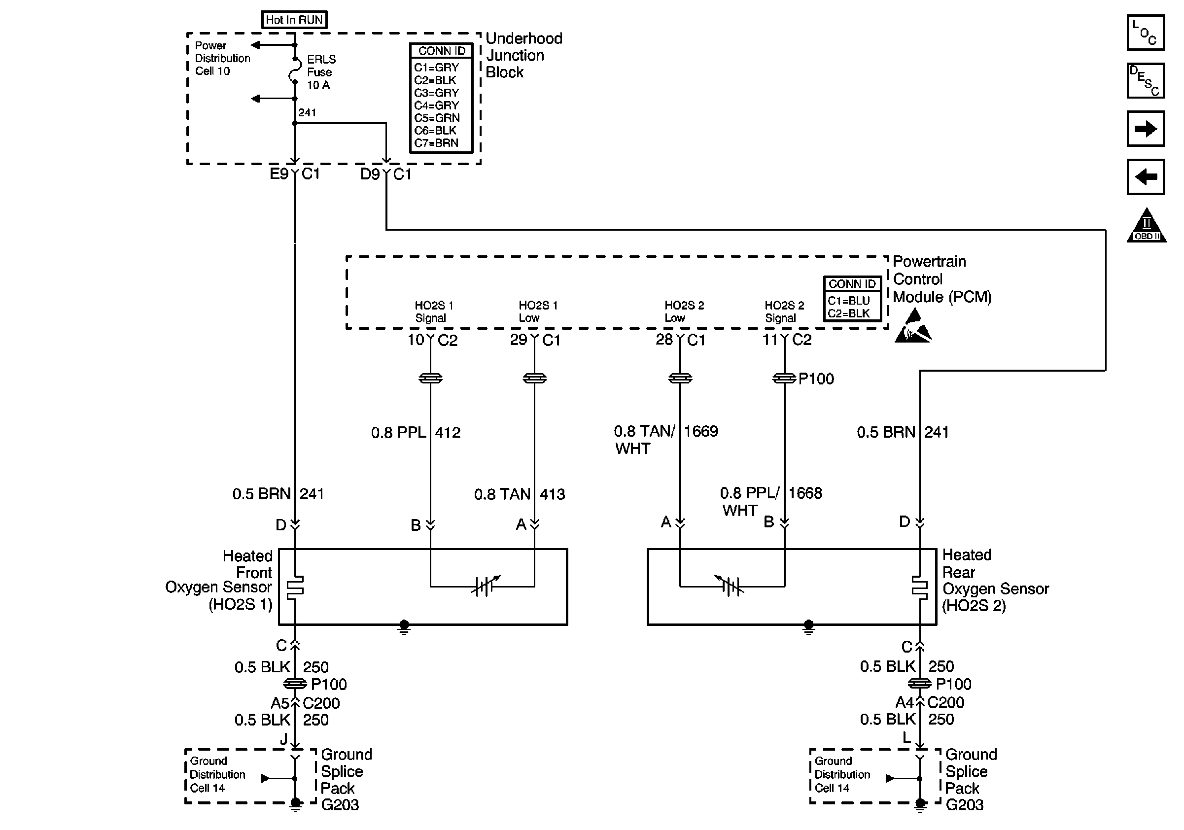
🢒 HO2S 1 and HO2S 2
HO2S 1 and HO2S 2
HO2S 1 and HO2S 2
Engine Controls Components
Powertrain Control Module Description
Cooling Fans
Power, Ground, CMP, CKP 24X, CKP 7X, KS, and ICM
OBD II Symbol Description Notice
Ground Distribution Schematics
Handling ESD Sensitive Parts Notice
Ground Distribution Schematics
Power Distribution Schematics