GM Service Manual Online
For 1990-2009 cars only
Makes
🢒
Pontiac
🢒
2001
🢒
Grand Am
🢒
Body and Accessories
🢒
Horns
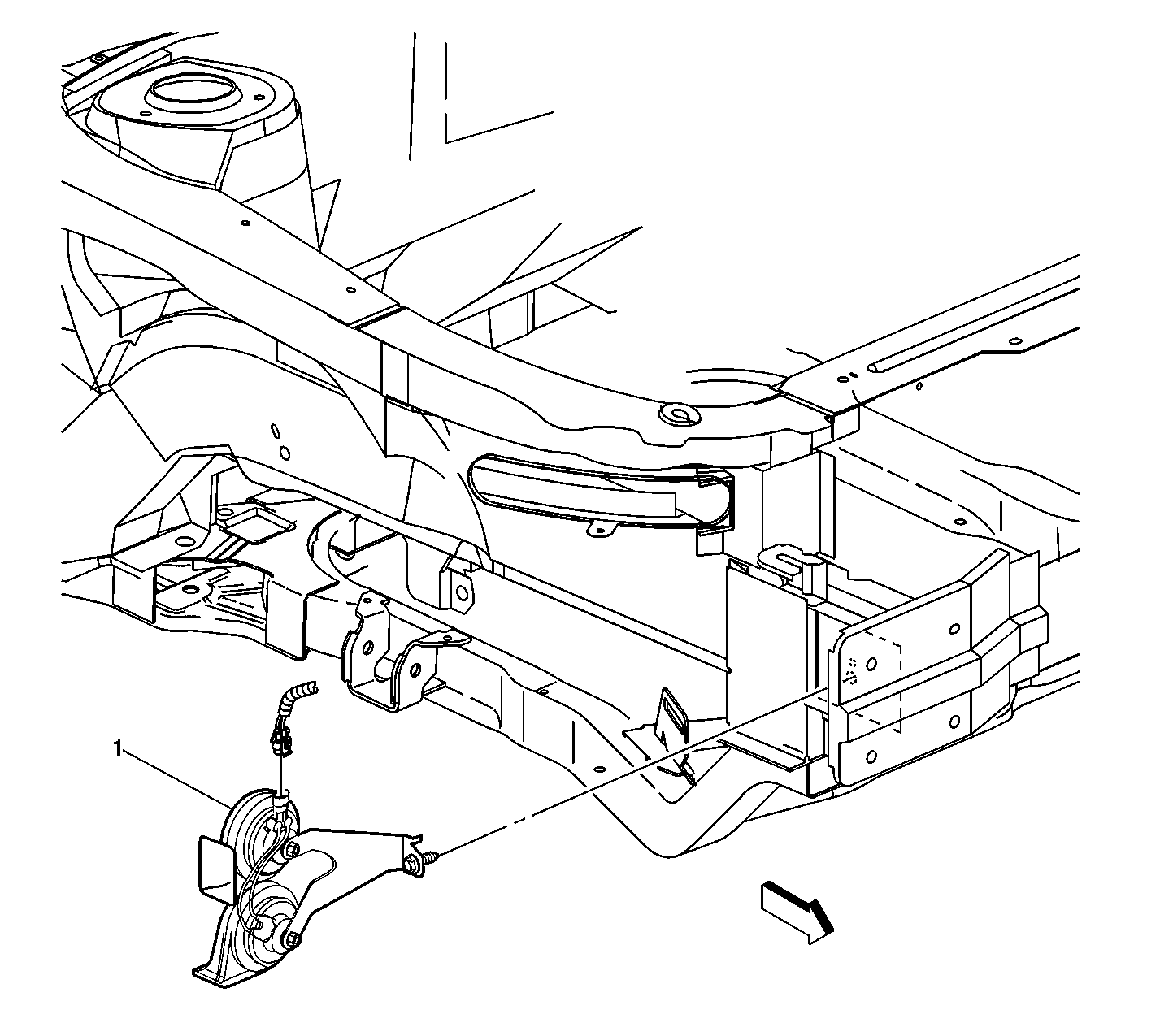
🢒 Horn Component Views
Inside Right Fender
(1)
Horn Assembly