GM Service Manual Online
For 1990-2009 cars only
Makes
🢒
Pontiac
🢒
2001
🢒
Grand Am
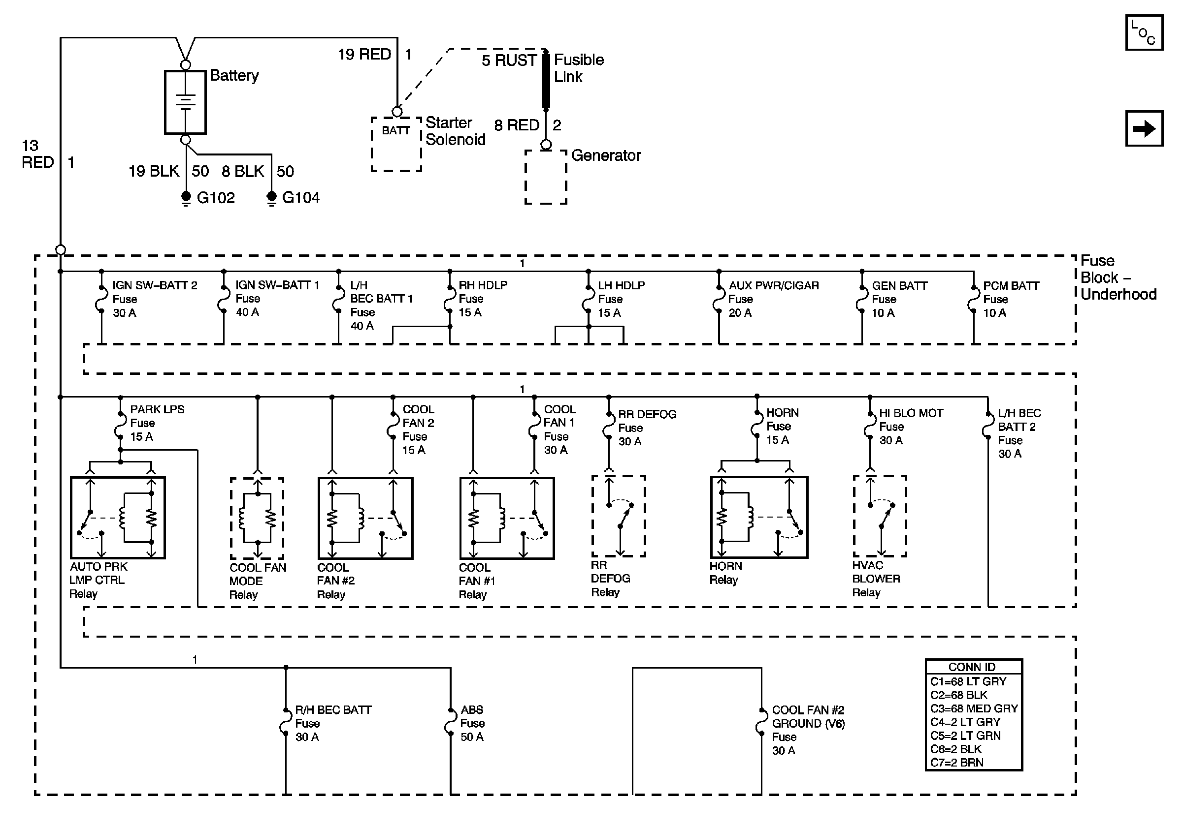
🢒 B+ Bus Bar and COOL FAN 2 GROUND (V6) Fuse
B+ Bus Bar and COOL FAN 2 GROUND (V6) Fuse
B+ Bus Bar and COOL FAN 2 GROUND (V6) Fuse
Master Electrical Component List
IGN SW-BATT2, WIPER, AIR BAG, TURN LPS, IGN MOD, BU LMP, PCM IGN, F/PINJR, A/C BFC, AUTO TRANS, ABS, IGN Fuses