GM Service Manual Online
For 1990-2009 cars only
Makes
🢒
Pontiac
🢒
2001
🢒
Grand Am
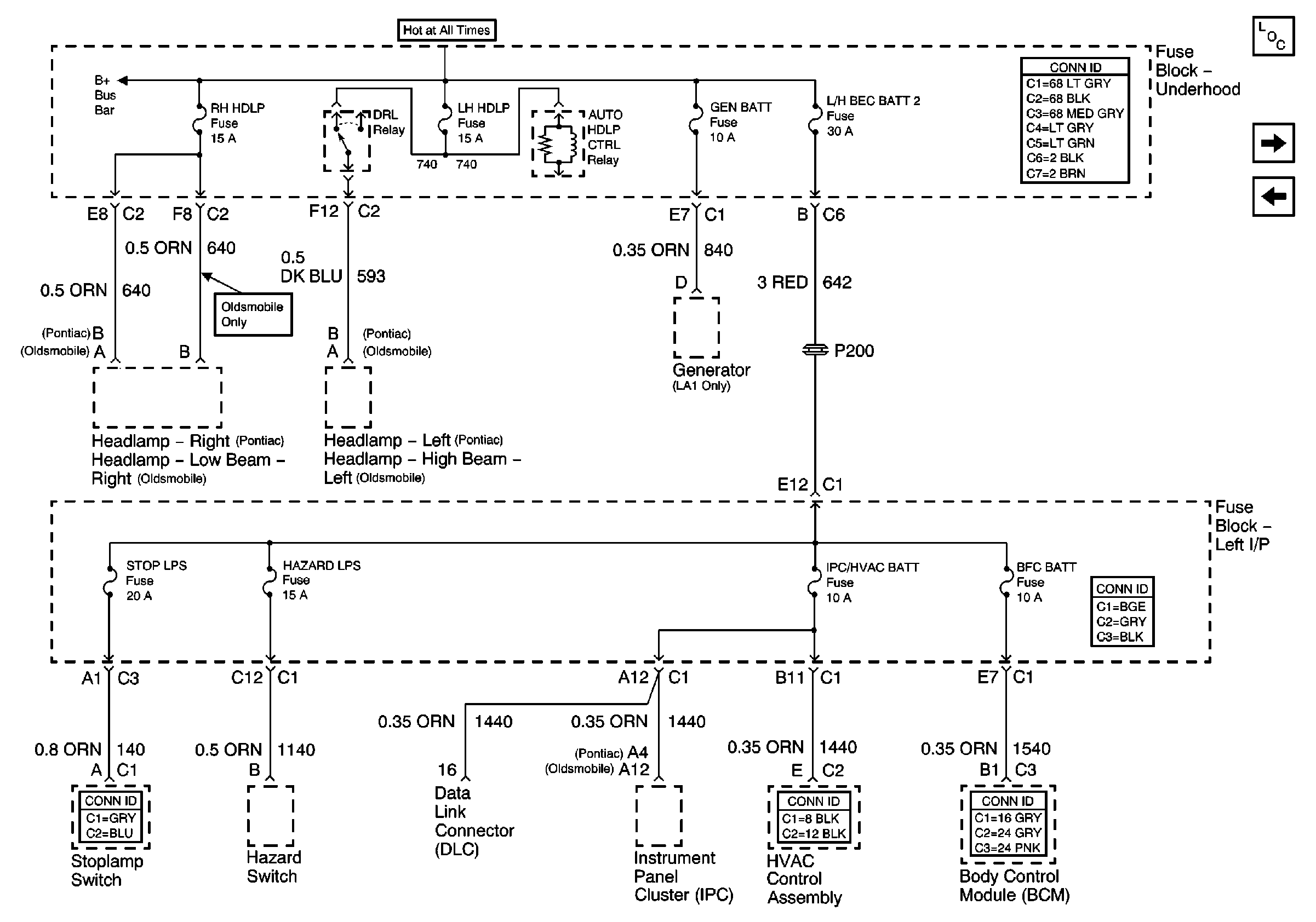
🢒 RH HDLP, LH HDLP, GEN BATT, LH BEC BATT 2, STOP LPS, HAZARD LPS, IPC/HVACBATT, BFC BATT Fuses
RH HDLP, LH HDLP, GEN BATT, LH BEC BATT 2, STOP LPS, HAZARD LPS, IPC/HVACBATT, BFC BATT Fuses
RH HDLP, LH HDLP, GEN BATT, LH BEC BATT 2, STOP LPS, HAZARD LPS, IPC/HVAC BATT, BFC BATT Fuses
Master Electrical Component List
RH BEC BATT, ABS, COOL FAN (V6) GROUND, INT LPS, RADIO BATT, FOG LPS Fuses
LH BEC BATT1, AUX PWR/CIGAR, PARK LPS, PCM BATT, PWR MIRROR, DR LOCK, TRUNK REL/RFA/Radio Amp Fuses, and RWR SEAT Circuit Breaker