GM Service Manual Online
For 1990-2009 cars only
Makes
🢒
Pontiac
🢒
2001
🢒
Grand Am
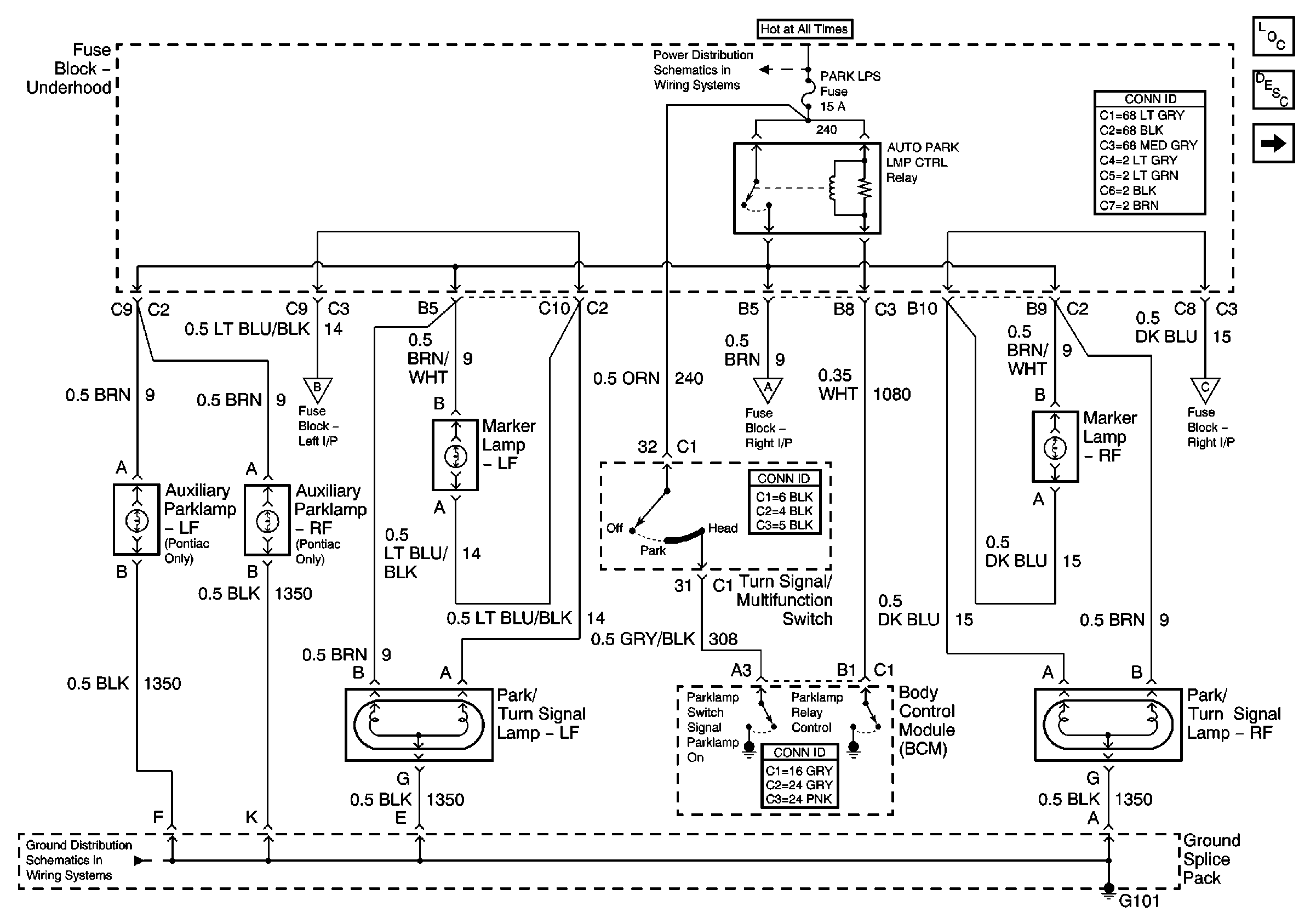
🢒 Marker Lamps, Park Lamps, and Turn Lamps
Marker Lamps, Park Lamps, and Turn Lamps
Marker Lamps, Park Lamps, and Turn Lamps
Master Electrical Component List
Exterior Lighting Systems Description and Operation
Hazard Switch
Hazard Switch
License Lamps
LH BEC BATT1, AUX PWR/CIGAR, PARK LPS, PCM BATT, PWR MIRROR, DR LOCK, TRUNK REL/RFA/Radio Amp Fuses, and RWR SEAT Circuit Breaker
Hazard Switch
G101