GM Service Manual Online
For 1990-2009 cars only
Makes
🢒
Pontiac
🢒
2001
🢒
Grand Am
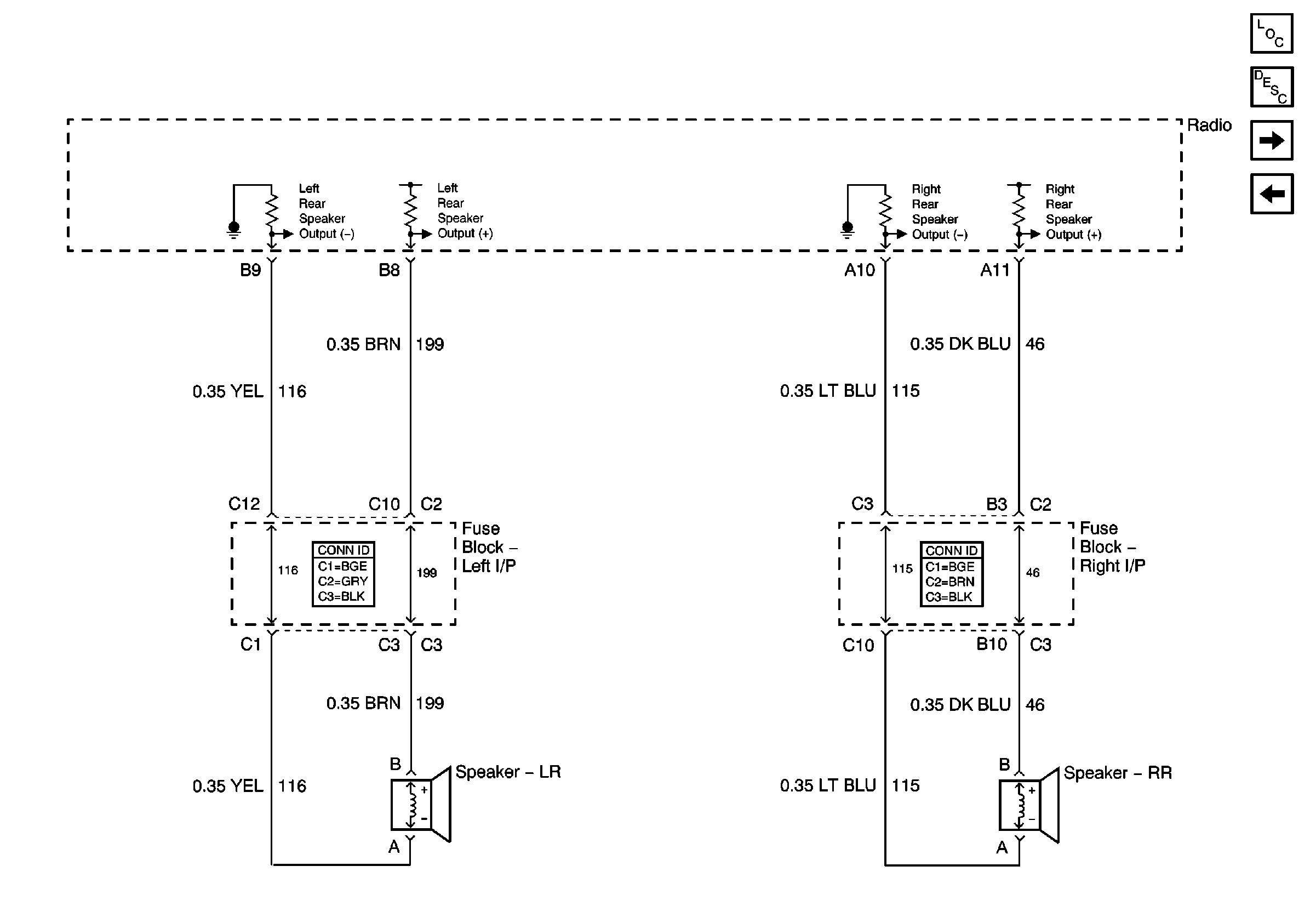
🢒 Rear Speakers; UQ2 and UQ8
Rear Speakers; UQ2 and UQ8
Rear Speakers; UQ2 and UQ8
Master Electrical Component List
Radio/Audio System Description and Operation
Amplifier; U85
Front Speakers; UQ2 and UQ8