GM Service Manual Online
For 1990-2009 cars only
Makes
🢒
Pontiac
🢒
2001
🢒
Grand Am
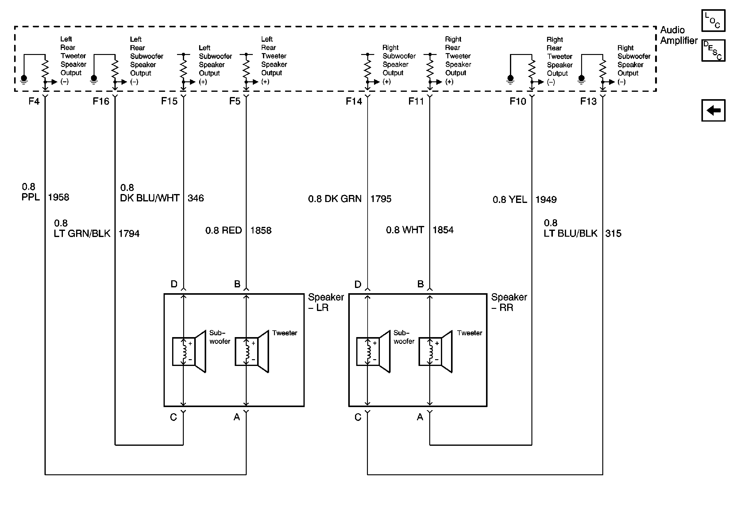
🢒 Rear Speakers; U85
Rear Speakers; U85
Rear Speakers; U85
Master Electrical Component List
Radio/Audio System Description and Operation
Front Speakers; U85