GM Service Manual Online
For 1990-2009 cars only
Makes
🢒
Pontiac
🢒
2001
🢒
Grand Am
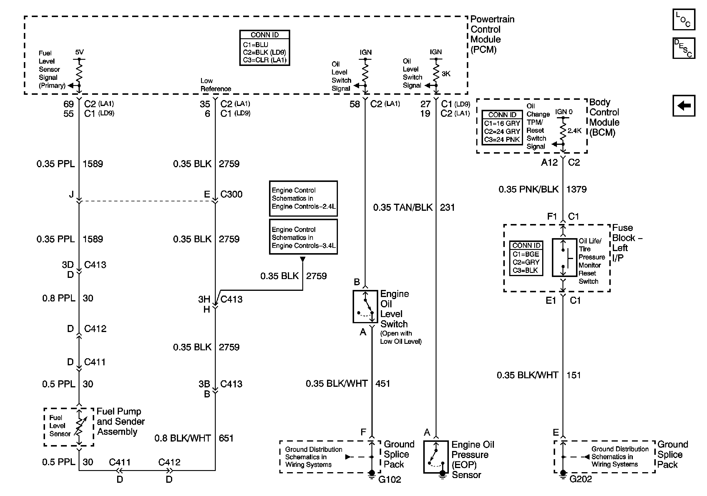
🢒 Oil Pressure and Level Switch
Oil Pressure and Level Switch
Oil Pressure and Level Switch
Master Electrical Component List
Instrument Cluster Description and Operation
Fault Indicators
G102 and G104
Engine Data Sensors
Engine Data Sensors