GM Service Manual Online
For 1990-2009 cars only
Figure 1:

Rear of Radiator


Object Number: 217559  Size: SF
(1)Cooling Fan-Left
(2)Cooling Fan-Right
(3)A/C Refrigerant Pressure Sensor
Figure 2:

Front of Engine


Object Number: 818182  Size: LF
(1)A/C Compressor Clutch (LA1)
(2)A/C Compressor Clutch (L61)
Figure 3:

Right Side of Evaporator


Object Number: 818944  Size: MF
(1)Air Temperature Actuator
Figure 4:

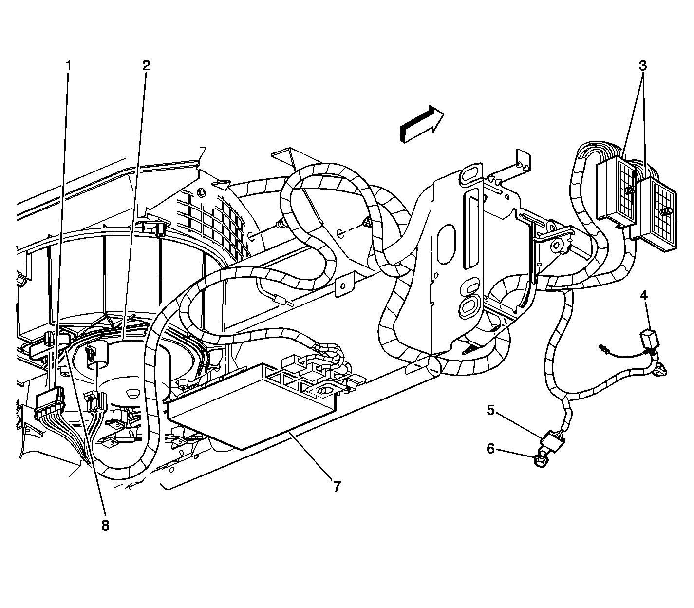
I/P Harness - RH


Object Number: 728841  Size: LF
(1)Blower Motor Resistor Assembly Connector
(2)Blower Motor
(3)Fuse Block - Right I/P, C1 and C2
(4)Inflatable Restraint I/P Module Connector
(5)Splice Pack, SP203
(6)G203
(7)Body Control Module (BCM)
(8)Blower Motor Resistor Assembly
Figure 5:

Center of I/P


Object Number: 476438  Size: LF
(1)Radio
(2)HVAC Control Assembly