GM Service Manual Online
For 1990-2009 cars only
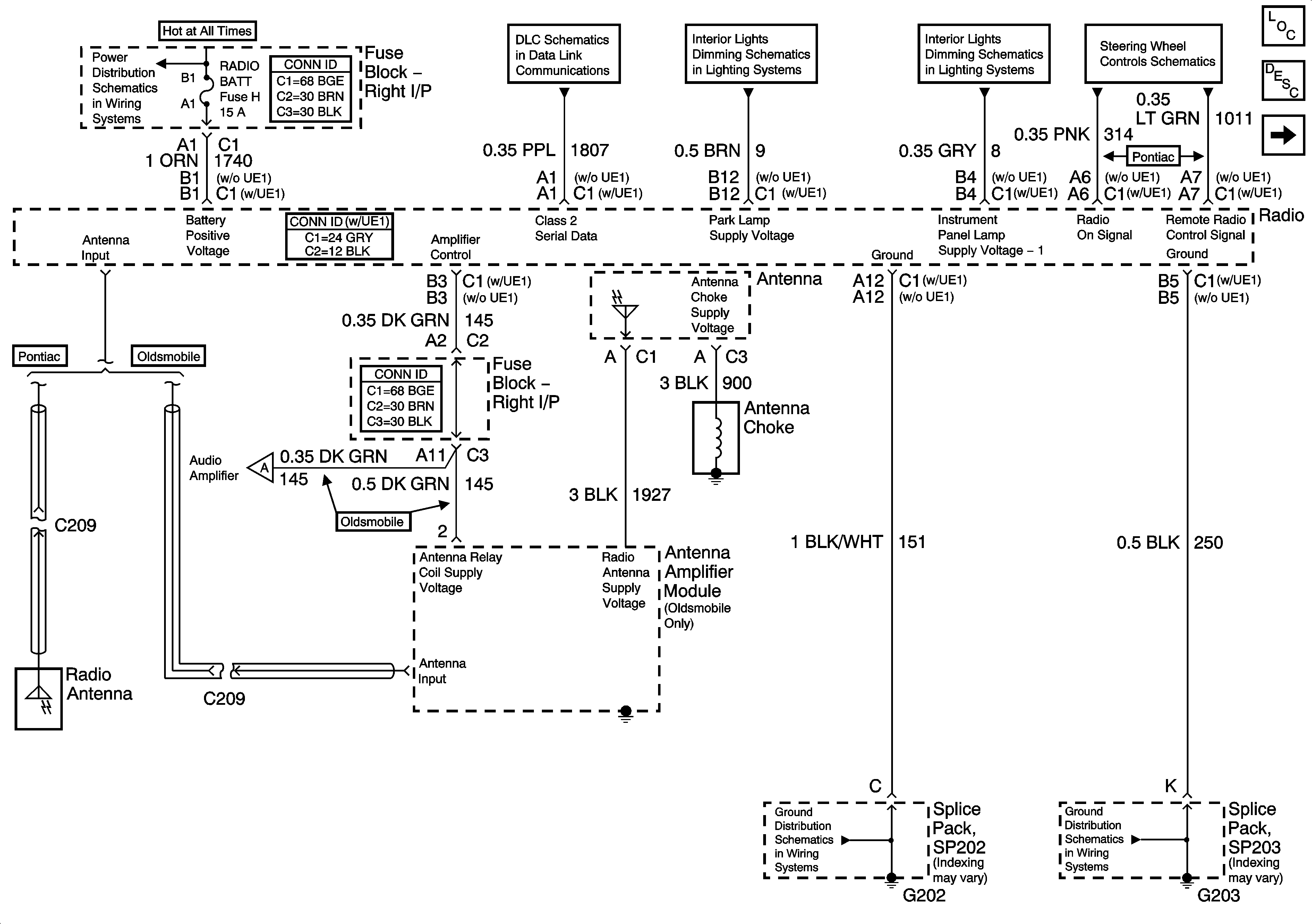
Figure 1:

Power, Ground, DLC and Antenna


Object Number: 792577  Size: FS
Master Electrical Component List
Radio/Audio System Description and Operation
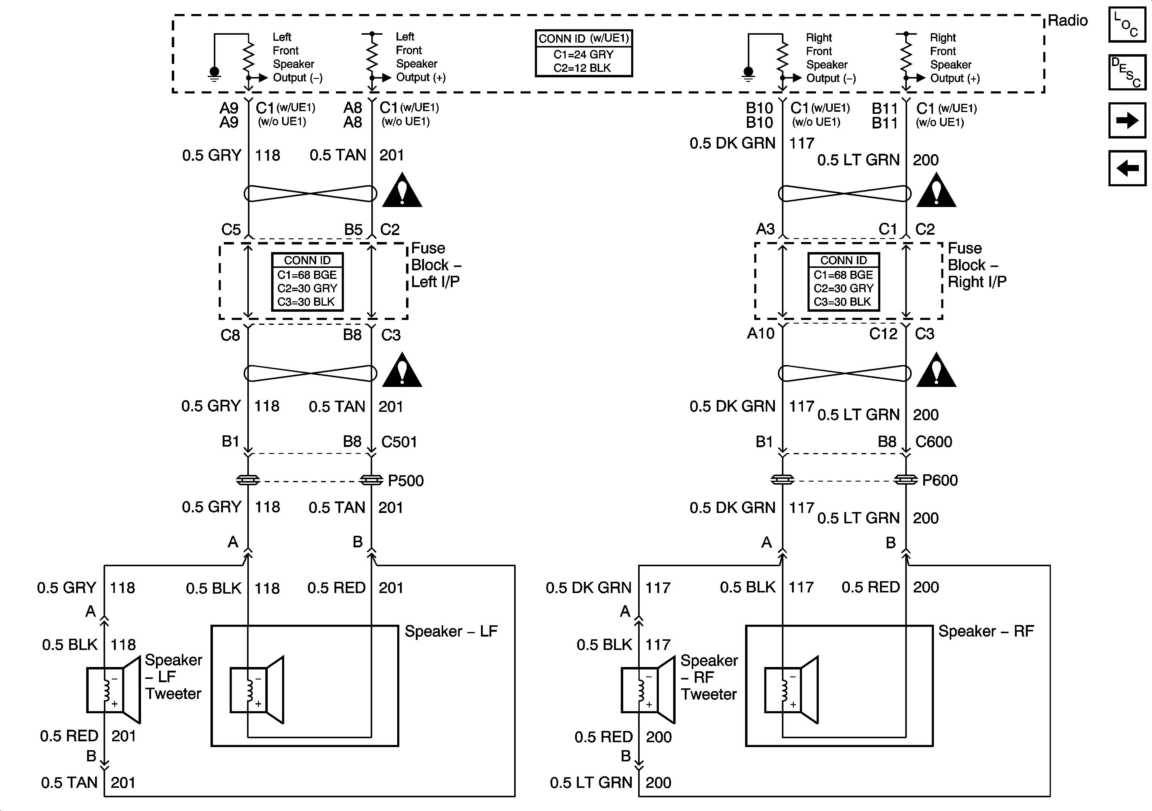
Front Speakers - UQ2/UQ8
RH BEC BATT, ABS, COOL FAN (V6) GROUND, INT LPS, RADIO BATT, FOG LPS Fuses
Data Link Connector (DLC) Schematics
Dimmer Controls
Instrument Panel Lamps
Steering Wheel Controls Schematics
Amplifier - U85
G202
G203
Figure 2:

Front Speakers - UQ2/UQ8


Object Number: 792578  Size: FS
Master Electrical Component List
Radio/Audio System Description and Operation
Rear Speakers - UQ2/UQ8
Power, Ground, DLC and Antenna
Entertainment Schematic Icons
Entertainment Schematic Icons
Entertainment Schematic Icons
Entertainment Schematic Icons
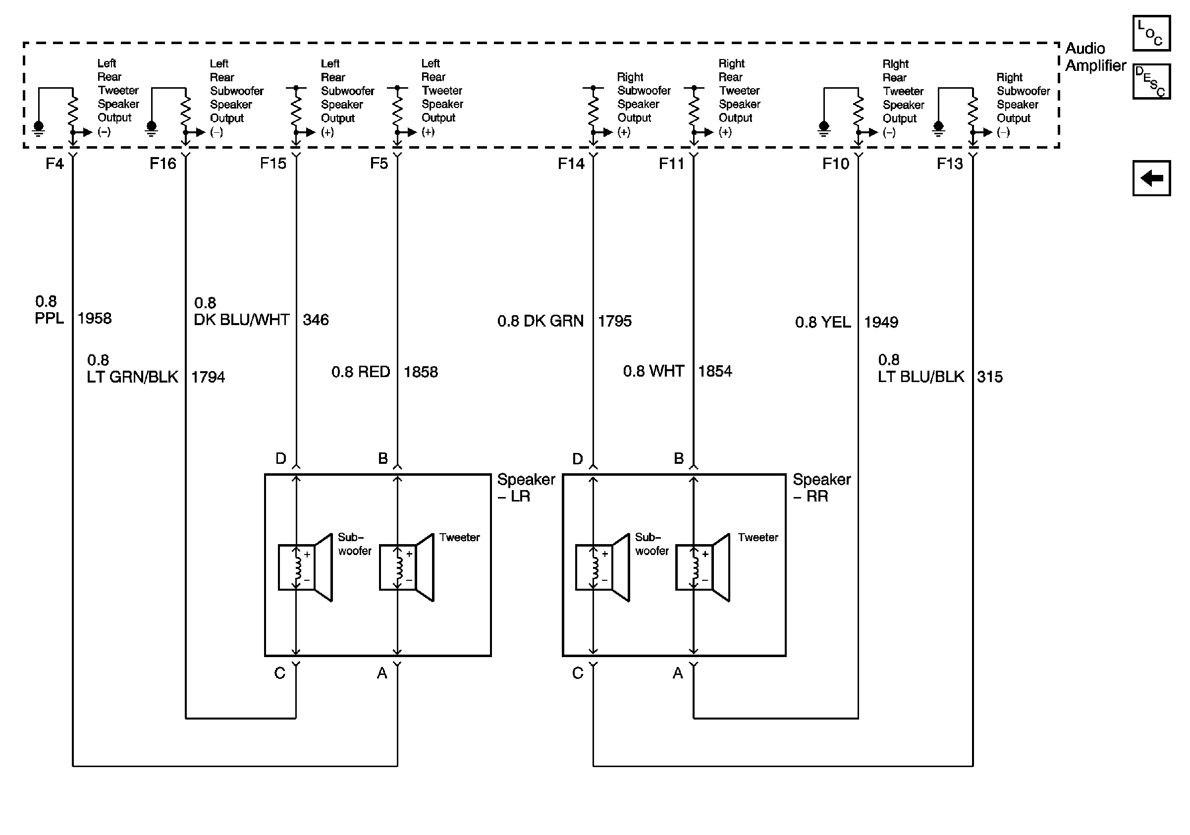
Figure 3:

Rear Speakers - UQ2/UQ8


Object Number: 792581  Size: FS
Master Electrical Component List
Radio/Audio System Description and Operation
Amplifier - U85
Front Speakers - UQ2/UQ8
Entertainment Schematic Icons
Entertainment Schematic Icons
Entertainment Schematic Icons
Entertainment Schematic Icons
Figure 4:

Amplifier - U85


Object Number: 792582  Size: FS
Master Electrical Component List
Radio/Audio System Description and Operation
Front Speakers - U85
Rear Speakers - UQ2/UQ8
Entertainment Schematic Icons
Entertainment Schematic Icons
Entertainment Schematic Icons
Entertainment Schematic Icons
L/H BEC BATT1, AUX PWR/CIGAR, PARK LPS, PCM BATT, PWR MIRROR, DR LOCK, TRUNK REL/RFA/Radio Amp Fuses, and RWR SEAT Circuit Breaker
L/H BEC BATT1, AUX PWR/CIGAR, PARK LPS, PCM BATT, PWR MIRROR, DR LOCK, TRUNK REL/RFA/Radio Amp Fuses, and RWR SEAT Circuit Breaker
Power, Ground, DLC and Antenna
G401
Figure 5:

Front Speakers; U85


Object Number: 792583  Size: FS
Master Electrical Component List
Radio/Audio System Description and Operation
Rear Speakers; U85
Amplifier - U85
Figure 6:

Rear Speakers; U85


Object Number: 792584  Size: FS
Master Electrical Component List
Radio/Audio System Description and Operation
Front Speakers - U85