GM Service Manual Online
For 1990-2009 cars only
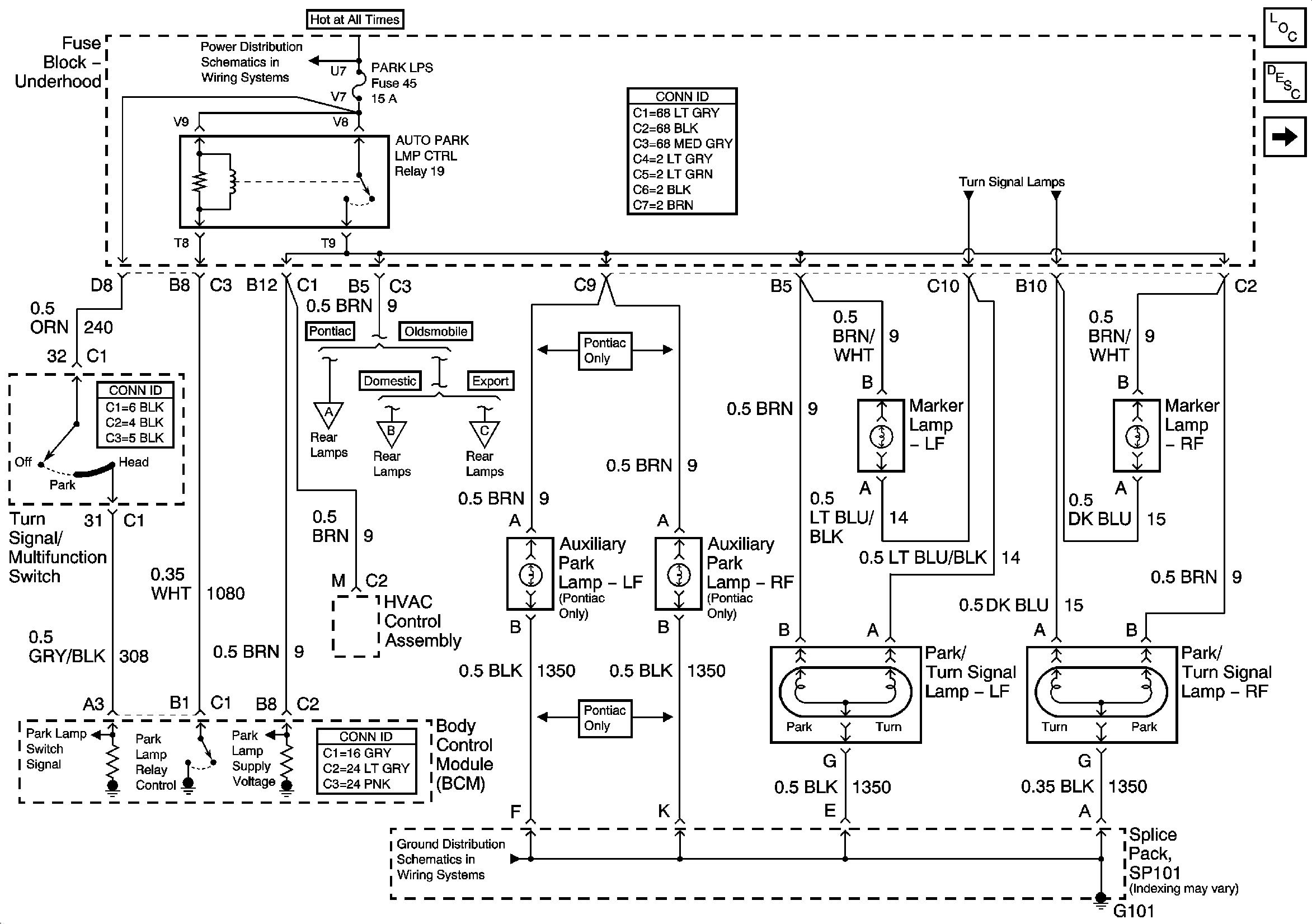
Figure 1:

Park Lamps - Front


Object Number: 793749  Size: FS
Master Electrical Component List
Exterior Lighting Systems Description and Operation
Park Lamps - Rear - Pontiac
L/H BEC BATT1, AUX PWR/CIGAR, PARK LPS, PCM BATT, PWR MIRROR, DR LOCK, TRUNK REL/RFA/Radio Amp Fuses, and RWR SEAT Circuit Breaker
Park Lamps - Rear - Pontiac
Park Lamps - Rear - Oldsmobile
Switches and Indicators
G101
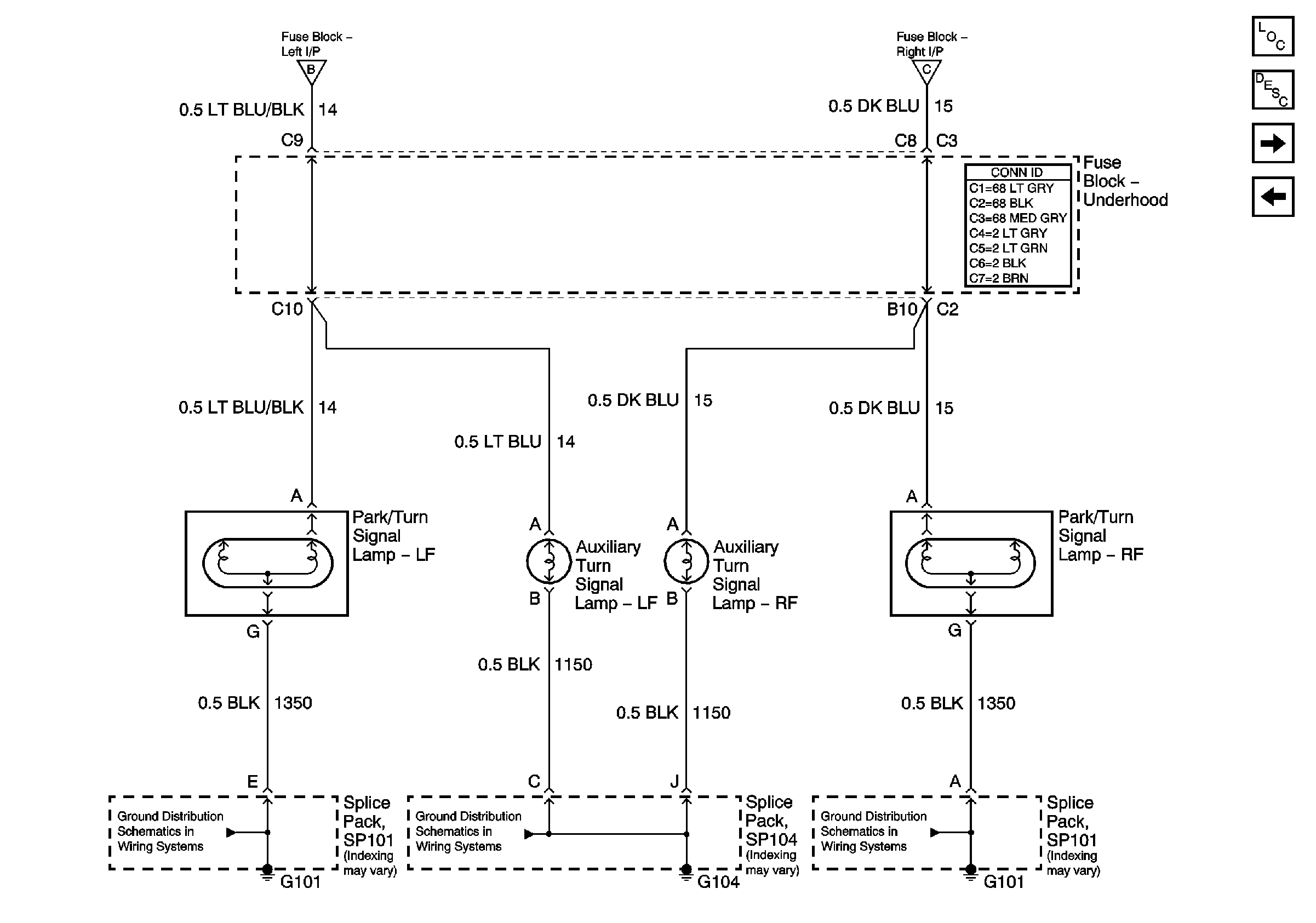
Figure 2:

Park Lamps - Rear - Pontiac


Object Number: 793752  Size: FS
Master Electrical Component List
Exterior Lighting Systems Description and Operation
Park Lamps - Rear - Oldsmobile
Park Lamps - Front
Park Lamps - Front
Power, Ground, DLC and Antenna
Dimmer Controls
Turn Lamps - Rear Lamp Assemblies
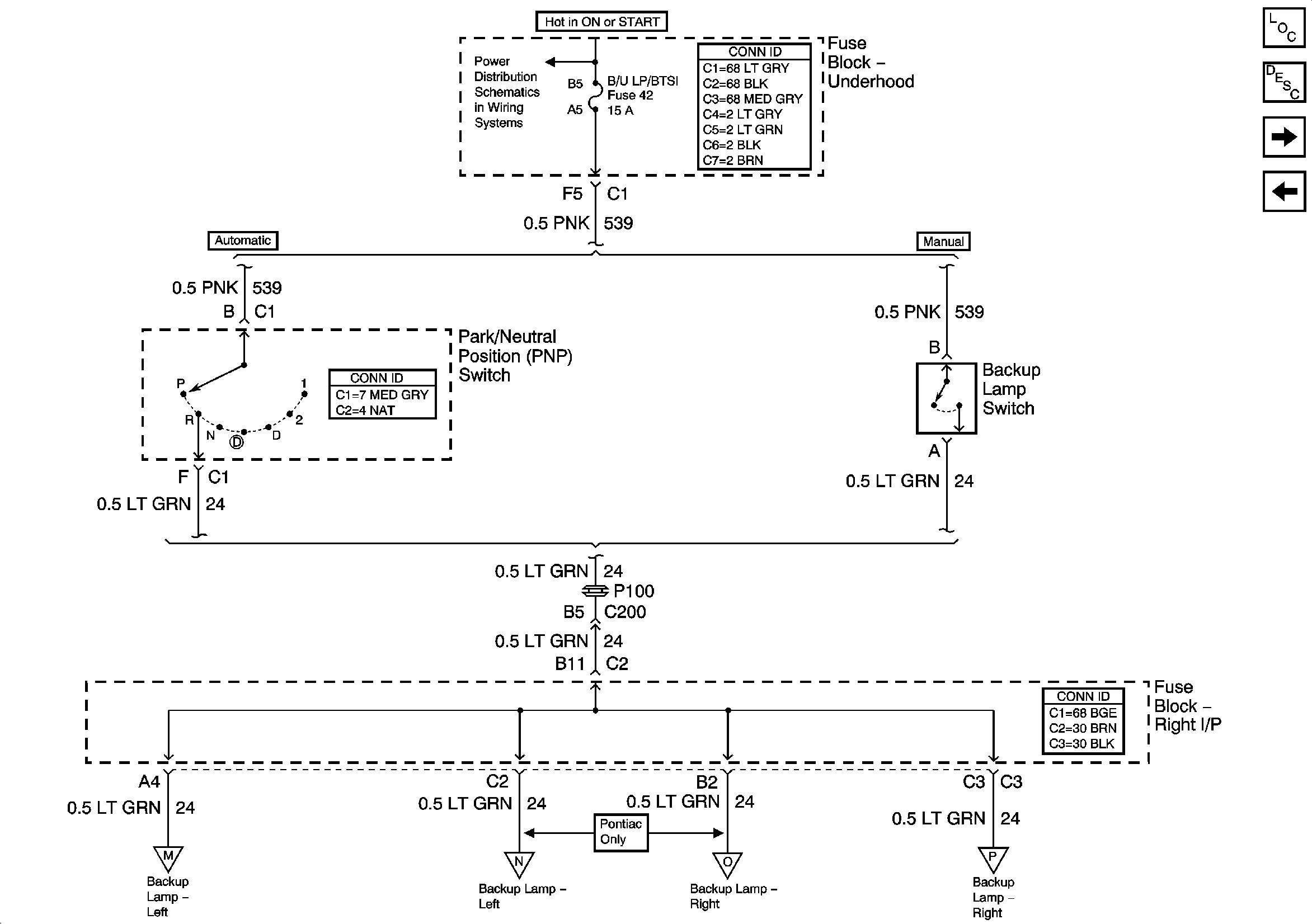
Backup Lamps
Backup Lamps
Turn Lamps - Rear Lamp Assemblies
G401
G402
Figure 3:

Park Lamps - Rear - Oldsmobile - Domestic


Object Number: 793755  Size: FS
Master Electrical Component List
Exterior Lighting Systems Description and Operation
Switches and Indicators
Park Lamps - Rear - Pontiac
Park Lamps - Front
Power, Ground, DLC and Antenna
Dimmer Controls
Turn Lamps - Rear Lamp Assemblies
Backup Lamps
Backup Lamps
Turn Lamps - Rear Lamp Assemblies
G401
G402
Figure 4:

Park Lamps - Rear - Oldsmobile - Export


Object Number: 814610  Size: FS
Master Electrical Component List
Exterior Lighting Systems Description and Operation
Switches and Indicators
Park Lamps - Rear - Pontiac
Park Lamps - Front
Power, Ground, DLC and Antenna
Dimmer Controls
Turn Lamps - Rear Lamp Assemblies
Backup Lamps
Backup Lamps
Turn Lamps - Rear Lamp Assemblies
G401
G402
Figure 5:

Switches and Indicators


Object Number: 793756  Size: FS
Master Electrical Component List
Exterior Lighting Systems Description and Operation
Turn Signal Lamps - Front
Park Lamps - Rear - Oldsmobile
RH HDLP, LH HDLP, GEN BATT, LH BEC BATT2, STOP LPS, HAZARD LPS, IPC/HVAC BATT, BFC BATT Fuses
IGN SW-BATT2, WIPER, AIR BAG, TURN LPS, IGN MOD, B/U LP/BTSI, PCM IGN, F/P INJR, A/C BFC, AUTO TRANS, ABS/EVO/IGN Fuses
Instrument Panel Lamps
Turn Signal Lamps - Front
Turn Signal Lamps - Front
G201
G201
G202
Turn Lamps - Rear Lamp Assemblies
Turn Lamps - Rear Lamp Assemblies
Turn Lamps - Rear Lamp Assemblies
Turn Lamps - Rear Lamp Assemblies
Indicators
Figure 6:

Turn Signal Lamps - Front - Export


Object Number: 814666  Size: FS
Switches and Indicators
Switches and Indicators
Master Electrical Component List
Exterior Lighting Systems Description and Operation
Turn Lamps - Rear Lamp Assemblies
Turn Signal Lamps - Front
G101
Ground Distribution Schematics - G104 - Export Only
G101
Figure 7:

Turn Signal Lamps - Front - Domestic


Object Number: 793758  Size: FS
Master Electrical Component List
Exterior Lighting Systems Description and Operation
Turn Lamps - Rear Lamp Assemblies
Switches and Indicators
Switches and Indicators
Switches and Indicators
Park Lamps - Front
G101
Figure 8:

Turn Lamps - Rear Lamp Assemblies


Object Number: 793760  Size: FS
Master Electrical Component List
Exterior Lighting Systems Description and Operation
Stop Lamps
Turn Signal Lamps - Front
Switches and Indicators
Switches and Indicators
Switches and Indicators
Switches and Indicators
Park Lamps - Rear - Oldsmobile
Park Lamps - Rear - Pontiac
Park Lamps - Rear - Oldsmobile
Park Lamps - Rear - Pontiac
G401
G402
Figure 9:

Stop Lamps


Object Number: 793761  Size: FS
Master Electrical Component List
Exterior Lighting Systems Description and Operation
Backup Lamps - Switch
Turn Lamps - Rear Lamp Assemblies
RH HDLP, LH HDLP, GEN BATT, LH BEC BATT2, STOP LPS, HAZARD LPS, IPC/HVAC BATT, BFC BATT Fuses
Stop Lamp Switch and Steering References
Stop Lamp Switch
G401
G402
G401
Figure 10:

Backup Lamps - Switch


Object Number: 793762  Size: FS
Master Electrical Component List
Exterior Lighting Systems Description and Operation
Backup Lamps
Stop Lamps
IGN SW-BATT2, WIPER, AIR BAG, TURN LPS, IGN MOD, B/U LP/BTSI, PCM IGN, F/P INJR, A/C BFC, AUTO TRANS, ABS/EVO/IGN Fuses
Backup Lamps
Backup Lamps
Backup Lamps
Backup Lamps
Figure 11:

Backup Lamps


Object Number: 793766  Size: FS
Master Electrical Component List
Exterior Lighting Systems Description and Operation
Backup Lamps - Switch
Backup Lamps - Switch
Backup Lamps - Switch
Backup Lamps - Switch
Backup Lamps - Switch
G401
G401
G402
G401