GM Service Manual Online
For 1990-2009 cars only
Makes
🢒
Pontiac
🢒
2002
🢒
Grand Am
🢒
Body and Accessories
🢒
Wiring Systems
🢒 Instrument Cluster Schematics
Figure
1:
Power, Ground, Tachometer, Speedometer and Odometer
Master Electrical Component List
Figure
2:
Indicators
Master Electrical Component List
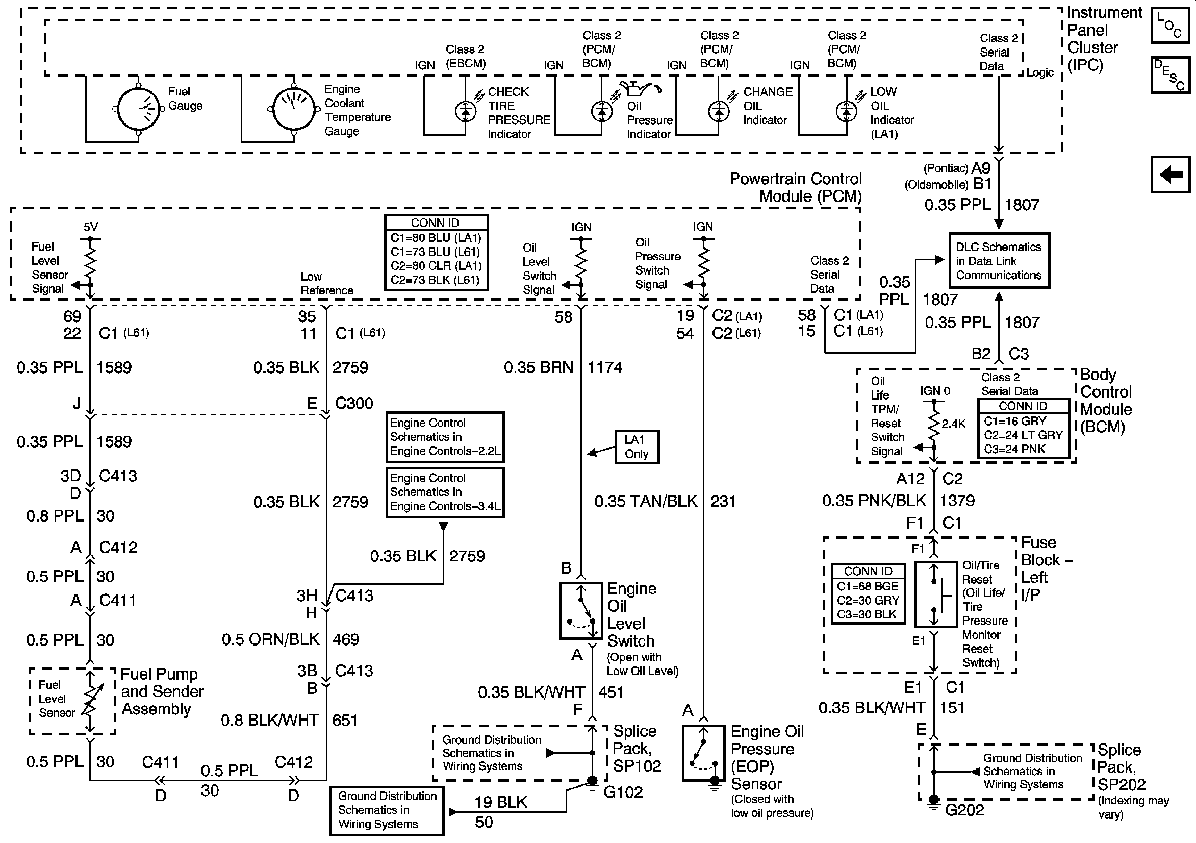
Figure
3:
Fuel Level, Oil Level and TPM
Master Electrical Component List