GM Service Manual Online
For 1990-2009 cars only
Makes
🢒
Pontiac
🢒
2002
🢒
Grand Am
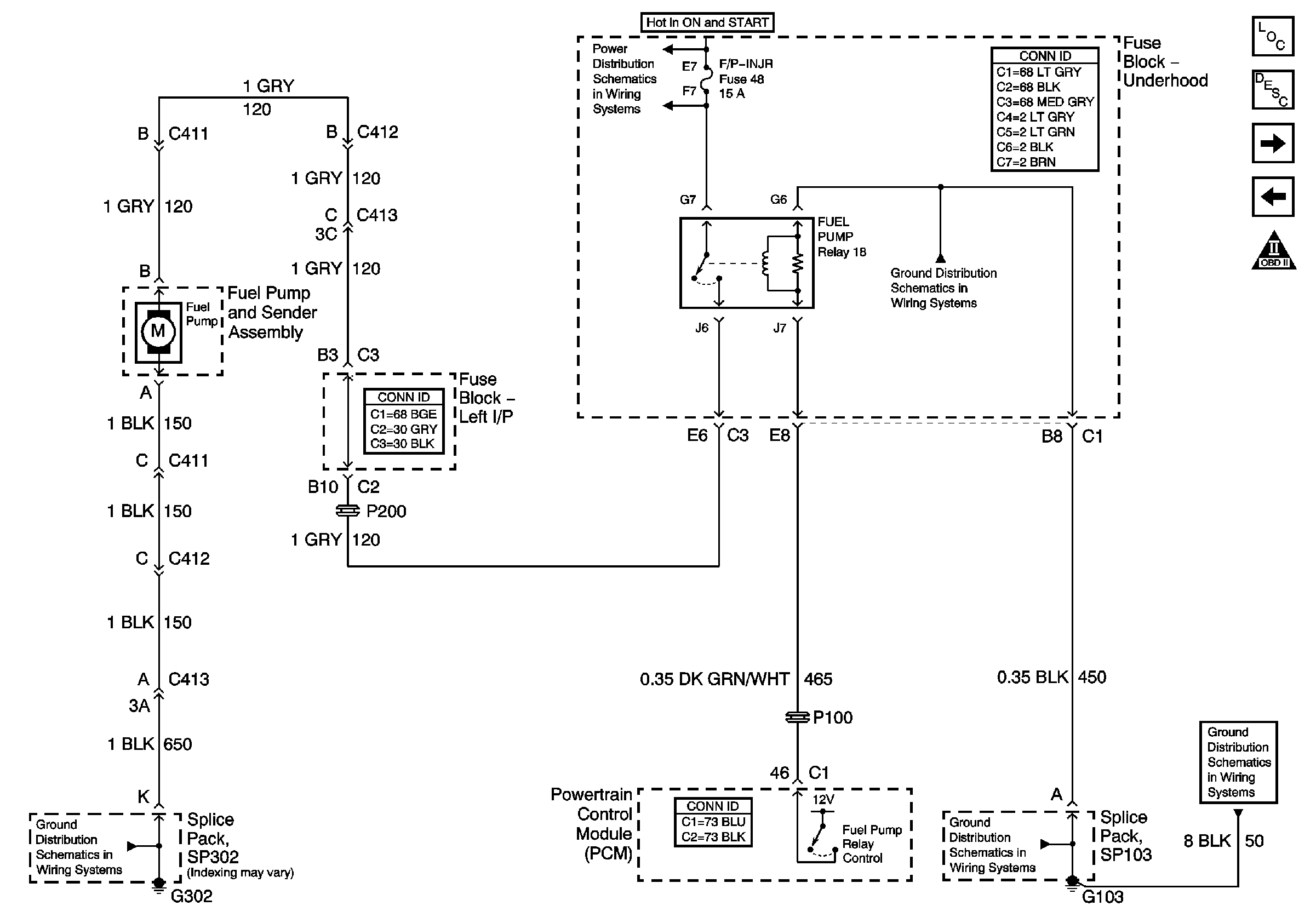
🢒 Fuel Pump Controls
Fuel Pump Controls
Fuel Pump Controls
Master Electrical Component List
Fuel System Description
Fuel Injectors
Ignition System
OBD II Symbol Description Notice
IGN SW-BATT2, WIPER, AIR BAG, TURN LPS, IGN MOD, B/U LP/BTSI, PCM IGN, F/P INJR, A/C BFC, AUTO TRANS, ABS/EVO/IGN Fuses
Compressor Controls
G302
G103 and G105
G103 and G105