GM Service Manual Online
For 1990-2009 cars only
Makes
🢒
Pontiac
🢒
2003
🢒
Grand Am
🢒
Body and Accessories
🢒
Wiring Systems
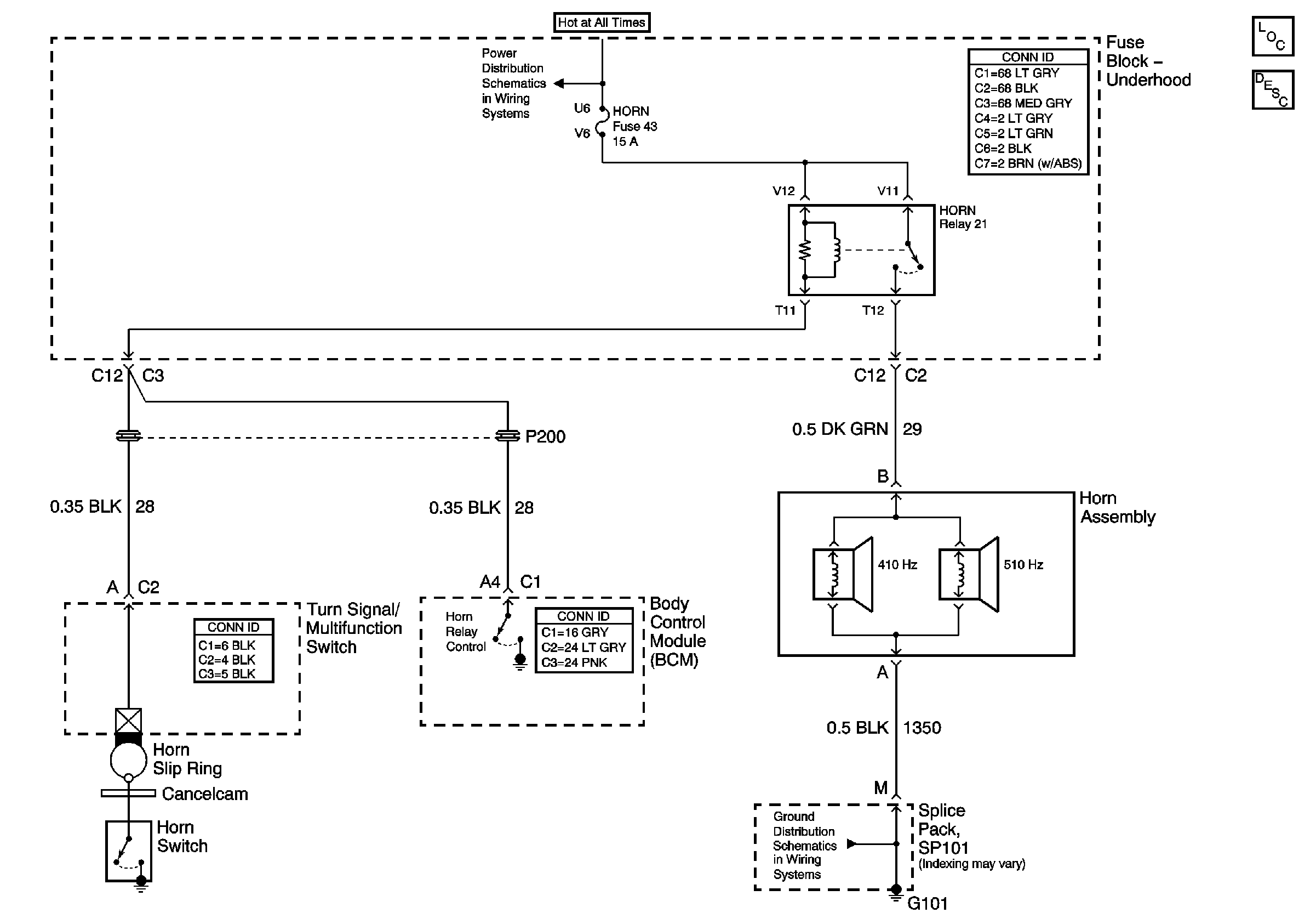
🢒 Horn Schematics
Master Electrical Component List
Horns System Description and Operation
B+ Bus Bar
G101