GM Service Manual Online
For 1990-2009 cars only

Front Side Door Window Regulator Replacement Manual

Removal Procedure

  1. Remove the front door trim panel. Refer to Front Side Door Trim Panel Replacement .
  2. Remove the front door water deflector. Refer to Front Side Door Water Deflector Replacement .
  3. Remove the front door window. Refer to Front Side Door Window Replacement .

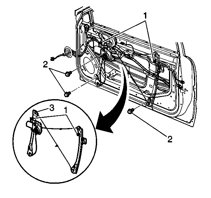
  4. Object Number: 1749483  Size: SH
  5. Remove the bolts from the front door window regulator.
  6. Remove the front door window regulator from the front door.
  7. Disconnect the electrical connector.

Installation Procedure


    Object Number: 1749483  Size: SH
  1. Install the front door window regulator to the front door.
  2. Notice: Refer to Fastener Notice in the Preface section.

  3. Install the bolts to the front door window regulator.
  4. Tighten
    Tighten the front door window regulator bolts to 10 N·m (89 lb in).

  5. Connect the electrical connector.
  6. Install the front door window assembly. Refer to Front Side Door Window Replacement .
  7. Install the front door water deflector. Refer to Front Side Door Water Deflector Replacement .
  8. Install the front door trim panel. Refer to Front Side Door Trim Panel Replacement .

Front Side Door Window Regulator Replacement Power

Removal Procedure

  1. Lower the window to the down position.
  2. Remove the door trim panel. Refer to Front Side Door Trim Panel Replacement .
  3. Remove the door water deflector. Refer to Front Side Door Water Deflector Replacement .
  4. Remove the window to regulator bolts.
  5. Push the window to its full up position and tape in place.

  6. Object Number: 736506  Size: SH
  7. Remove the nuts from the regulator cover plate.
  8. Remove the regulator drive cable from the rear of the cover plate and remove the cover plate from the door.

  9. Object Number: 736531  Size: SH
  10. Disconnect the electric connector to the motor.

  11. Object Number: 332780  Size: SH
  12. Remove the regulator bolts (1, 2, 3).
  13. Pivot the regulator (right door clockwise, left door counterclockwise) and slide the assembly out of the door.
  14. Remove the regulator from the vehicle.

Installation Procedure


    Object Number: 332780  Size: SH
  1. Partially install the three bolts (2) to hang the regulator in the door.
  2. Position the regulator in the door and hang it in place.
  3. Notice: Use the correct fastener in the correct location. Replacement fasteners must be the correct part number for that application. Fasteners requiring replacement or fasteners requiring the use of thread locking compound or sealant are identified in the service procedure. Do not use paints, lubricants, or corrosion inhibitors on fasteners or fastener joint surfaces unless specified. These coatings affect fastener torque and joint clamping force and may damage the fastener. Use the correct tightening sequence and specifications when installing fasteners in order to avoid damage to parts and systems.

  4. Install the regulator bolts.
  5. Tighten
    Tighten the regulator bolts to 10 N·m (89 lb in).


    Object Number: 736531  Size: SH
  6. Install the electrical connector to the motor.
  7. Slide the window down to join the regulator.
  8. Install the window to the regulator bolts.
  9. Tighten
    Tighten the window to regulator bolts to 10 N·m (89 lb in).


    Object Number: 736501  Size: SH
  10. Install the regulator cover plate nuts.
  11. Tighten
    Tighten the regulator cover plate nuts to 10 N·m (89 lb in).

    Important: The regulator drive cable goes into position (2) for the coupe and position (3) for the sedan.

  12. Install the regulator drive cable (1) to the rear of the cover plate.
  13. Check the operation of the window.
  14. Install the water deflector. Refer to Front Side Door Water Deflector Replacement .
  15. Install the door trim panel. Refer to Front Side Door Trim Panel Replacement .