GM Service Manual Online
For 1990-2009 cars only
Makes
🢒
Pontiac
🢒
2003
🢒
Grand Am
🢒
Body and Accessories
🢒
Theft Deterrent - Immobilizer - Some Export Vehicles
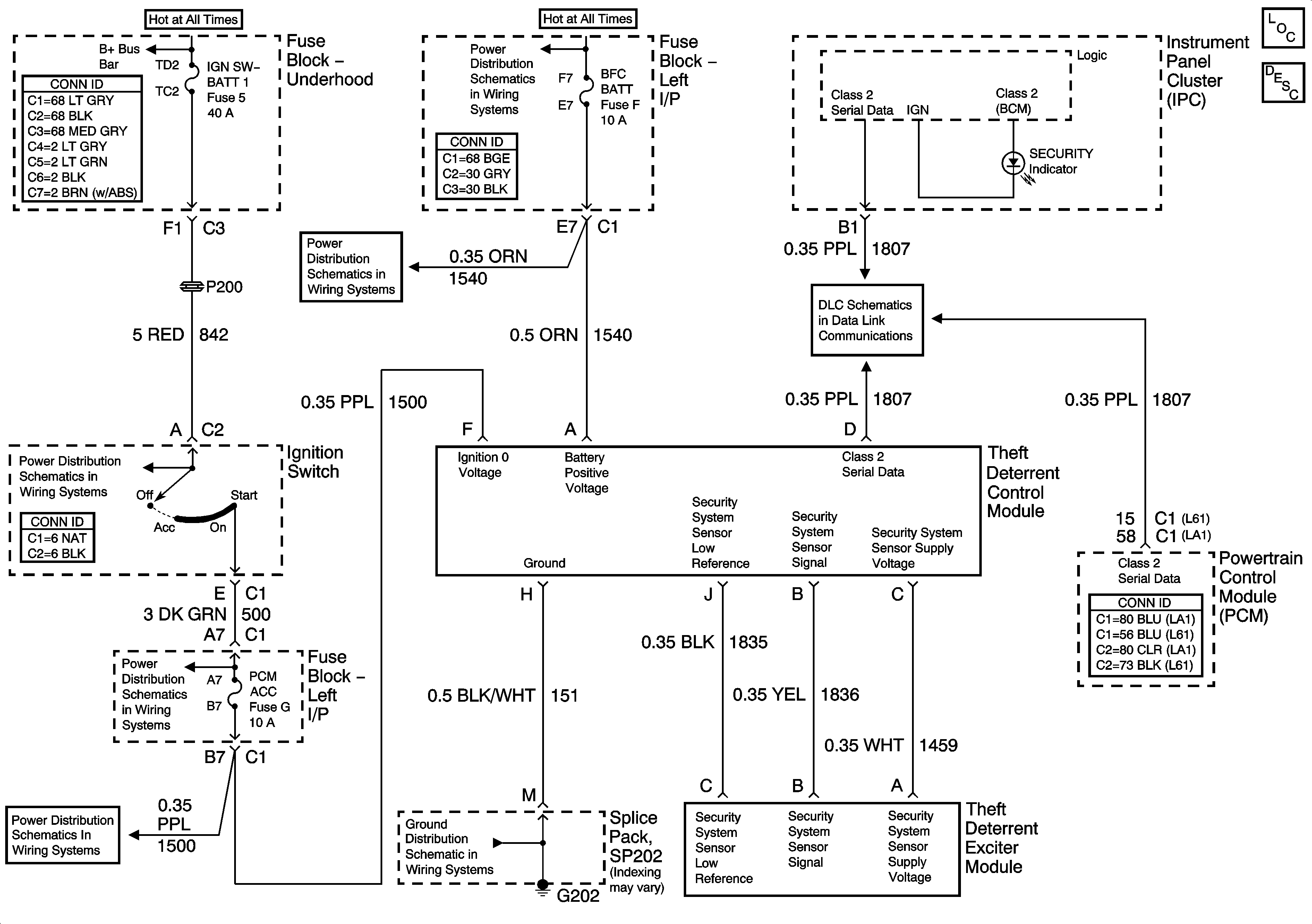
🢒 Theft Deterrent System Schematics
Master Electrical Component List
Theft Systems Description and Operation
B+ Bus Bar
RH HDLP, LH HDLP, GEN BATT, LH BEC BATT2, STOP LPS, HAZARD LPS, IPC/HVAC BATT, BFC BATT Fuses
RH HDLP, LH HDLP, GEN BATT, LH BEC BATT2, STOP LPS, HAZARD LPS, IPC/HVAC BATT, BFC BATT Fuses
Data Link Connector (DLC) Schematics
PCM ACC, IPC/BFC ACC Fuses
PCM ACC, IPC/BFC ACC Fuses
Power, Ground, Serial Data and MIL
Power, Ground, Serial Data and MIL
G202