GM Service Manual Online
For 1990-2009 cars only
Makes
🢒
Pontiac
🢒
2003
🢒
Grand Am
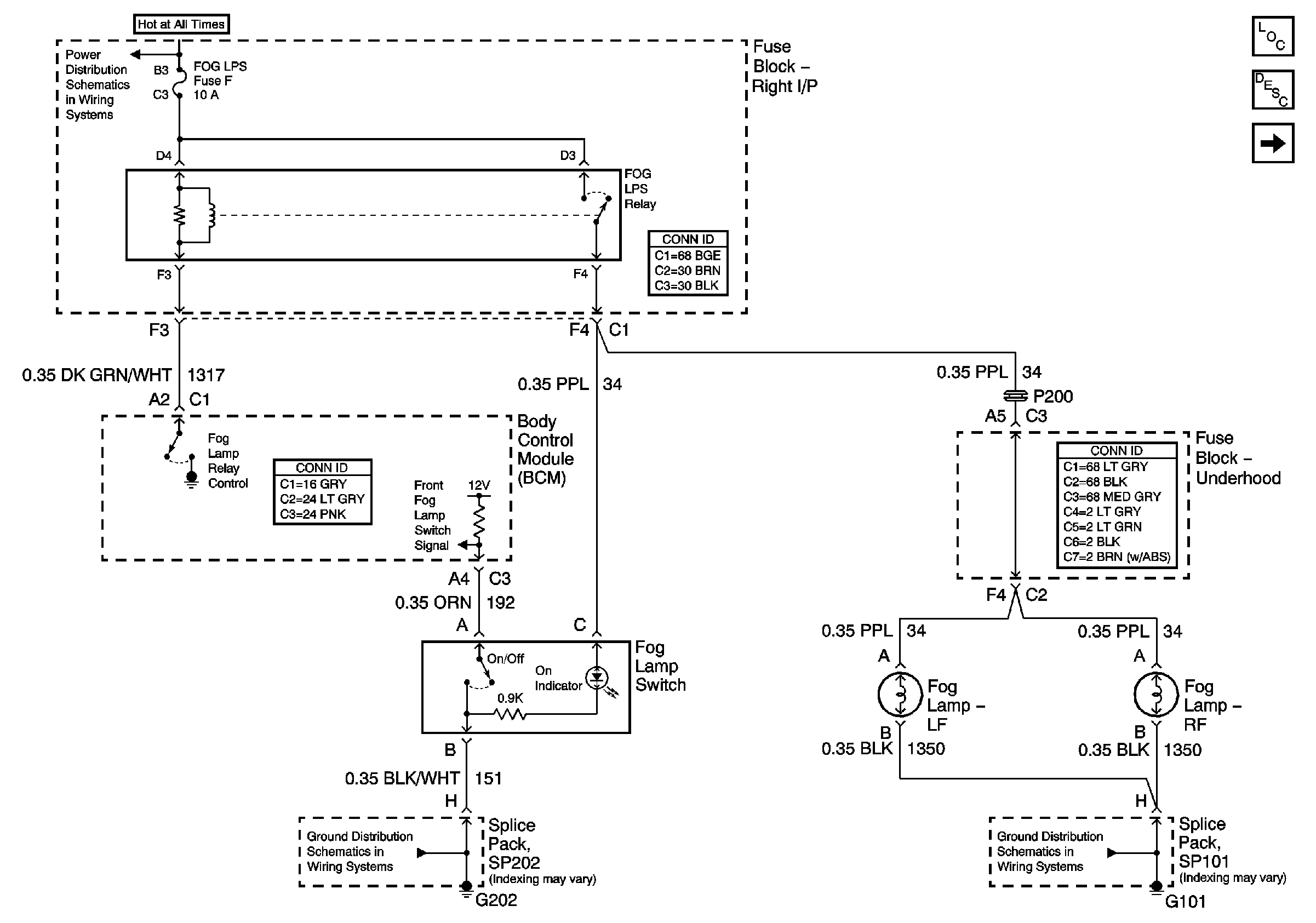
🢒 Front Fog Lamps
Front Fog Lamps
Front Fog Lamps
Master Electrical Component List
Exterior Lighting Systems Description and Operation
Rear Fog Lamps - Export Only
RH BEC BATT, ABS, COOL FAN GROUND, INT LPS, RADIO BATT, FOG LPS Fuses
G202
G101