GM Service Manual Online
For 1990-2009 cars only
Makes
🢒
Pontiac
🢒
2005
🢒
Grand Am
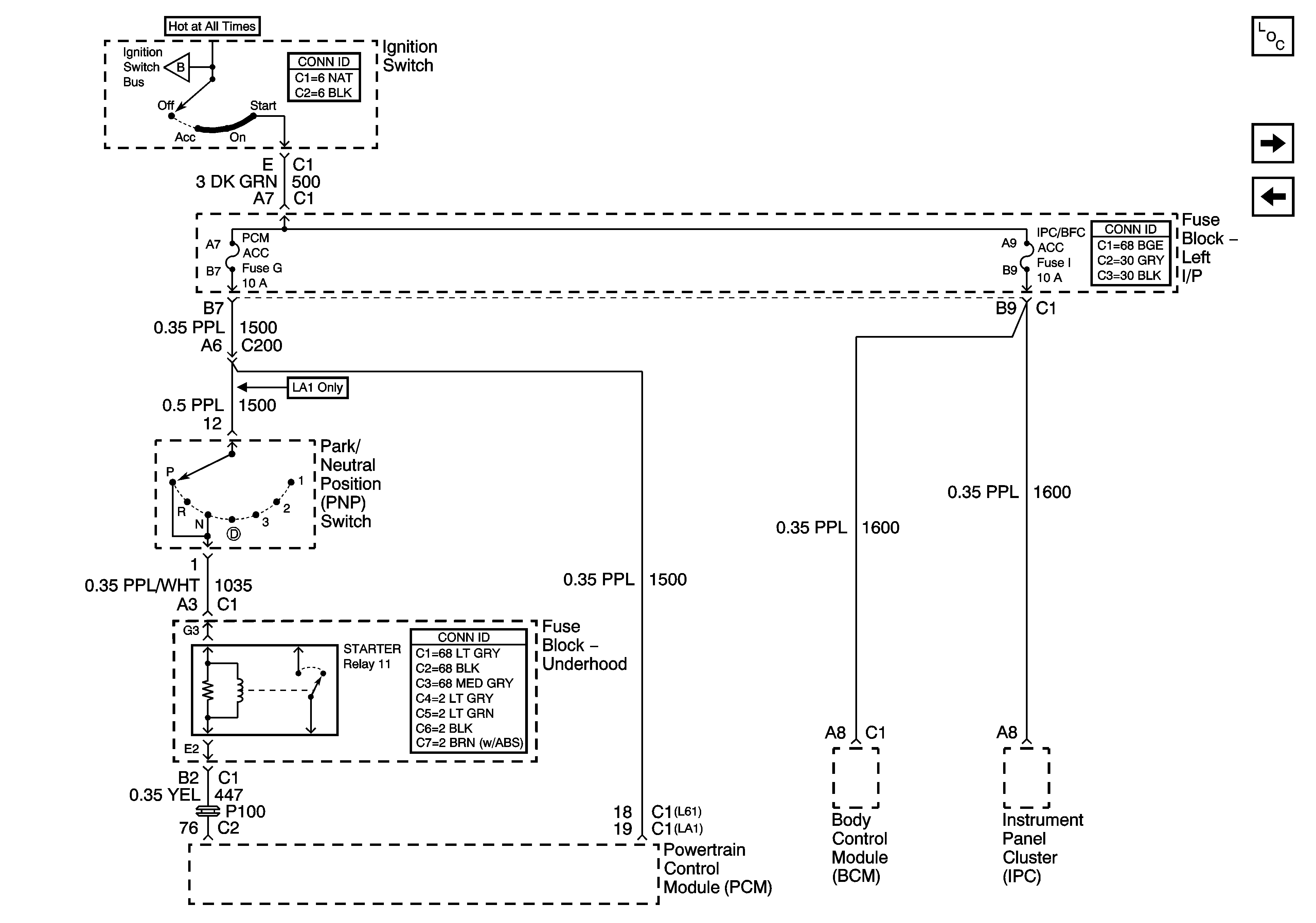
🢒 PCM ACC and IPC/BFC ACC Fuses
PCM ACC and IPC/BFC ACC Fuses
PCM ACC and IPC/BFC ACC Fuses
Master Electrical Component List
PWR WNDW Circuit Breaker, CRUISE SW, CRUISE, SUNROOF, HVAC BLOWER Fuses
IGN SW BATT1, ERLS, HTR-A/C and CRANK Fuses
IGN SW BATT1, ERLS, HTR-A/C and CRANK Fuses