GM Service Manual Online
For 1990-2009 cars only

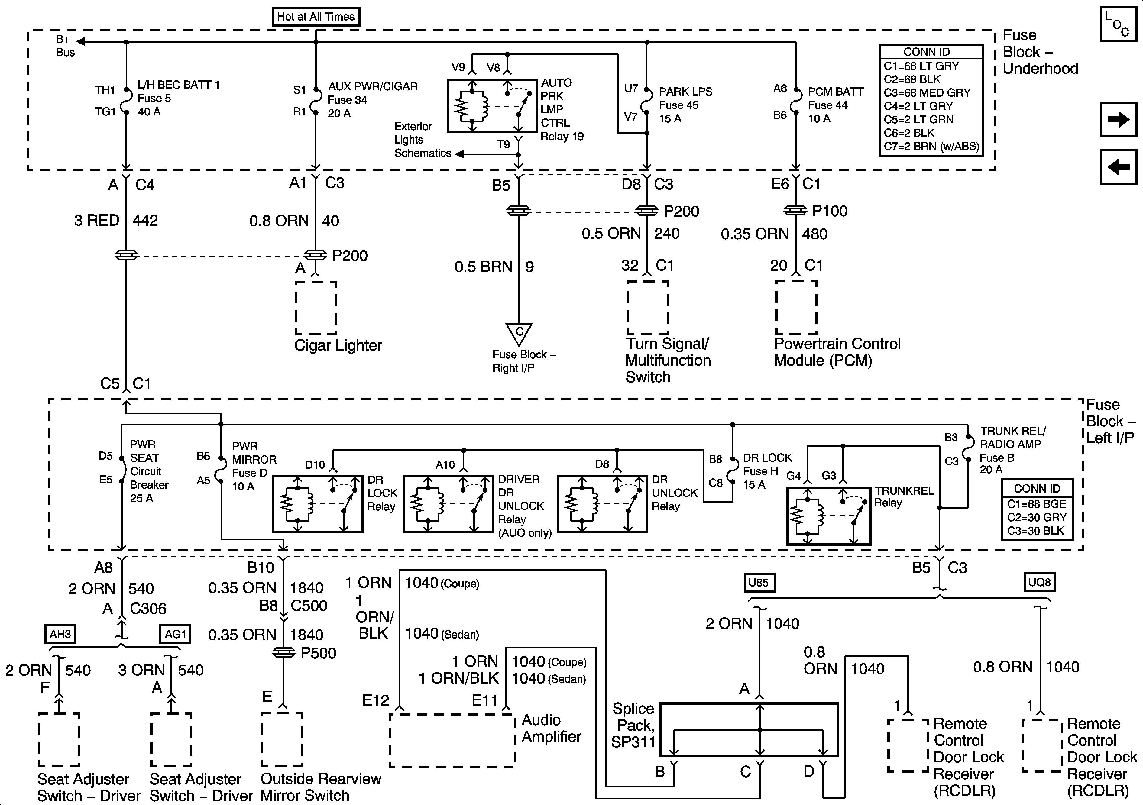
L/H BEC BATT1, AUX PWR/CIGAR, PARK LPS, PCM BATT, PWR MIRROR, DR LOCK, TRUNK REL/RFA/Radio Amp Fuses and PWR SEAT Circuit Breaker

L/H BEC BATT1, AUX PWR/CIGAR, PARK LPS, PCM BATT, PWR MIRROR, DR LOCK, TRUNK, REL/RFA/Radio Amp Fuses and PWR SEAT Circuit Breaker


Object Number: 1391281  Size: FS
Master Electrical Component List
INST LPS Fuses
PWR WNDW Circuit Breaker, CRUISE SW, CRUISE, SUNROOF, HVAC BLOWER Fuses
B+ Bus Bar
INST LPS Fuses