GM Service Manual Online
For 1990-2009 cars only
Makes
🢒
Pontiac
🢒
2005
🢒
Grand Am
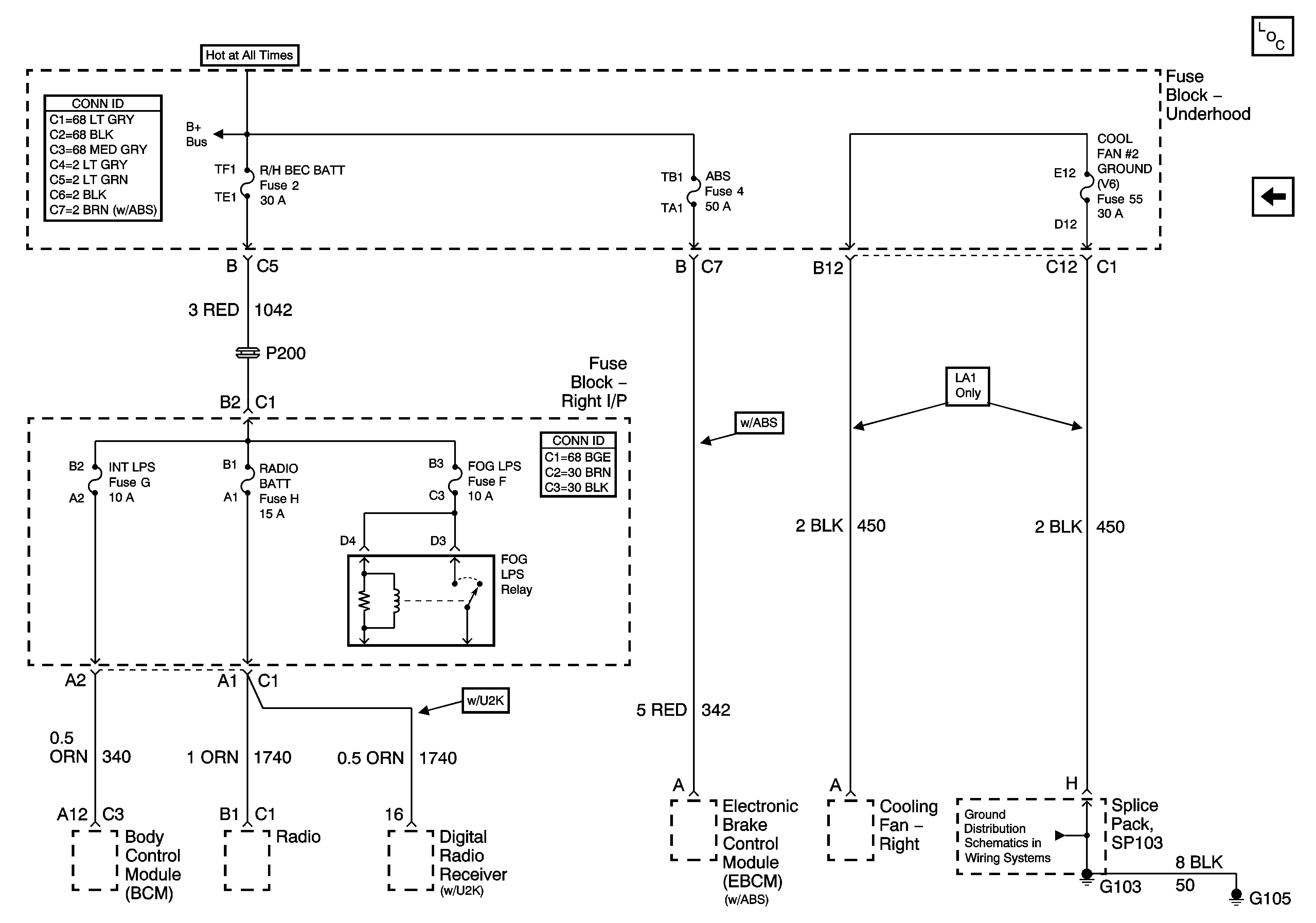
🢒 R/H BEC BATT, ABS, COOL FAN #2 GROUND (V6), INT LPS, RADIO BATT and FOG LPS
R/H BEC BATT, ABS, COOL FAN #2 GROUND (V6), INT LPS, RADIO BATT and FOG LPS
R/H BEC BATT, ABS, COOL FAN#2 GROUND (V6), INT LPS, RADIO BATT and FOG LPS Fuses
Master Electrical Component List
RH HDLP, LH HDLP, GEN BATT, LH BEC BATT2,, STOP LPS, HAZARD LPS, IPC/HVAC BATT, BFC BATT Fuses
B+ Bus Bar
G103 and G105