GM Service Manual Online
For 1990-2009 cars only
Makes
🢒
Pontiac
🢒
2005
🢒
Grand Am
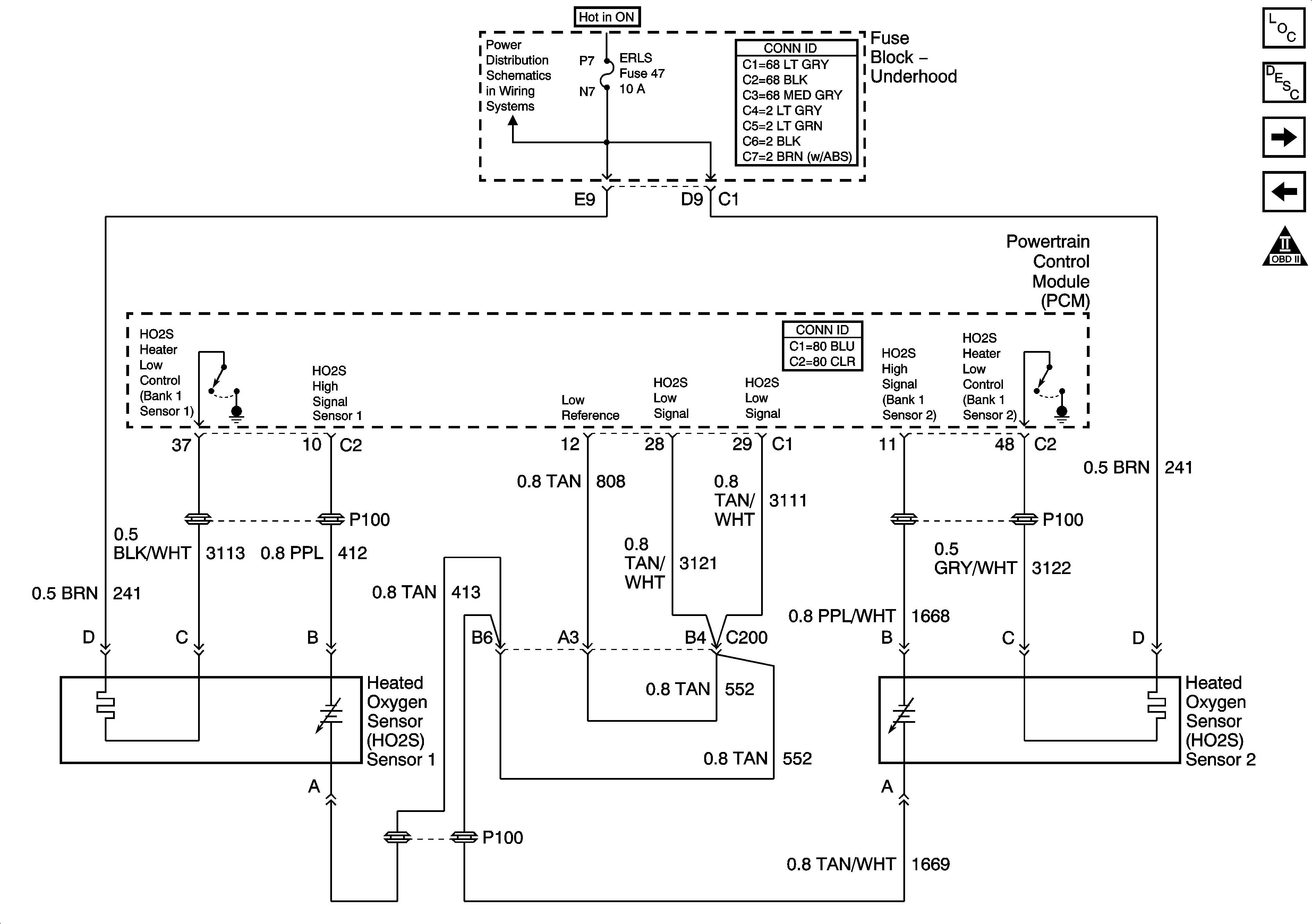
🢒 Heated Oxygen Sensors
Heated Oxygen Sensors
Heated Oxygen Sensors
Master Electrical Component List
Powertrain Control Module Description
Ignition System
Engine Data Sensors-Pressure and Temperature
Engine Controls Schematic Icons
IGN SW BATT1, ERLS, HTR-A/C and CRANK Fuses