GM Service Manual Online
For 1990-2009 cars only
Makes
🢒
Pontiac
🢒
2005
🢒
Grand Am
🢒 EVAP Controls and EGR
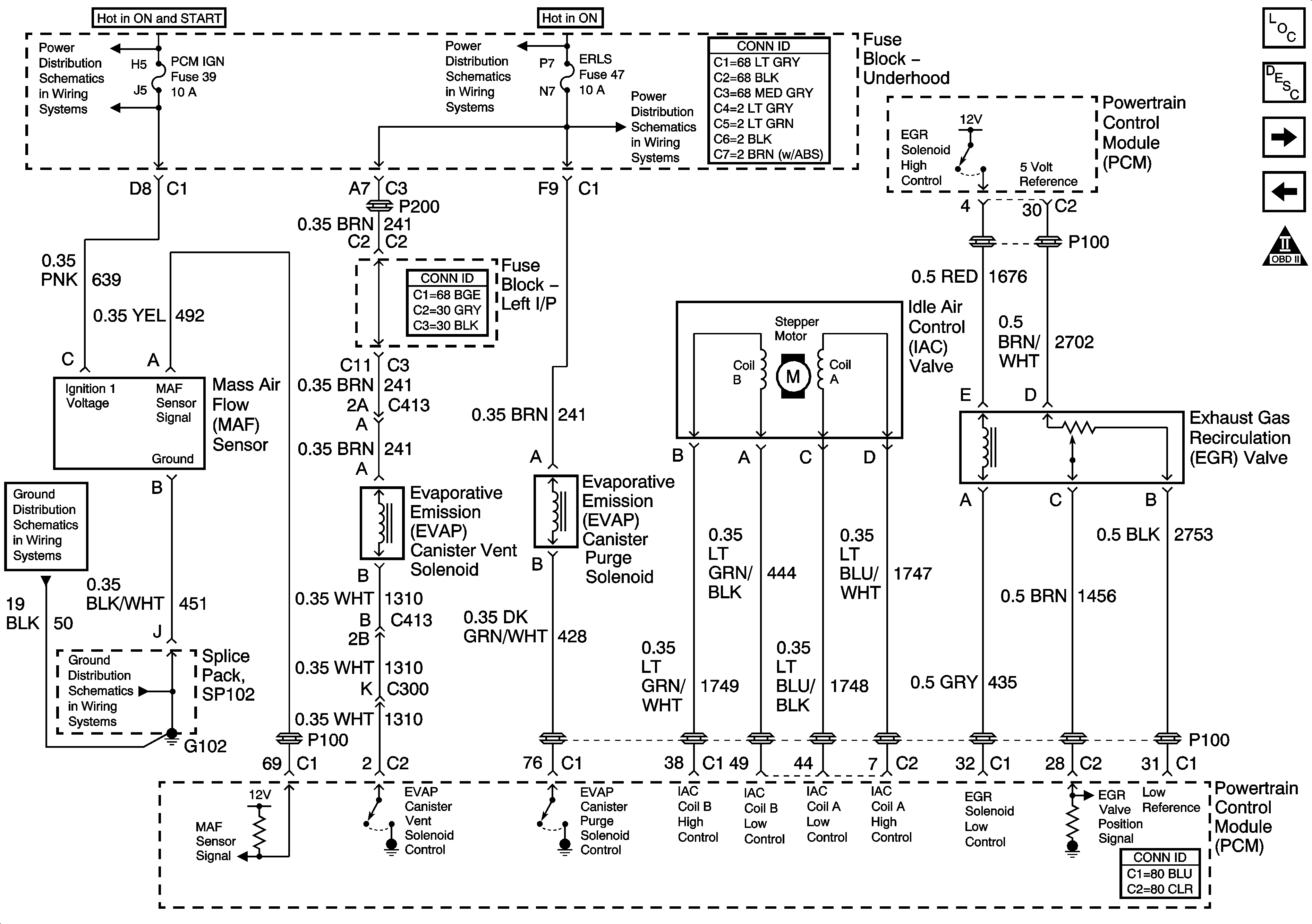
EVAP Controls and EGR
EVAP Controls and EGR
Master Electrical Component List
Evaporative Emission Control System Description
Controlled/Monitored Subsystem References
Fuel Injectors
Engine Controls Schematic Icons
IGN SW-BATT2, WIPER, AIR BAG, TURN LPS, IGN MOD, B/U LP/BTSI, PCM IGN, F/P INJR, A/C BFC, AUTO TRANS, ABS/EVO/IGN Fuses
IGN SW BATT1, ERLS, HTR-A/C and CRANK Fuses
IGN SW BATT1, ERLS, HTR-A/C and CRANK Fuses
G102 and G104
G102 and G104