GM Service Manual Online
For 1990-2009 cars only
Makes
🢒
Pontiac
🢒
2005
🢒
Grand Am
🢒 Transmission Solenoids, VSS and TCC Brake Switch
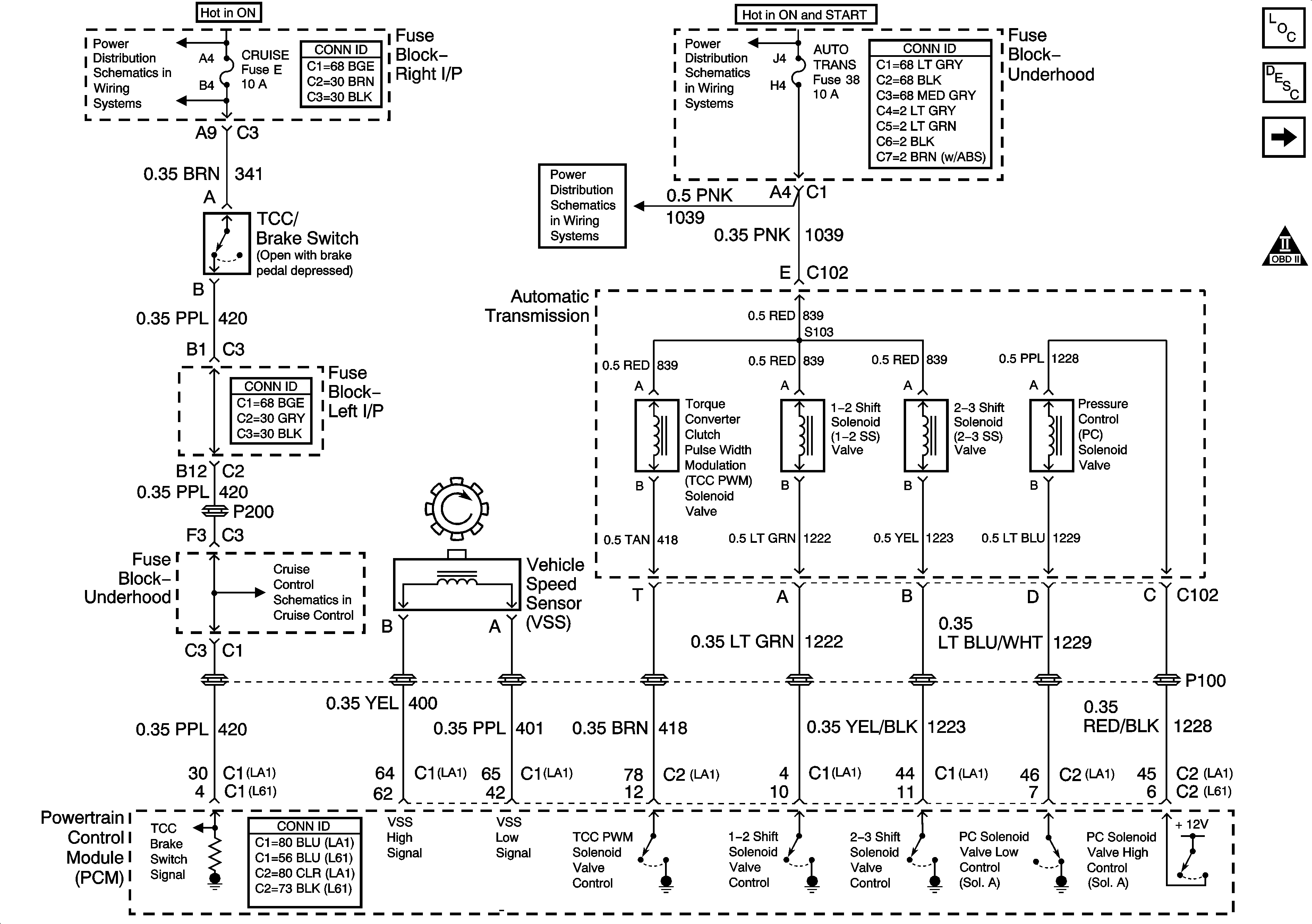
Transmission Solenoids, VSS and TCC Brake Switch
Transmission Solenoids, VSS and TCC Brake Switch
Master Electrical Component List
Transmission Component and System Description
Transmission Switches, TFT and A/T ISS Sensor
Automatic Transmission Schematic Icons
PWR WNDW Circuit Breaker, CRUISE SW, CRUISE, SUNROOF, HVAC BLOWER Fuses
IGN SW-BATT2, WIPER, AIR BAG, TURN LPS, IGN MOD, B/U LP/BTSI, PCM IGN, F/P INJR, A/C BFC, AUTO TRANS, ABS/EVO/IGN Fuses
IGN SW-BATT2, WIPER, AIR BAG, TURN LPS, IGN MOD, B/U LP/BTSI, PCM IGN, F/P INJR, A/C BFC, AUTO TRANS, ABS/EVO/IGN Fuses
Power and Ground