GM Service Manual Online
For 1990-2009 cars only
Makes
🢒
Pontiac
🢒
2005
🢒
Grand Am
🢒 Cooling Fans
Cooling Fans
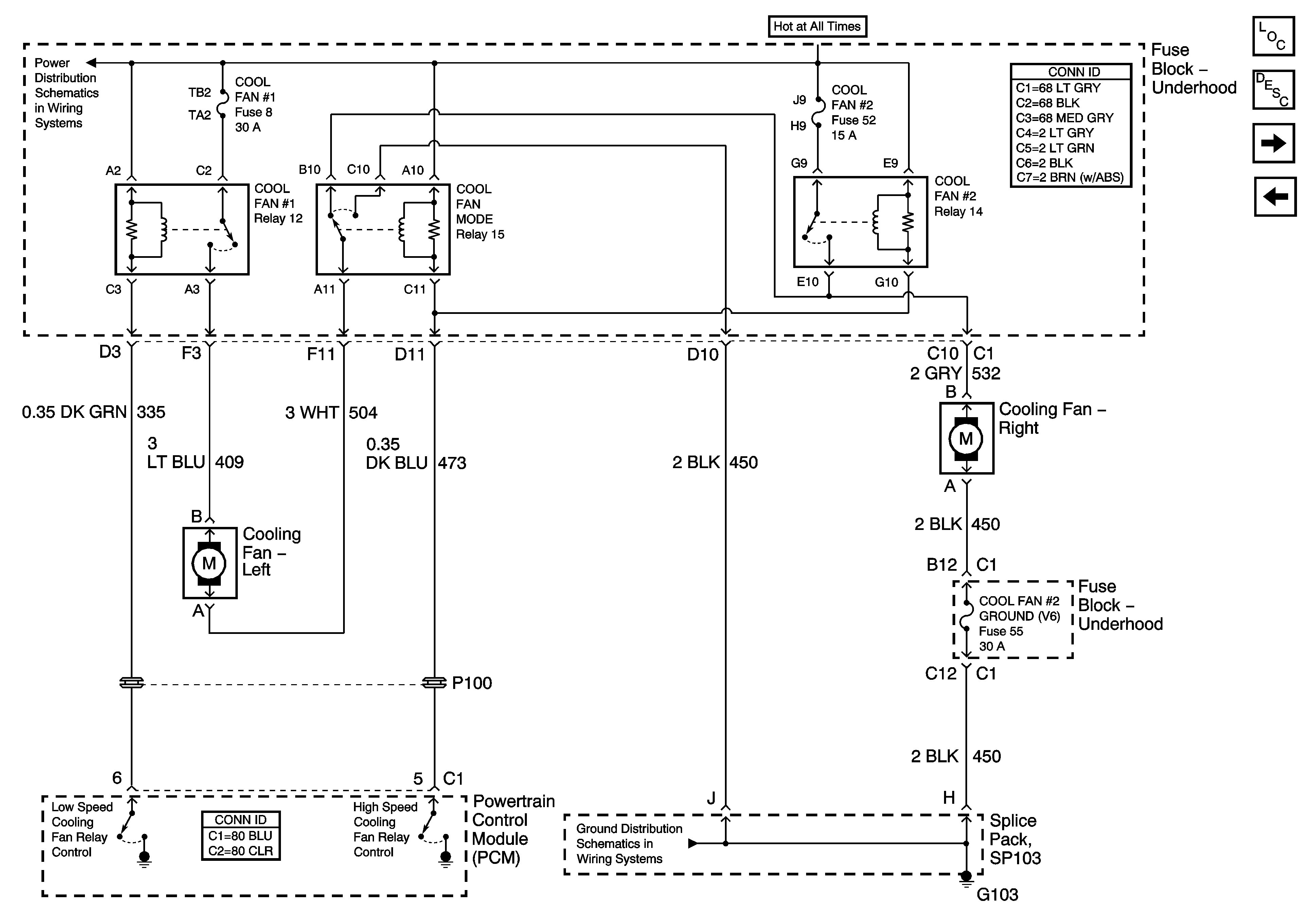
Cooling Fans - LA1
Master Electrical Component List
Cooling System Description and Operation
Coolant Indicators
Cooling Fans - L61
B+ Bus Bar
G103 and G105