GM Service Manual Online
For 1990-2009 cars only
Makes
🢒
Pontiac
🢒
2006
🢒
Grand Am
🢒
Body
🢒
Wiring Systems
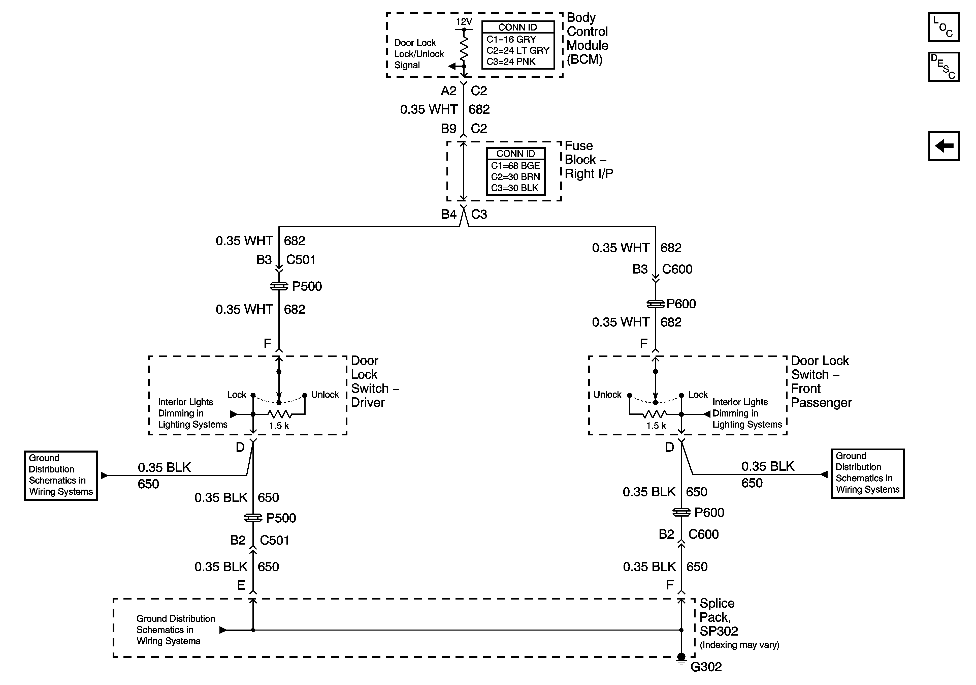
🢒 Door Lock/Indicator Schematics
Figure
1:
Door Lock Motors
Figure
2:
Door Lock Switches