GM Service Manual Online
For 1990-2009 cars only
Figure 1:

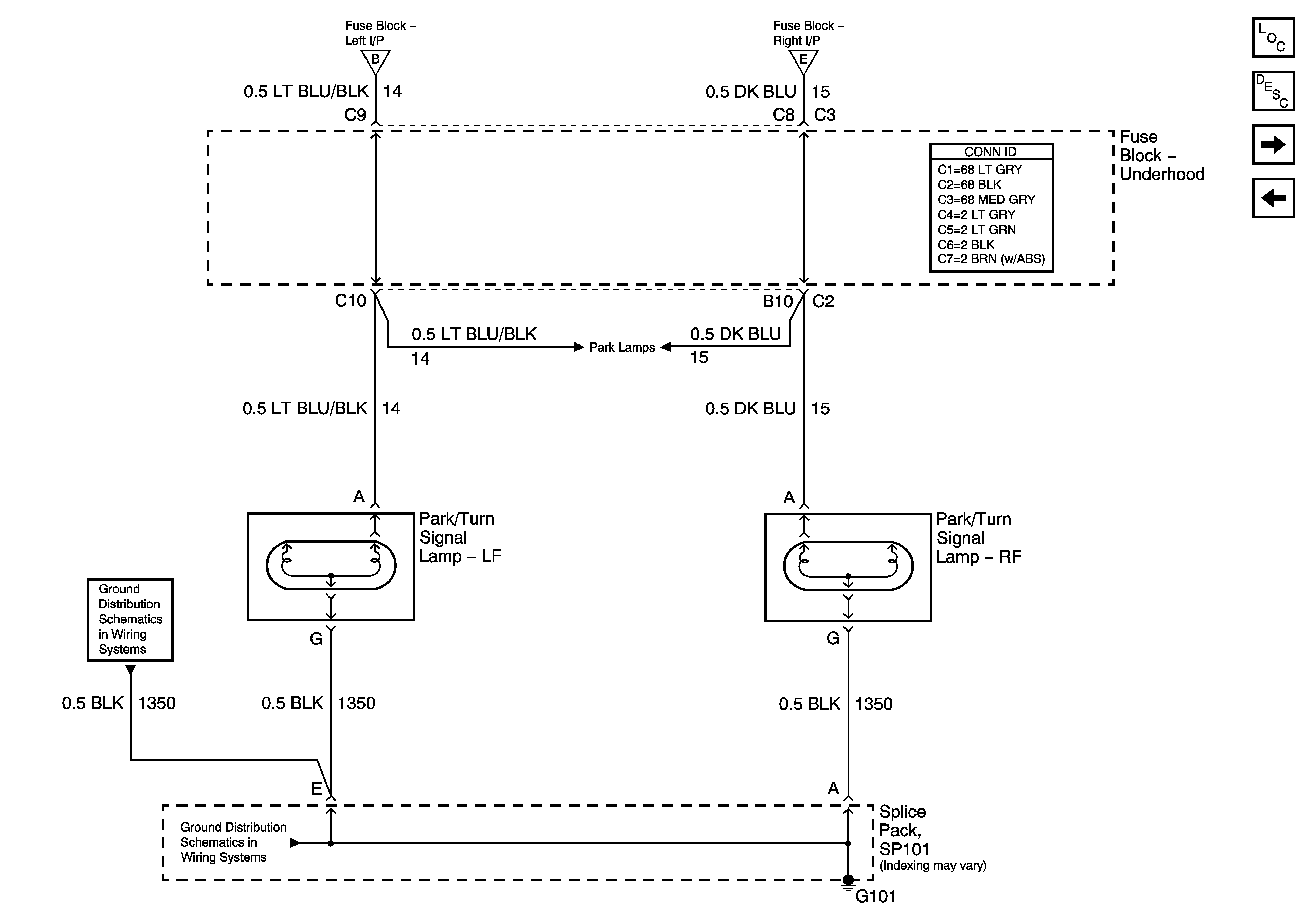
Park Lamps - Front


Object Number: 1392120  Size: FS
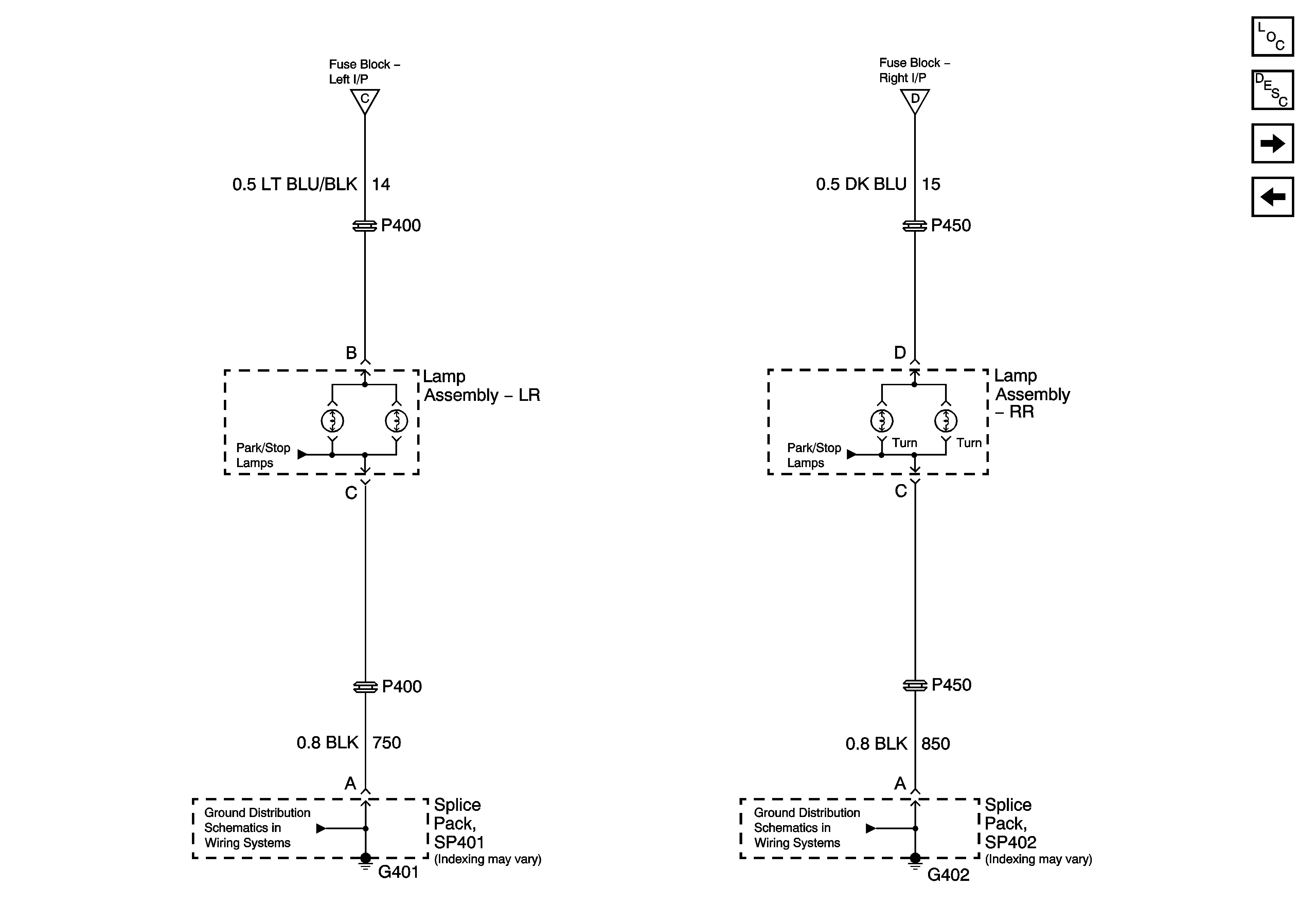
Figure 2:

Park Lamps - Rear


Object Number: 793752  Size: FS
Figure 3:

Switches and Indicators


Object Number: 1392122  Size: FS
Figure 4:

Turn Signal Lamps - Front


Object Number: 1392124  Size: FS
Figure 5:

Turn Lamps - Rear Lamp Assemblies


Object Number: 1392126  Size: FS
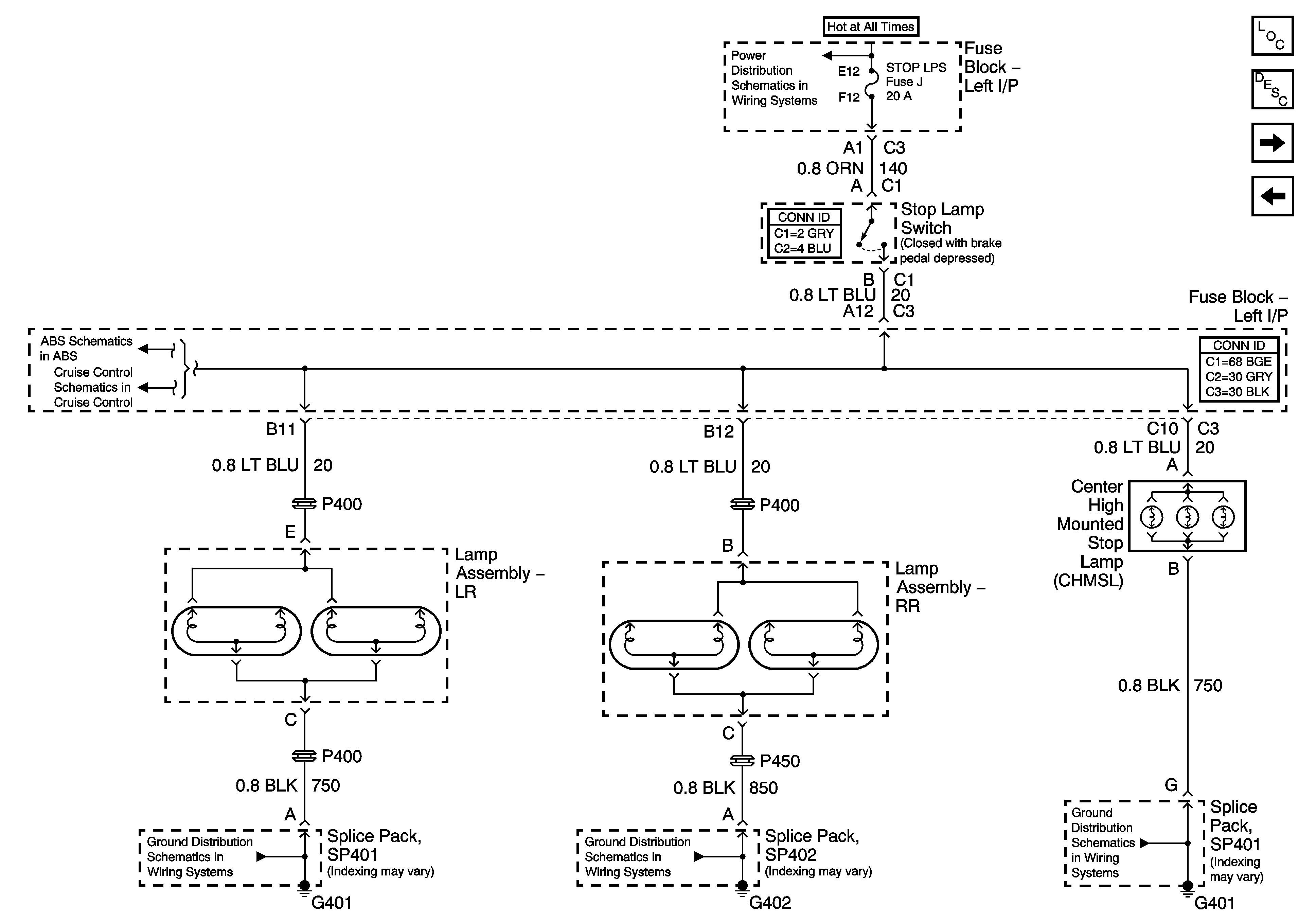
Figure 6:

Stop Lamps


Object Number: 1392128  Size: FS
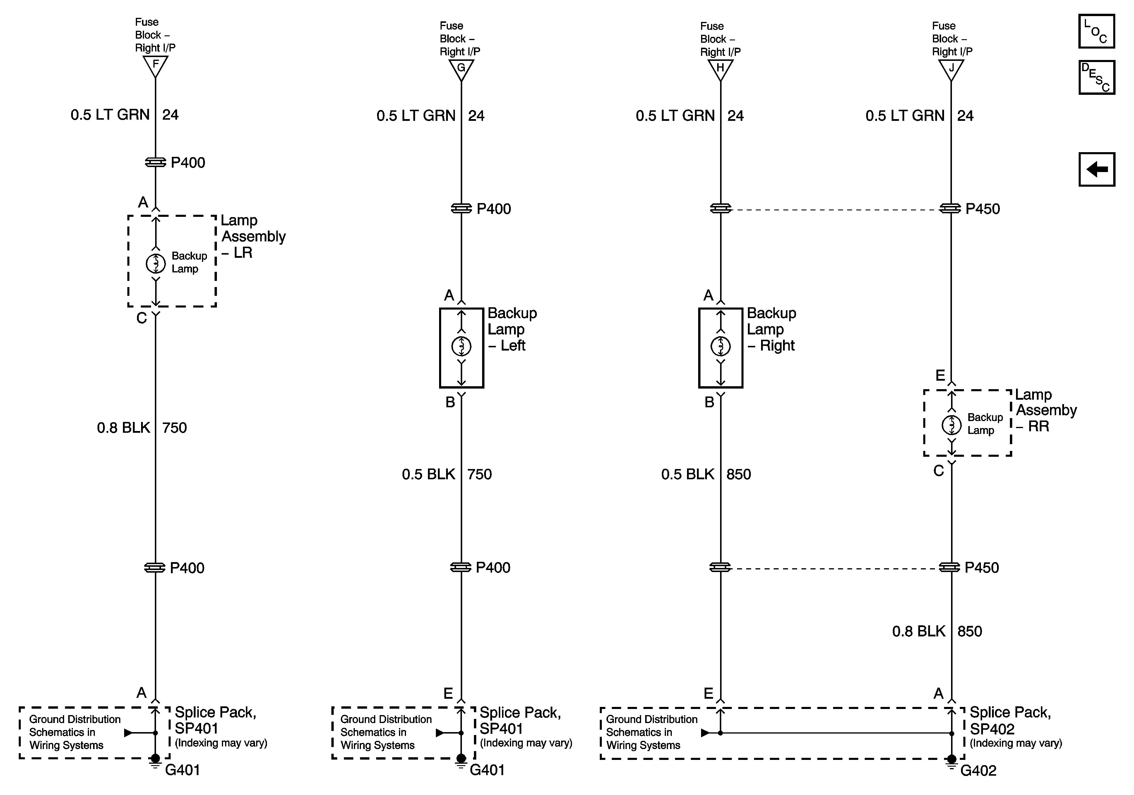
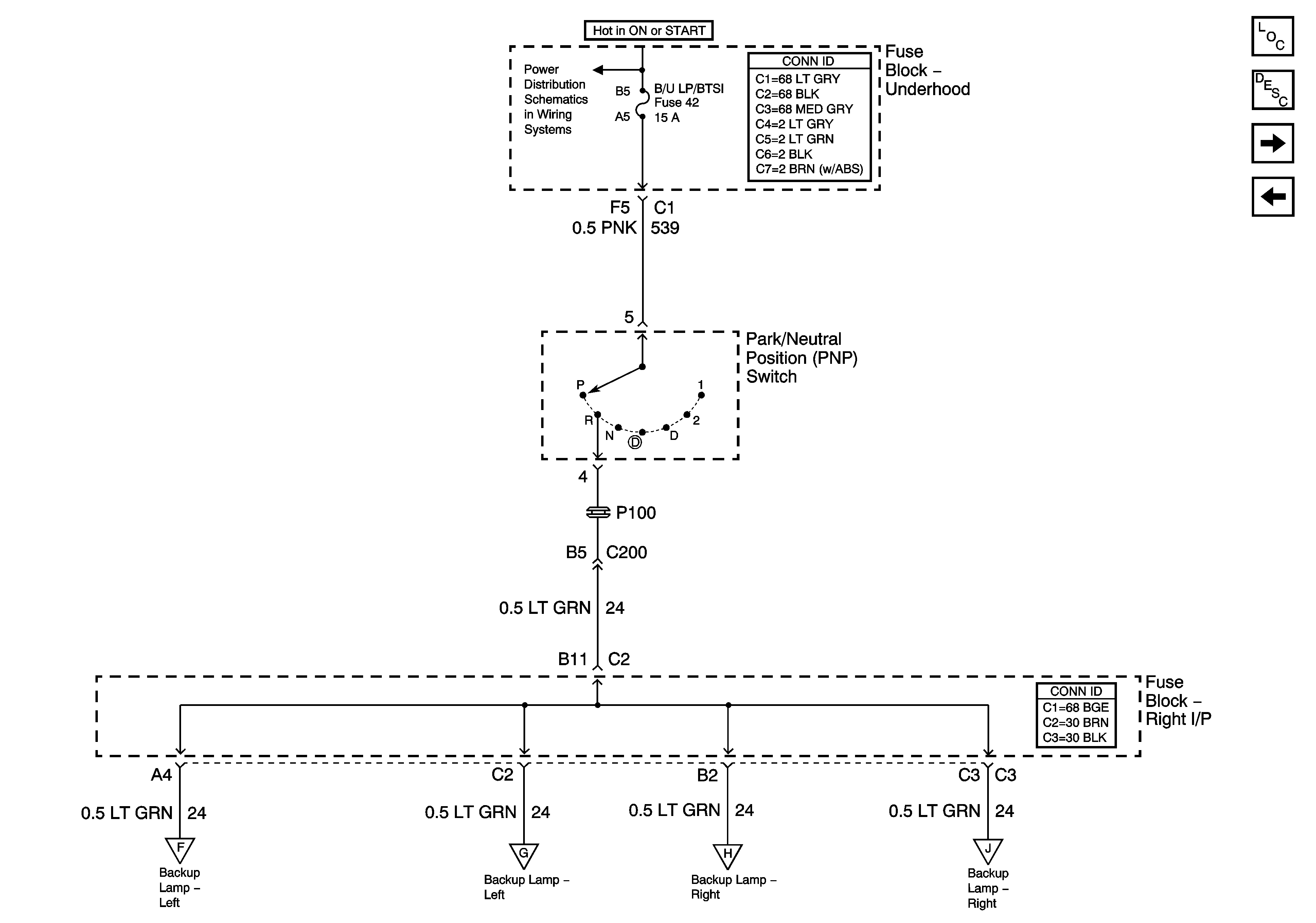
Figure 7:

Backup Lamps - 1 of 2


Object Number: 1392131  Size: FS
Figure 8:

Backup Lamps - 2 of 2


Object Number: 1393439  Size: FS