GM Service Manual Online
For 1990-2009 cars only

POWERMASTER BRAKE ASSEMBLY EXCHANGE PROGRAM

VEHICLES AFFECTED: 1985 And 1986 Regal 'T' Type (Turbo Engine); 1986 'B' Series Station Wagons

Seal kits and component parts will not be available to dealers to service the 1985 and 1986 Powermaster Brake Assembly.

If a Powermaster Unit or any of its components require repair or replacement, an assembly is available from GMWDD on their Parts Exchange Plan under the following part numbers:

Exchange Unit Vehicle Usage Part Number ------------- ------------- 1985 Regal 'T' Type 18013318 1986 Regal 'T' Type 18013685 1986 'B' series Station Wagons 18013682

Effective with this bulletin the 1985 Regal 'T' Type Powermaster Exchange units will no longer be available from the Technical Assistance Centre.

The Powermaster Assembly Package from GMWDD will contain the following items:

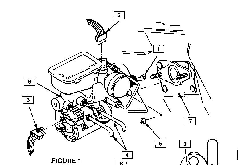
1 - Powermaster Assembly (Items 17 and 44 shown in Figure 1) 1 - Pre-addressed return shipping label *1 - Information Data Sheet 1 - Instruction Sheet

* A copy of this data sheet is included with this bulletin.

IT IS IMPORTANT THAT FUNCTIONAL TEST RESULTS BE RECORDED PRIOR TO REMOVAL OF THE ORIGINAL POWERMASTER ASSEMBLY FROM A VEHICLE SO THAT THE FUNCTIONAL TEST RESULTS CAN BE LISTED ON THE DATA SHEET WHEN IT IS RETURNED WITH THE REPLACED UNIT.

The replaced (original) Powermaster Unit is to be carefully packaged in the container the new unit was received; data sheet completely filled out, and enclosed with the unit.

PRELIMINARY EVALUATION TO DETERMINE NEED FOR EXCHANGE

The following outline indicates preliminary checks required to diagnose a Powermaster to determine the need for an exchange unit.

IF THE POWERMASTER PUMP RESERVOIR FLUID LEVEL CHECKING PROCEDURE IS NOT FOLLOWED, THE RESERVOIR MAY BE OVERFILLED. ANY OVERFILLED PUMP RESERVOIR WILL CAUSE FLUID TO LEAK OUT OF THE VENTS AND COULD RESULT IN AN INCORRECT DIAGNOSIS OF A LEAK.

A. Check the pump reservoir fluid level using the following procedures:

1. Turn ignition switch off.

2. Apply medium force to the brake pedal ten (10) times.

STEP 2 IS REQUIRED TO ALLOW THE BRAKE FLUID IN THE ACCUMULATOR TO RETURN TO THE RESERVOIR PRIOR TO CHECKING THE CORRECT LEVEL.

3. Clean reservoir cover of all dirt.

4. Remove reservoir cover and check fluid level. Refer to Figure 2.

a. Fluid level in both sides of reservoir should be between the maximum and minimum indicator marks.

b. If fluid level is low, fill to 'full' mark(s) with only clean new brake fluid meeting DOT 3 specifications.

B. Verify electrical power to the Powermaster Unit and the presence of proper ground circuits. Refer to Figure 3.

C. Install J-35126 test gauge adapter and perform 1986 Chassis Service Manual Functional Check and Diagnostic Procedure (Section 5D4).

The acceptable values for the Functional Check are:

Time to charge from 0 psi to:

Pump switch 'off' - 20 seconds max. - Sequence No.1

Pump switch 'off' pressure - 634 to 73 psi (4.378-5.068 kPa) - Sequence No. 2

Pump switch 'on' pressure - 490 to 530 psi (3.378-3.654 kPa) - Sequence No. 3

Time between pump cycles with:

'Steady brake apply & hold' - 30 seconds min. - Sequence No. 4

WARNING

switch 'on' pressure - 355 to 435 psi (2.448 - 2.999 kPa) - Sequence No. 5

*Accumulator precharge pressure - 200 to 330 psi (1.379-2.275 kPa) - Sequence No. 6

Time to charge between Pump switch 'on/off' - 10 seconds max. - Sequence No. 8

*Fluid temperature in accumulator at 16-27 deg C (60-80 deg F).

If functional check procedures do not at this time show cause for unit removal, continue diagnosis for leaks, poor brake bleed, poor brake adjust- ment, pump noise (excessive). Adjust and repair all faults external to Power- master before installing an exchange unit.


Object Number: 89039  Size: MF


Object Number: 89396  Size: MF


Object Number: 93500  Size: SF


Object Number: 89921  Size: MF


Object Number: 86108  Size: FS

General Motors bulletins are intended for use by professional technicians, not a "do-it-yourselfer". They are written to inform those technicians of conditions that may occur on some vehicles, or to provide information that could assist in the proper service of a vehicle. Properly trained technicians have the equipment, tools, safety instructions and know-how to do a job properly and safely. If a condition is described, do not assume that the bulletin applies to your vehicle, or that your vehicle will have that condition. See a General Motors dealer servicing your brand of General Motors vehicle for information on whether your vehicle may benefit from the information.