GM Service Manual Online
For 1990-2009 cars only

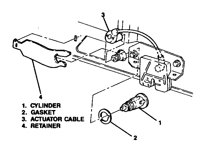
DECK LID CABLE MALFUNCTION DURING OPENING AND CLOSING

_ DECK LID CABLE MALFUNCTION DURING OPENING AND CLOSING OF THE DECK LID

Models Affected: 1988 GRAND PRIX

Customers may comment about deck lid cable malfunction during opening and closing operation of the deck lid. This can be eliminated by the following procedure:

1. Cut the existing cable housing and remove cable from lock cylinder. 2. Remove 2 bolts securing lock assembly latch. 3. Remove lock assembly and remove cable from lock. 4. Install new cable, P/N 10127744, to lock and install lock assembly to lid. 5. Install other end of cable to lock cylinder. 6. Check the opening and closing operation of the deck lid.

WARRANTY INFORMATION

Labor Operation: T1343 Labor Time : 0.3 Hours


Object Number: 89521  Size: MF

General Motors bulletins are intended for use by professional technicians, not a "do-it-yourselfer". They are written to inform those technicians of conditions that may occur on some vehicles, or to provide information that could assist in the proper service of a vehicle. Properly trained technicians have the equipment, tools, safety instructions and know-how to do a job properly and safely. If a condition is described, do not assume that the bulletin applies to your vehicle, or that your vehicle will have that condition. See a General Motors dealer servicing your brand of General Motors vehicle for information on whether your vehicle may benefit from the information.