GM Service Manual Online
For 1990-2009 cars only

INFORMATION ON POWER MASTER III BRAKE SYSTEM WITH ABS

SUBJECT: INFORMATION ON POWERMASTER III BRAKE SYSTEM

MODELS: 1988-91 PONTIAC GRAND PRIX 1988-91 OLDSMOBILE CUTLASS SUPREME 1988-91 BUICK REGAL

THIS BULLETIN PROVIDES SUPPLEMENTAL INFORMATION THAT WILL HELP CORRECTLY DIAGNOSE AND RESOLVE CONCERNS WITH THE POWERMASTER III BRAKE SYSTEM ON 1988-91 "W" CARS WITH ABS. IT ALSO PROVIDES A LISTING OF ALL KITS AVAILABLE TO SERVICE THE POWERMASTER III UNIT. A TECHNICAL ASSISTANCE HOTLINE (1-800-523-0203) IS AVAILABLE TO FURTHER ASSIST IN PROBLEM RESOLUTION.

CONDITION #1:

OWNERS OF SOME 1988-91 "W" CARS EQUIPPED WITH ABS MAY EXPERIENCE A BRAKE PEDAL RETURN CONDITION. THE STOP LAMPS MAY ALSO STAY ILLUMINATED IN CONJUNCTION WITH THIS CONCERN.

DIAGNOSTICS:

A. CHECK BRAKE PEDAL FREE BACK TRAVEL WHEN PULLING BACK LIGHTLY ON PEDAL (NO MORE THAN 20 LBS. FORCE).

B. CHECK STOP LAMP SWITCH ADJUSTMENT. CHECK FOR STOP LAMPS BEING ILLUMINATED WITHOUT APPLYING BRAKES. IF STOP LAMPS ARE NOT ILLUMINATED, MEASURE HOW FAR BRAKE PEDAL TRAVELS UNTIL STOP LAMPS ILLUMINATE.

C. MAKE A NORMAL BRAKE APPLY AND THEN A VERY SLOW RELEASE.

RESULT:

A. FREE BACK TRAVEL IS MORE THAN 6 MM (1/4 IN.).

B. STOP LAMPS ILLUMINATE IN LESS THAN 10 MM (3/8 IN.) OF PEDAL TRAVEL OR ARE ILLUMINATED CONSTANTLY.

C. BRAKE PEDAL DOES NOT RETURN TO ITS ORIGINAL POSITION.

CORRECTIVE ACTION:

A. PULL POWERMASTER III UNIT AWAY FROM COWL. IF PUSH ROD IS NOT ATTACHED FIRMLY, REPLACE PUSH ROD RETAINER (P/N 18020694).

B. ADJUST STOP LAMP SWITCH PER SERVICE MANUAL INSTRUCTIONS.

C. SEE CORRECTIVE ACTION STEP #1 BELOW.

CORRECTIVE ACTION STEPS:

STEP #1 - BRAKE PEDAL DOES NOT RETURN TO ITS ORIGINAL POSITION.

A. REPAIR THE UNIT WITH POWERMASTER REPAIR KIT P/N 18017614.

NOTE: IT IS CRITICAL TO FOLLOW THE POWERMASTER III OVERHAUL PROCEDURE THAT IS INCLUDED WITH THE KIT. PROCEDURE FOR POWERMASTER III UNITS WITH STOP PIN (FIGURE 1) IS DIFFERENT THAN PROCEDURE FOR UNITS WITHOUT STOP PIN. ALL 1990 AND 1991 VEHICLES SHOULD HAVE THE STOP PIN.

NOTE: PROPER SEATING OF THE CONDUIT RETAINER DURING POWERMASTER III ASSEMBLY IS CRITICAL. IF THE POWERMASTER III UNIT DOES NOT HAVE A STOP PIN (FIGURE 1), PROPER SEATING OF THE CONDUIT RETAINER CANNOT BE VERIFIED UNTIL AFTER UNIT INSTALLATION ON VEHICLE AND TEST.

NOTE: WHEN A POWERMASTER III UNIT WITH A STOP PIN (FIGURE 1) IS DEPRESSURIZED, A HARD MANUAL BRAKE APPLY SHOULD BE THE LAST STEP BEFORE RECHARGING THE SYSTEM.

CONDITION #2:

WHEN CHANGING BRAKE PADS OR BLEEDING THE BRAKES, THERE MAY BE A PROBLEM GETTING PRESSURE TO THE LEFT FRONT BRAKE.

CAUSE:

THE MASTER CYLINDER RETURN SPRING FORCE MAY NOT BE SUFFICIENT TO RETURN PISTONS WHEN BRAKE SYSTEM IS SUBJECTED TO A VACUUM.

CORRECTIVE ACTION STEPS

NOTE: WHENEVER POSSIBLE, IT IS DESIRABLE TO PRESSURE BLEED THE BRAKES PER SERVICE MANUAL PROCEDURE.

STEP #1 - LOW OR NO FLUID PRESSURE GETTING TO FRONT LEFT BRAKE.

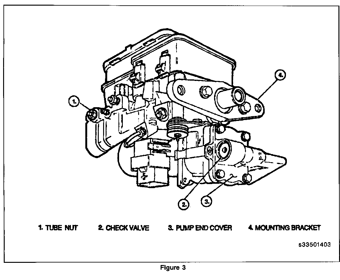
A. IF PRESSURE BLEEDING IS NOT POSSIBLE, THE PROBLEM MAY BE RESOLVED BY LOOSENING THE LEFT FRONT MASTER CYLINDER TUBE NUT (FIGURE 3). LEAVE OPEN UNTIL FLUID STARTS TO DRIP OUT AND THEN TIGHTEN TUBE NUT. IT MAY BE HELPFUL TO REMOVE MASTER CYLINDER RESERVOIR COVER AND TO LIGHTLY PULL BACK ON PEDAL TO ACHIEVE FULL RETURN OF THE MASTER CYLINDER PISTON. IT MAY TAKE UP TO A MINUTE BEFORE FLUID GRAVITY FLOWS OUT OF THE PORT. SEVERAL APPLIES AND RELEASES AFTER THE TUBE NUT IS TIGHTENED WILL HELP BLEED OUT ANY AIR IN THE MASTER CYLINDER.

B. IF ADDITIONAL MANUAL BLEEDING OF FRONT MASTER CYLINDER CIRCUIT IS NECESSARY, TRY SHORTER APPLIES (ABOUT 1/2 OF FULL TRAVEL) TO HELP MASTER CYLINDER TO COMPENSATE. IT MAY BE REQUIRED TO REPEAT STEP A ABOVE TO ACHIEVE COMPENSATION.

C. THE ABOVE ACTION SHOULD ALLOW PROPER BLEEDING OF THE MASTER CYLINDER CIRCUIT. IF THIS SHOULD FAIL, VEHICLES CAN BE REPAIRED WITH THE POWERMASTER REPAIR KIT 18017614 (PER CORRECTIVE ACTION FOR PEDAL RETURN CONCERN).

NOTE: PROPER BLEEDING OF THE POWERMASTER III IS IMPORTANT TO BOTH PEDAL TRAVEL AND PEDAL FEEL. FOLLOWING SERVICE MANUAL PROCEDURE IS IMPORTANT TO ACHIEVING GOOD PEDAL FEEL. WHEN MANUALLY (KEY ON) BLEEDING THE REAR BRAKES, THE ACCUMULATOR MUST BE PRESSURIZED.

NOTE: DISREGARD SERVICE MANUAL INSTRUCTIONS TO BLEED BRAKE SYSTEM AFTER REPLACING ACCUMULATOR OR PRESSURE SWITCH ON THE VEHICLE. IT IS NOT NECESSARY TO BLEED THE BRAKE SYSTEM WHEN ONLY THE PRESSURE SWITCH OR ACCUMULATOR IS REPLACED. POWERMASTER III UNIT MUST BE DEPRESSURIZED BEFORE SERVICING. ---------------------

CONDITION #3:

POWERMASTER III UNIT HAS POSSIBLE INTERNAL LEAKAGE AS DIAGNOSED BY ABS WARNING LIGHT WITH CODES 32, 56 OR 35 BEING STORED IN CONTROLLER (THESE CODES RESULT FROM PUMP CYCLING BETWEEN BRAKE APPLIES OR PUMP RUNNING CONTINUOUSLY). THE DIAGNOSTICS BELOW ARE MEANT TO SUPPLEMENT VEHICLE SERVICE MANUAL INFORMATION.

CORRECTIVE ACTION STEPS:

STEP #1 - CONFIRM IF INTERNAL LEAKAGE IS PRESENT

A. USE J37118 GAGE TO MONITOR ACCUMULATOR PRESSURE IF GAGE IS AVAILABLE.

B. TURN IGNITION ON AND ALLOW PUMP TO CHARGE ACCUMULATOR.

C. IF PUMP DOES NOT SHUT OFF WITHIN 40 SECONDS, LEAVE IGNITION ON AND GO TO STEP #2 BELOW TO DETERMINE SOURCE OF LEAK. LEAVE IGNITION ON IF PROCEEDING TO STEP D BELOW.

NOTE: IF DIAGNOSING WITHOUT J37118 GAGE, DO NOT PERFORM STEP D, GO TO STEP E BELOW.

D. WITH IGNITION ON, OBSERVE PRESSURE READING AFTER PUMP SHUTS OFF. THE PRESSURE SHOULD STABILIZE WITHIN 200 PSI OF THE PRESSURE AT TIME OF PUMP SHUT OFF. IF PRESSURE DOES NOT STABILIZE WITHIN 200 PSI, LEAVE IGNITION ON AND GO TO STEP #2 BELOW.

E. IF LEAKAGE IS OCCURRING, THE PUMP WILL SELF CYCLE WITHIN 10 MINUTES OF PUMP SHUTOFF (WITH OR WITHOUT J37118 GAGE).

STEP #2 - DETERMINE SOURCE OF LEAK

NOTE: FOR STEPS A THROUGH C BELOW, LEAVE IGNITION ON AND DO NOT APPLY BRAKES.

A. REMOVE RESERVOIR COVER AND PLACE A CLEAR TUBE OVER BOOSTER RETURN PORT 54 (FIGURE 2). IF FLUID RISES IN TUBE, THERE IS LEAKAGE IN THE POWER PISTON ASSEMBLY. REPAIR POWERMASTER III UNITS WITH POWER PISTON KIT P/N 18017615 AND POWERMASTER REPAIR KIT P/N 18017614.

B. PLACE A CLEAR TUBE OVER PUMP INLET PORT 55 (FIGURE 2). IF FLUID RISES IN TUBE, THE CHECK VALVE (FIGURE 3) IS LEAKING. REPAIR WITH CHECK VALVE ASSEMBLY KIT P/N 18019383.

C. PLACE A CLEAR TUBE OVER RELIEF VALVE 9 (FIGURE 2). IF FLUID RISES IN TUBE, THE RELIEF VALVE IS LEAKING. REPAIR WITH RELIEF VALVE ASSEMBLY KIT P/N 18015129.

NOTE: SERVICE MANUAL INSTRUCTIONS FOR PUMP RUN TIME TOO LONG ARE COMPLETE EXCEPT THAT IT IS NOW POSSIBLE TO REPAIR BOOSTER RETURN PORT 54 (FIGURE 2) LEAKS WITH POWER PISTON ASSEMBLY KIT P/N 18017615.

NOTE: THE INSTRUCTIONS FOR PUMP OFF TIME TOO SHORT ARE CORRECT BUT DO NOT ALLOW FOR LEAK CHECKS WITHOUT APPLYING BRAKES AND DO NOT INSTRUCT TO CHECK LEAKAGE THROUGH THE RESERVOIR PORTS. IT ALSO DOES NOT SPECIFY THE KITS WHICH ARE NOW AVAILABLE TO SERVICE THE UNIT.

CONDITION 4:

EXTERNAL LEAKAGE OR LOSS OF FLUID IN RESERVOIR REPORTED.

CAUSE:

LEAKAGE UNDERNEATH AND TO THE REAR OF THE POWERMASTER III UNIT IS LIKELY TO BE CAUSED BY A LEAKING CHECK VALVE (FIGURE 3) OR PUMP END COVER (FIGURE 3). AN ADDITIONAL SOURCE OF LEAKS IS THE SEAL AT THE REAR OF THE MASTER CYLINDER, CAUSING LEAKAGE BETWEEN THE REAR OF THE MASTER CYLINDER BODY AND THE MOUNTING BRACKET (FIGURE 3).

CORRECTIVE ACTION STEPS

NOTE: REFER TO SERVICE MANUAL FOR DEPRESSURIZATION, CHECKING FLUID LEVEL AND CHECKING LOCATION OF LEAKS. ONCE SOURCE OF LEAKAGE IS LOCATED, IT IS NOW POSSIBLE TO FIX MOST LEAKS WITH KITS.

STEP #1 - DETERMINE SOURCE OF LEAK

A. IF LEAK IS AROUND HEAD OF CHECK VALVE (FIGURE 3), REPLACE CHECK VALVE ASSEMBLY WITH A NEW CHECK VALVE ASSEMBLY (P/N 18019383).

B. IF PUMP END COVER (FIGURE 3) IS CRACKED OR LEAKING, REPAIR WITH END COVER ASSEMBLY KIT 18019965 (INCLUDES NEW CHECK VALVE).

C. IF LEAKAGE OCCURS AT THE BACK OF POWERMASTER III UNIT AT MOUNTING BRACKET (FIGURE 3), REPAIR WITH POWERMASTER REPAIR KIT P/N 18017614. (SEE PEDAL RETURN CORRECTIVE ACTION ELSEWHERE IN THIS BULLETIN FOR PROPER APPLICATION OF THIS KIT).

D. THE FOLLOWING KITS ARE ALSO AVAILABLE TO REPAIR EXTERNAL LEAKS:

P/N DESCRIPTION

18017124 TUBE AND NUT ASSEMBLY 18015035 RESERVOIR HOSE 18015122 RESERVOIR ASSEMBLY 18015126 RESERVOIR COVER ASSEMBLY 18020557 SOLENOID GROMMET KIT

REFERENCE:

1. PARTS:

THE FOLLOWING IS A COMPLETE LISTING OF ALL COMPONENTS AVAILABLE TO REPAIR POWERMASTER III UNITS.

P/N DESCRIPTION

18017169 POWERMASTER III ASSEMBLY 18014695 PUMP AND MOTOR ASSEMBLY 18013988 PRESSURE SWITCH ASSEMBLY 18013994 ACCUMULATOR ASSEMBLY 18015035 RESERVOIR HOSE 18015122 RESERVOIR ASSEMBLY 18015126 RESERVOIR COVER ASSEMBLY 18015129 RELIEF VALVE ASSEMBLY 18016317 MOTOR RELAY 18017124 TUBE AND NUT ASSEMBLY 18017614 POWERMASTER REPAIR KIT 18017615 POWER PISTON ASSEMBLY 18019383 CHECK VALVE ASSEMBLY 18019965 PUMP END COVER ASSEMBLY KIT 18020694 PUSH ROD RETAINER 18015258 PROPORTIONING VALVE (EXTERNAL TO POWERMASTER III UNIT) 10478300 FRONT SOLENOID 01997172 REAR SOLENOID 18020557 SOLENOID GROMMET KIT 18014581 PUSH ROD ASSEMBLY 18012741 FLUID LEVEL SENSOR 18013794 BLEEDER VALVE

PART AVAILABILITY:

PARTS ARE CURRENTLY AVAILABLE FROM GMSPO.

WARRANTY INFORMATION:

LABOR OPERATION: H2518 - USE APPLICABLE LABOR TIME ADD: 1.0 HR. TO REBUILD UNIT

FIGURES: 3


Object Number: 81213  Size: FS


Object Number: 81212  Size: FS


Object Number: 83097  Size: FS

GENERAL MOTORS BULLETINS ARE INTENDED FOR USE BY PROFESSIONAL TECHNICIANS, NOT A "DO-IT-YOURSELFER". THEY ARE WRITTEN TO INFORM THOSE TECHNICIANS OF CONDITIONS THAT MAY OCCUR ON SOME VEHICLES, OR TO PROVIDE INFORMATION THAT COULD ASSIST IN THE PROPER SERVICE OF A VEHICLE. PROPERLY TRAINED TECHNICIANS HAVE THE EQUIPMENT, TOOLS, SAFETY INSTRUCTIONS AND KNOW-HOW TO DO A JOB PROPERLY AND SAFELY. IF A CONDITION IS DESCRIBED, DO NOT ASSUME THAT THE BULLETIN APPLIES TO YOUR VEHICLE, OR THAT YOUR VEHICLE WILL HAVE THAT CONDITION. SEE A GENERAL MOTORS DEALER SERVICING YOUR BRAND OF GENERAL MOTORS VEHICLE FOR INFORMATION ON WHETHER YOUR VEHICLE MAY BENEFIT FROM THE INFORMATION.

COPYRIGHT 1993 GENERAL MOTORS CORPORATION. ALL RIGHTS RESERVED.