GM Service Manual Online
For 1990-2009 cars only

CAMPAIGN: EXHAUST SYSTEM HEAT SHIELD (W/TURBO RPOY92)

MODELS AFFECTED 1990 GRAND PRIX SE WITH TURBO OPTION Y92

TO: ALL PONTIAC DEALERS

The National Traffic and Motor Vehicle Safety Act, as amended, provides that each vehicle which is subject to a recall campaign of this type, must be adequately repaired within a reasonable time after the owner has tendered it for repair. A failure to adequately repair within sixty days after tender of a vehicle is prima facie evidence of failure to repair within a reasonable time.

If the condition is not adequately repaired within a reasonable time, the owner may be entitled to an identical or reasonable equivalent vehicle at no charge or to a refund of the purchase price less a reasonable allowance for depreciation.

To avoid having to provide these burdensome solutions, every effort must be made to promptly schedule an appointment with each owner and to repair their vehicle as soon as possible. As you will see in reading the attached copy of the letter which is being sent to owners, the owners are being instructed to contact the Pontiac Customer Assistance Center if their dealer does not remedy the condition within five (5) days of the mutually agreed upon service date. If the condition is not remedied within a reasonable time, owners are instructed on how to contact the National Highway Traffic Safety Administration.

DEFECT INVOLVED

General Motors has determined that a defect which relates to motor vehicle safety exists in some 1990 Pontiac Grand Prix SE Turbo models (RPO-Y92). During a rear end collision, the rear exhaust system heat shield may puncture the fuel tank. If there is an external source of ignition present, this condition could result in a fire.

To prevent the possibility of this condition occurring, the rear exhaust system heat shield will be removed from the pipe assembly. GM has determined that removal of this shield will not have a detrimental effect on vehicle component durability.

VEHICLES INVOLVED

Involved are certain 1990 Grand Prix Turbo vehicles produced within the following VIN breakpoints:

Up To And Year Plant Beginning Including ---- ----- ---------- --------- 1990 Fairfax LF203024 LF250370

Involved vehicles have been identified by Vehicle Identification Number Computer Listings. Computer listings contain the complete Vehicle Identifica- tion Number, owner name and address data, and are furnished to the involved dealers with the campaign bulletin. Owner name and address data furnished will enable dealers to follow-up with owners involved in this campaign.

These listings may contain owner names and addresses obtained from State Motor Vehicle Registration Records. The use of such motor vehicle registration data for any other purpose is a violation of law in several states. Accordingly, you are urged to limit the use of this listing to the follow-up necessary to complete this campaign. Any dealer not receiving a computer listing with the campaign bulletin has no involved vehicles currently assigned.

OWNER NOTIFICATION

Owners will be notified of this campaign on their vehicles by Pontiac Division (see copy of Owner Letter included with this bulletin).

DEALER CAMPAIGN RESPONSIBILITY

Dealers are to service all vehicles subject to this campaign at no charge to owners, regardless of mileage, age of vehicle, or ownership from this time forward.

Whenever a vehicle subject to this campaign is taken into your new or used vehicle inventory, or it is in your dealership for service in the future, you should take the steps necessary to be sure the campaign correction has been made before reselling or releasing the vehicle.

Owners of vehicles recently sold from your new vehicle inventory are to be contacted by the dealer, and arrangements made to make the required modifica- tion according to instructions contained in this bulletin.

PARTS INFORMATION

No parts are required for this campaign.

SERVICE PROCEDURE

1. Hoist vehicle.

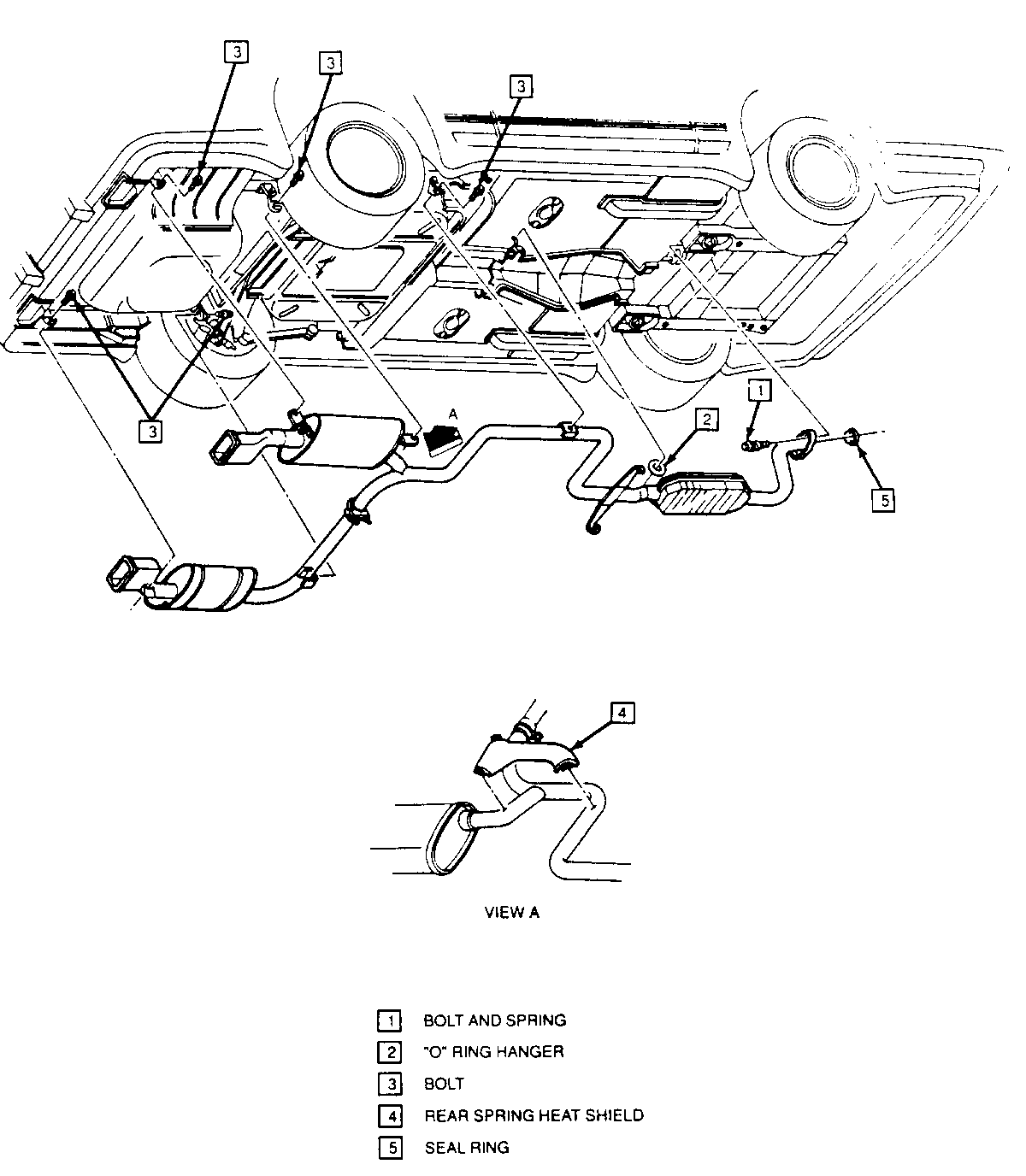
2. Remove bolts and springs (Figure 1, 1) attaching front exhaust pipe to turbocharger exhaust pipe.

3. Support exhaust system and remove the "O" ring hangers (Figure 1, 2) from the intermediate pipe.

4. Remove bolts (Figure 1, 3) attaching exhaust pipe hangers to underbody and remove exhaust system.

5. Remove rear spring heat shield (Figure 1, 4) from exhaust system, using a coarse cut standard mill file (DO NOT USE POWER TOOL). File front weld to loosen heat shield, then bend heat shield back and forth to break the rear welds and remove heat shield from exhaust pipe.

NOTICE: All sharp edges and any excess weld material must be removed to make a smooth surface.

6. Inspect downpipe exhaust seal ring (Figure 1, 5) for damage. Replace if damaged.

7. Position exhaust system to underbody and loosely install bolts (Figure 1, 3) to attach exhaust pipe hangers to underbody. Tighten bolts to 32 N.m (24 lb.ft.).

8. Install bolts and springs (Figure 1, 1) attaching front exhaust pipe to turbocharger exhaust pipe. Tighten bolts to 28 N.m (21 lb.ft.).

9. Install "O" ring hangers (Figure 1, 2) to the intermediate pipe.

10. Lower vehicle.

11. Install Campaign Identification Label.

CAMPAIGN IDENTIFICATION LABEL

Each vehicle modified in accordance with the instructions outlined in this Product Campaign Bulletin will require a "Campaign Identification Label." Each label provides a space to include the campaign number, the five digit dealer code of the dealer performing the campaign service, and the date the vehicle was campaigned. This information may be inserted with a typewriter or ballpoint pen. Install the label only on a clean, dry surface of the radiator baffle where it is readily visible. (Additional campaign labels are available on stationery order as Form 7901-709).

CLAIM INFORMATION

A separate repair order must be used for each vehicle. A completed warranty claim is to be kept as a permanent record of completion.

DEALERS SHOULD SUBMIT WARRANTY CLAIMS FOR CREDIT IN THEIR NORMAL MANNER WHEN THEY PERFORM THE SERVICE AS FOLLOWS:

*Other Failure Labor Labor Labor Operation Code Operation Hours Hours --------- ---- --------- ----- ------ Remove Heat Shield 96 V5910 0.7 0.1

* In addition dealerships will receive 0.1 hours credit for dealer adminis- trative services associated with this campaign. The 0.1 hours allowance is to be entered in the "Other Labor Hours" field with each campaign repair listed for credit. This entry will not require authorization.

FAILURE CODE 96 MUST BE USED WITH THE LABOR OPERATION.

Dealers will be credited via Warranty Document or Terminal Transmission, whichever is their normal method of submission for payment. Claim must contain all information required and should list the labor operation as outlined.

RECORDING COMPLETION

Repairs submitted for vehicles not involved in the campaign will not be paid.

Campaign completion will be recorded from "PROPERLY COMPLETED AND PAID WARRANTY CLAIMS." Owners are being asked to present the owner reply card for identification to their dealer at the time they bring in their vehicle to have the campaign performed.

Dear Pontiac Owner:

This notice is sent to you in accordance with the requirements of the National Traffic and Motor Vehicle Safety Act.

REASON FOR THE RECALL

General Motors has determined that a defect which relates to motor vehicle safety exists in some 1990 Pontiac Grand Prix SE Turbo models. During a rear end collision, the rear exhaust system heat shield may puncture the fuel tank. If there is an external source of ignition present, this condition could result in a fire.

WHAT WE WILL DO

To prevent the possibility of this condition occurring, the rear exhaust system heat shield will be removed from the pipe assembly. GM has determined that removal of this shield will not have a detrimental effect on vehicle component durability.

This service will be performed for you at no charge.

WHAT YOU SHOULD DO

Please contact your Pontiac dealer as soon as possible to arrange a service date. Instructions for making this correction have beer sent to your Pontiac Dealer. The labor time necessary to perform this service correction is approximately 3/4 hours. Please ask your dealer if you wish to know how much additional time will be needed to schedule and process your vehicle.

Your Pontiac dealer is best equipped to obtain parts and provide service to ensure your vehicle is corrected as promptly as possible. If, however, you take your vehicle to your dealer on the agreed service date, and he does not remedy this condition on that date, or within five days, we recommend you contact the Pontiac Customer Assistance Center by calling: 1-800-762-2737.

If after contacting your dealer and the Pontiac Customer Assistance Center, you are still not satisfied that we have done our best to remedy this condition, without charge within a reasonable time, you may wish to write the Administrator, National Highway Traffic Safety Administration, 400 Seventh Street, S. W., Washington, DC 20590 or call 1-800-424-9393 (Washington, DC residents use 366-0123).

The enclosed Owner Identification Reply Card identifies your vehicle. Presentation of this card to your dealer will assist in making the necessary correction in the shortest possible time. If you have sold or traded your vehicle, please let us know by completing the postage paid reply card and returning it to us.

We are sorry to cause you this inconvenience; however, we have taken this action in the interest of your continued satisfaction with our products.


Object Number: 76468  Size: FS


Object Number: 95223  Size: SH

General Motors bulletins are intended for use by professional technicians, not a "do-it-yourselfer". They are written to inform those technicians of conditions that may occur on some vehicles, or to provide information that could assist in the proper service of a vehicle. Properly trained technicians have the equipment, tools, safety instructions and know-how to do a job properly and safely. If a condition is described, do not assume that the bulletin applies to your vehicle, or that your vehicle will have that condition. See a General Motors dealer servicing your brand of General Motors vehicle for information on whether your vehicle may benefit from the information.