GM Service Manual Online
For 1990-2009 cars only

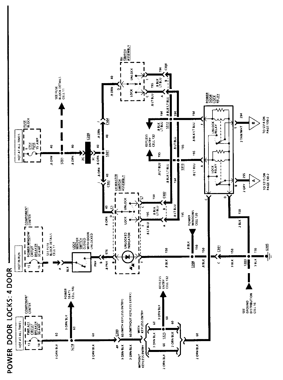
MANUAL UPDATE-SEC. 8A-130 POWER DOOR LOCKS SCHEMATIC

VEHICLES AFFECTED: 1990 OLDSMOBILE CUTLASS SUPREME

Schematic information given in Section 8A-130 of the Oldsmobile Cutlass Supreme Service Manual has been revised. Please make the following changes to your copies of the Oldsmobile Cutlass Supreme Service Manual.

Old New Page Page Model Year Car Remove Add ---------- --- ------ --- 1980 Cutlass Supreme 8A-130-0 8A-130-0 8A-130-1 8A-130-1


Object Number: 79058  Size: FS


Object Number: 80198  Size: FS

General Motors bulletins are intended for use by professional technicians, not a "do-it-yourselfer". They are written to inform those technicians of conditions that may occur on some vehicles, or to provide information that could assist in the proper service of a vehicle. Properly trained technicians have the equipment, tools, safety instructions and know-how to do a job properly and safely. If a condition is described, do not assume that the bulletin applies to your vehicle, or that your vehicle will have that condition. See a General Motors dealer servicing your brand of General Motors vehicle for information on whether your vehicle may benefit from the information.