GM Service Manual Online
For 1990-2009 cars only

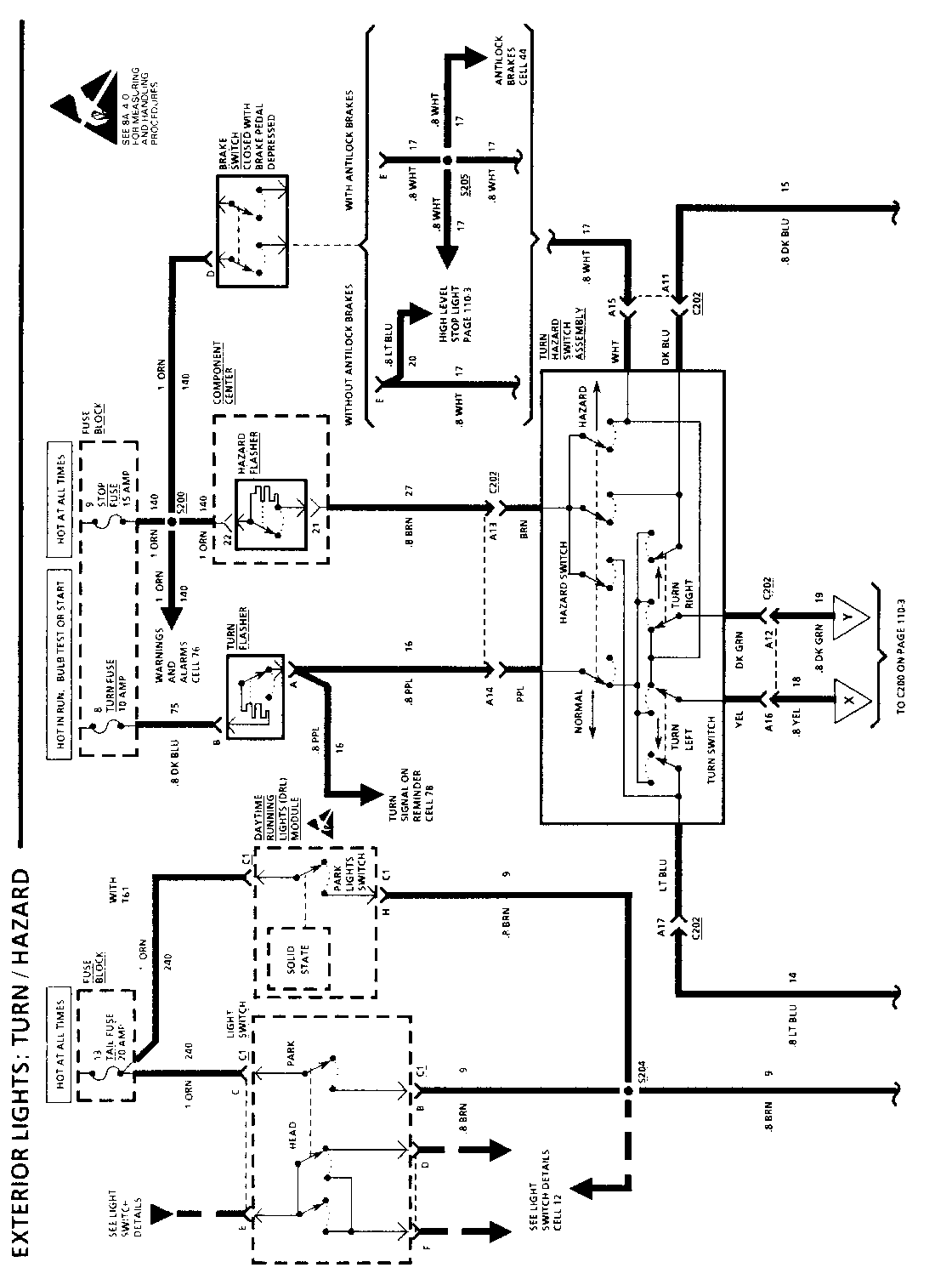
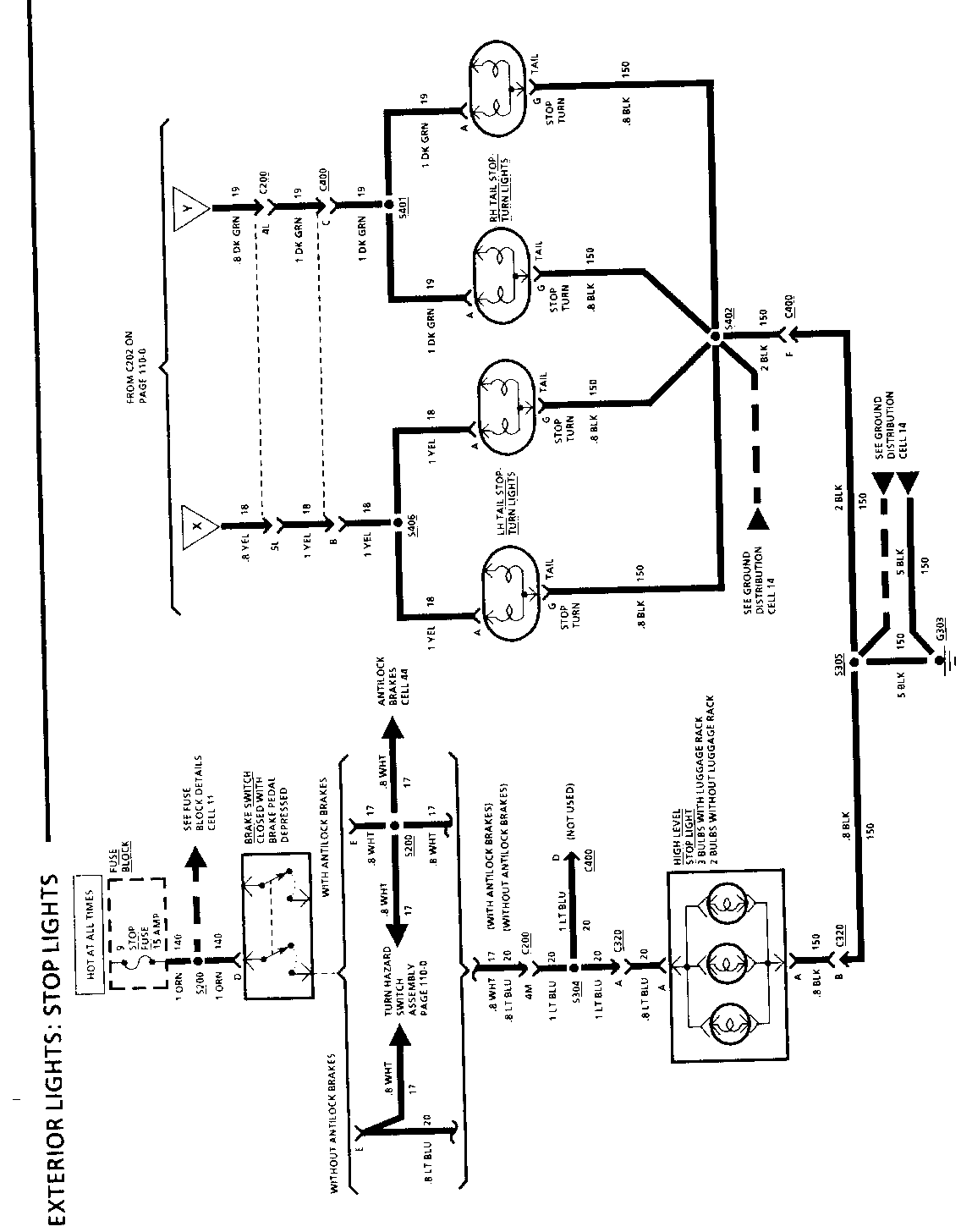
MANUAL UPDATE-SEC. 8A-110 EXTERIOR LIGHTS SCHEMATICS

VEHICLES AFFECTED: 1989-90 OLDSMOBILE CUTLASS SUPREME

Schematic information given in Section 8A-110 of the Oldsmobile Cutlass Service Manuals has been revised. Please make the following changes to your copies of the Oldsmobile Cutlass Supreme Service Manuals.

Old Page New Page Model Years Car Remove Add ----------- --- ------- --- 1989-90 Cutlass Supreme 8A-110-0 8A-110-0 8A-110-3 8A-110-3


Object Number: 80199  Size: FS


Object Number: 79059  Size: FS

General Motors bulletins are intended for use by professional technicians, not a "do-it-yourselfer". They are written to inform those technicians of conditions that may occur on some vehicles, or to provide information that could assist in the proper service of a vehicle. Properly trained technicians have the equipment, tools, safety instructions and know-how to do a job properly and safely. If a condition is described, do not assume that the bulletin applies to your vehicle, or that your vehicle will have that condition. See a General Motors dealer servicing your brand of General Motors vehicle for information on whether your vehicle may benefit from the information.