GM Service Manual Online
For 1990-2009 cars only

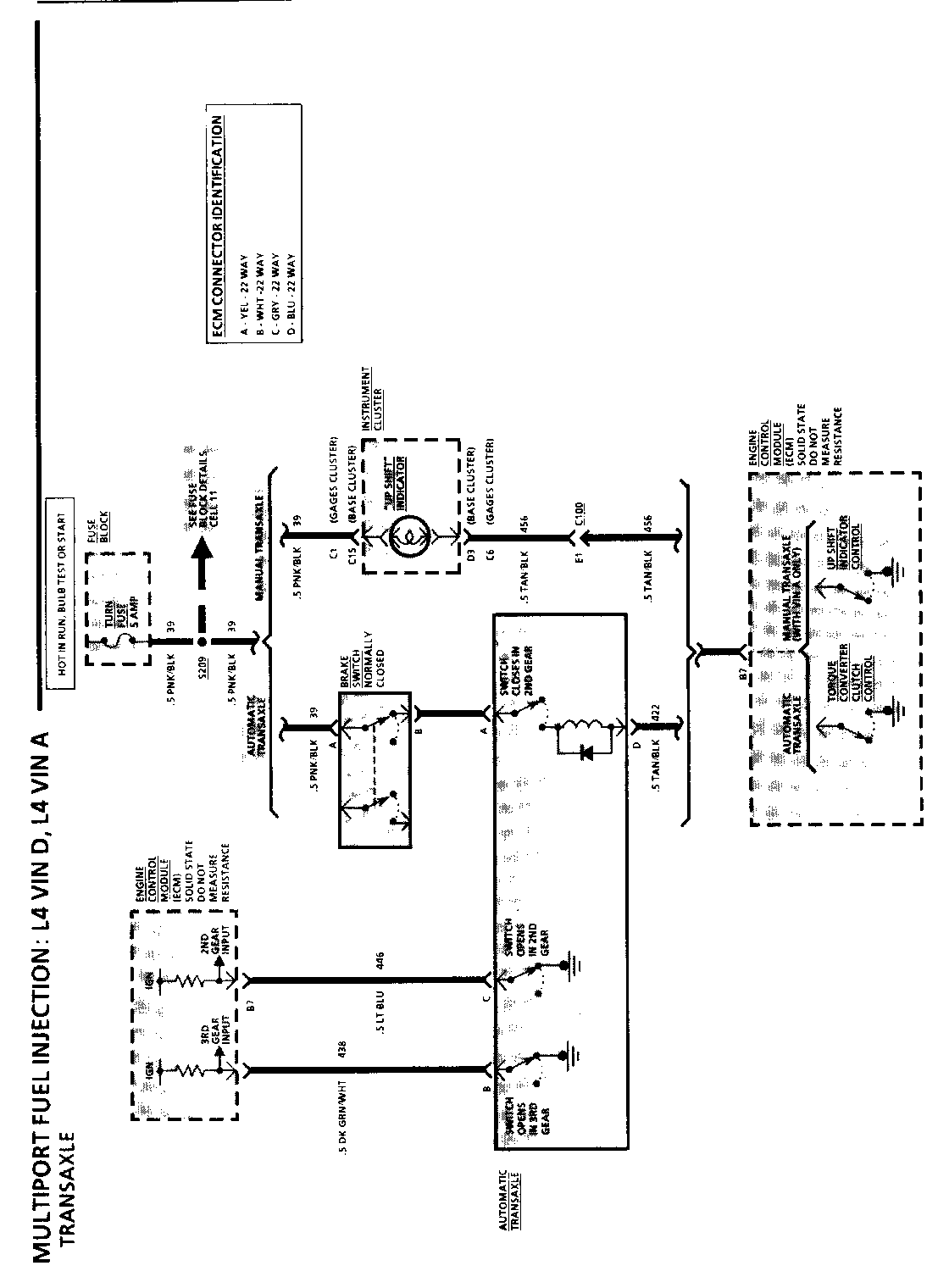
MANUAL UPDATE- SEC. 8A-21 TRANSAXLE SWITCH POSITIONS

VEHICLES AFFECTED: 1990 PONT, OLDS "W" AND 1990 OLDS "A"

The automatic transaxle status switches in section 8A-21 were drawn and labeled incorrectly. Please insert the following page into your copy of the following Service Manuals.

1990 Oldsmobile Cutlass Supreme and 1990 Pontiac Grand Prix

Old Page New Page Model Year Remove Add ----------- ------ --- 1990 8A-21-5 8A-21-5

1990 Oldsmobile Cutlass Ciera/Cutlass Cruiser

Model Year Remove Add ---------- ------ --- 1990 8A-21-3 8A-21-3-A 8A-21-3-B


Object Number: 80196  Size: FS


Object Number: 80195  Size: FS


Object Number: 76855  Size: FS


Object Number: 81473  Size: FS

General Motors bulletins are intended for use by professional technicians, not a "do-it-yourselfer". They are written to inform those technicians of conditions that may occur on some vehicles, or to provide information that could assist in the proper service of a vehicle. Properly trained technicians have the equipment, tools, safety instructions and know-how to do a job properly and safely. If a condition is described, do not assume that the bulletin applies to your vehicle, or that your vehicle will have that condition. See a General Motors dealer servicing your brand of General Motors vehicle for information on whether your vehicle may benefit from the information.