GM Service Manual Online
For 1990-2009 cars only

SMU-SEC. 6E3 - MALFUNCTION INDICATOR LAMP (MIL)

SUBJECT: SERVICE MANUAL UPDATE - SECTION 6E3 - MALFUNCTION INDICATOR LAMP (MIL) OPERATION AT KEY ON (ENGINE) OFF

MODELS: 1993 CHEVROLET LUMINA 1993 PONTIAC GRAND PRIX 1993 OLDSMOBILE CUTLASS SUPREME 1993 BUICK REGAL (WITH 3.1L (LH0) ENGINE WITH NB2 (CALIFORNIA EMISSIONS) AND M13 (4T60E) TRANSAXLE)

THIS BULLETIN CONTAINS REVISIONS TO SECTION 6E3.

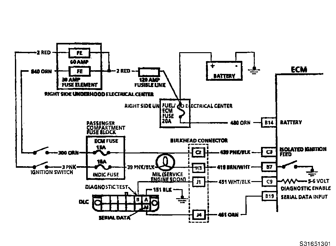
NEW SOFTWARE HAS BEEN RELEASED FOR THE ABOVE ENGINE WHICH REVISES THE MALFUNCTION INDICATOR LAMP (MIL) OPERATION. THE MIL WILL NOW FLASH ONCE AND REMAIN "ON" WHEN KEY IS "ON", AND THE ENGINE IS NOT RUNNING. WHEN THE ENGINE IS RUNNING, THE MIL SHOULD BE "OFF". SUPPLEMENT ST 379-93 HAS BEEN PUBLISHED FOR THE ABOVE CARLINE, WHICH CONTAINS THE CORRECT INFORMATION. THESE REVISED PAGES WILL REPLACE THOSE IN THE ORIGINAL SERVICE MANUAL.

REFER TO BULLETIN #376510 TO BE ASSURED THAT THE VEHICLE HAS BEEN UPDATED TO THE REVISED SOFTWARE.

FIGURES: 1


Object Number: 83706  Size: FS

GENERAL MOTORS BULLETINS ARE INTENDED FOR USE BY PROFESSIONAL TECHNICIANS, NOT A "DO-IT-YOURSELFER". THEY ARE WRITTEN TO INFORM THOSE TECHNICIANS OF CONDITIONS THAT MAY OCCUR ON SOME VEHICLES, OR TO PROVIDE INFORMATION THAT COULD ASSIST IN THE PROPER SERVICE OF A VEHICLE. PROPERLY TRAINED TECHNICIANS HAVE THE EQUIPMENT, TOOLS, SAFETY INSTRUCTIONS AND KNOW-HOW TO DO A JOB PROPERLY AND SAFELY. IF A CONDITION IS DESCRIBED, DO NOT ASSUME THAT THE BULLETIN APPLIES TO YOUR VEHICLE, OR THAT YOUR VEHICLE WILL HAVE THAT CONDITION. SEE A GENERAL MOTORS DEALER SERVICING YOUR BRAND OF GENERAL MOTORS VEHICLE FOR INFORMATION ON WHETHER YOUR VEHICLE MAY BENEFIT FROM THE INFORMATION.

COPYRIGHT 1993 GENERAL MOTORS CORPORATION. ALL RIGHTS RESERVED.