GM Service Manual Online
For 1990-2009 cars only

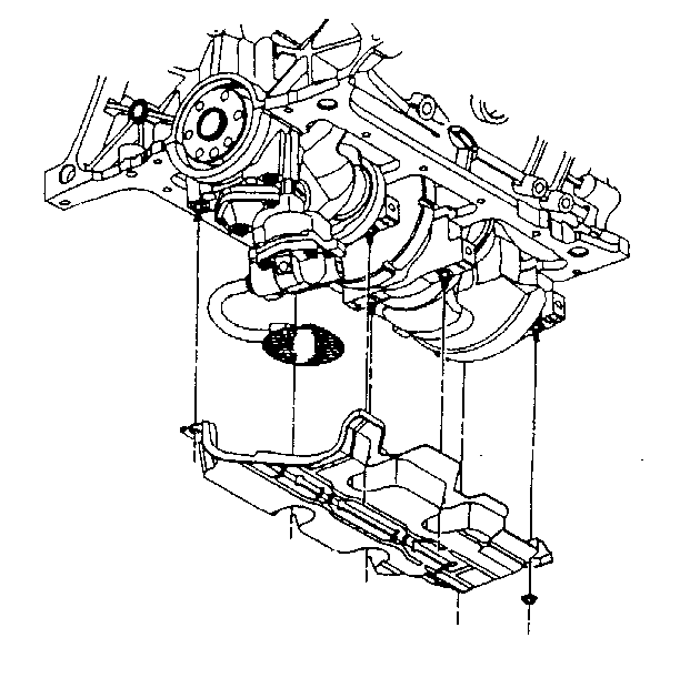
Removal Procedure

  1. Remove the oil pan. Refer to Oil Pan Replacement .

  2. Object Number: 57932  Size: SH
  3. Remove the crankshaft oil deflector nuts.
  4. Remove the crankshaft oil deflector.

Installation Procedure


    Object Number: 57932  Size: SH

    Important: Apply a small amount of sealer, GM P/N 1234579 or equivalent, on either side of the rear main bearing cap where the seal surface on the cap meets the cylinder block.

  1. Install the oil deflector.
  2. Install the oil deflector nuts.
  3. Tighten
    Tighten the oil deflector nuts to 25 N·m (18 lb ft).

    Notice: Use the correct fastener in the correct location. Replacement fasteners must be the correct part number for that application. Fasteners requiring replacement or fasteners requiring the use of thread locking compound or sealant are identified in the service procedure. Do not use paints, lubricants, or corrosion inhibitors on fasteners or fastener joint surfaces unless specified. These coatings affect fastener torque and joint clamping force and may damage the fastener. Use the correct tightening sequence and specifications when installing fasteners in order to avoid damage to parts and systems.

  4. Install the oil pan. Refer to Oil Pan Replacement .