GM Service Manual Online
For 1990-2009 cars only
Makes
🢒
Pontiac
🢒
1996
🢒
Grand Prix
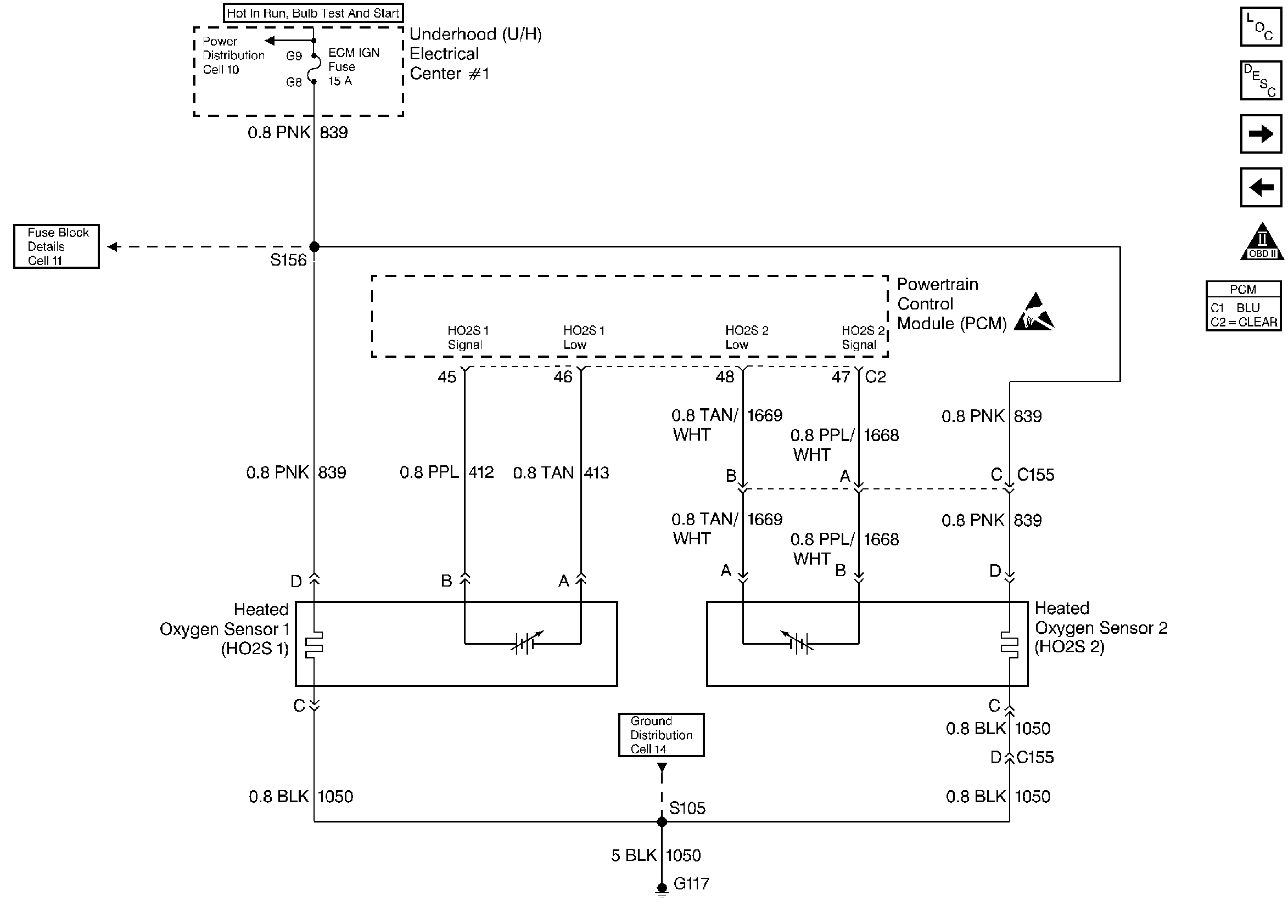
🢒 HO2S Sensors
HO2S Sensors
HO2S Sensors
Engine Controls Components
Information Sensors
IAC Valve, Trans Range
MAF Sensor, EVAP System EGR Valve
OBD II Symbol Description Notice
Handling ESD Sensitive Parts Notice