GM Service Manual Online
For 1990-2009 cars only
Makes
🢒
Pontiac
🢒
1996
🢒
Grand Prix
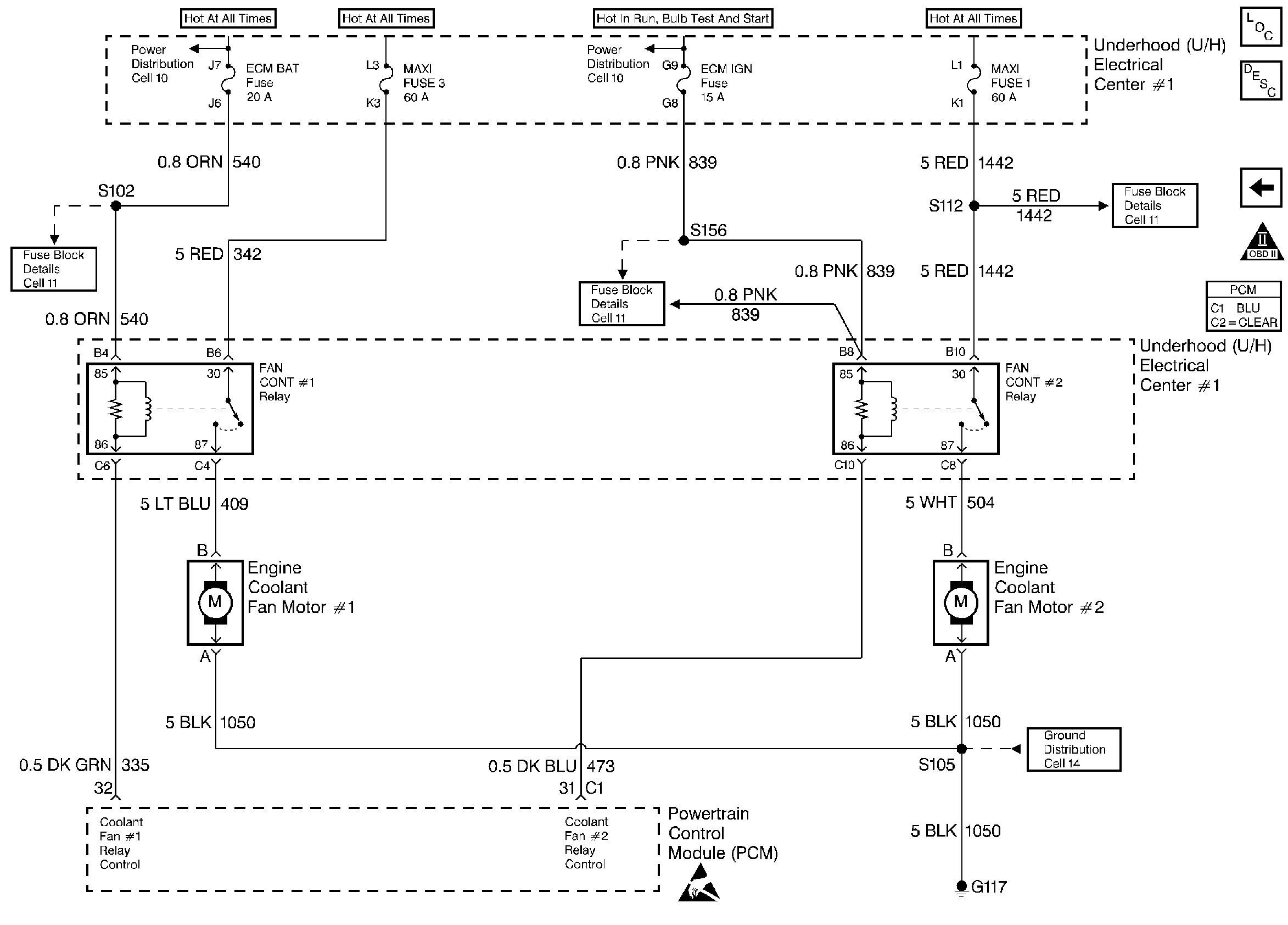
🢒 Cooling Fans
Cooling Fans
Cooling Fans
Engine Controls Components
Electric Cooling Fan Diagnosis
A/C Control
OBD II Symbol Description Notice
Handling ESD Sensitive Parts Notice