GM Service Manual Online
For 1990-2009 cars only
Makes
🢒
Pontiac
🢒
1996
🢒
Grand Prix
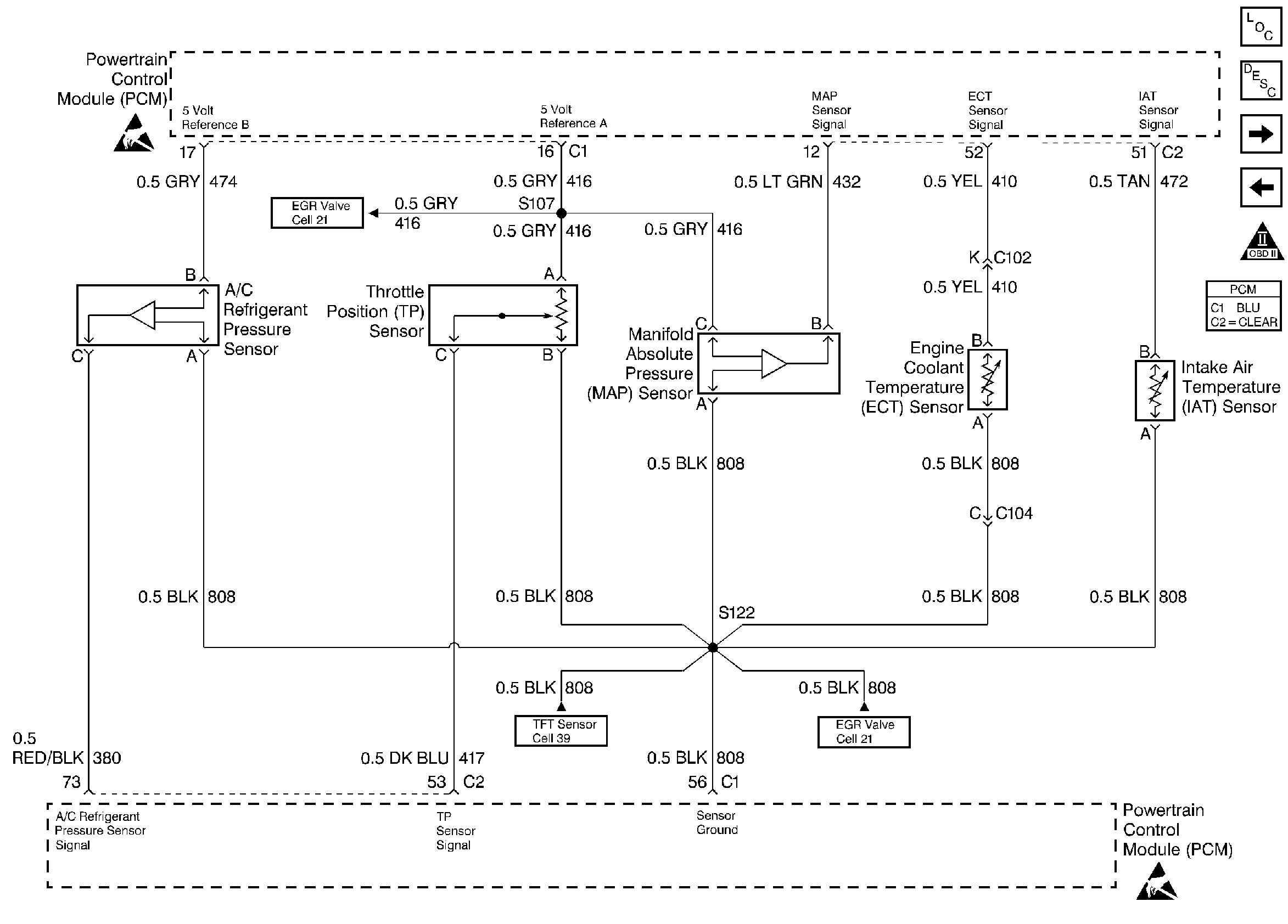
🢒 A/C Pressure, TP, MAP, ECT, IAT Sensor
A/C Pressure, TP, MAP, ECT, IAT Sensor
A/C Pressure, TP, MAP, ECT, IAT Sensor
Engine Controls Components
Information Sensors
EVAP, MAF, EGR Sensors
Fuel Pump Control
OBD II Symbol Description Notice
Handling ESD Sensitive Parts Notice
Handling ESD Sensitive Parts Notice