GM Service Manual Online
For 1990-2009 cars only
Makes
🢒
Pontiac
🢒
1996
🢒
Grand Prix
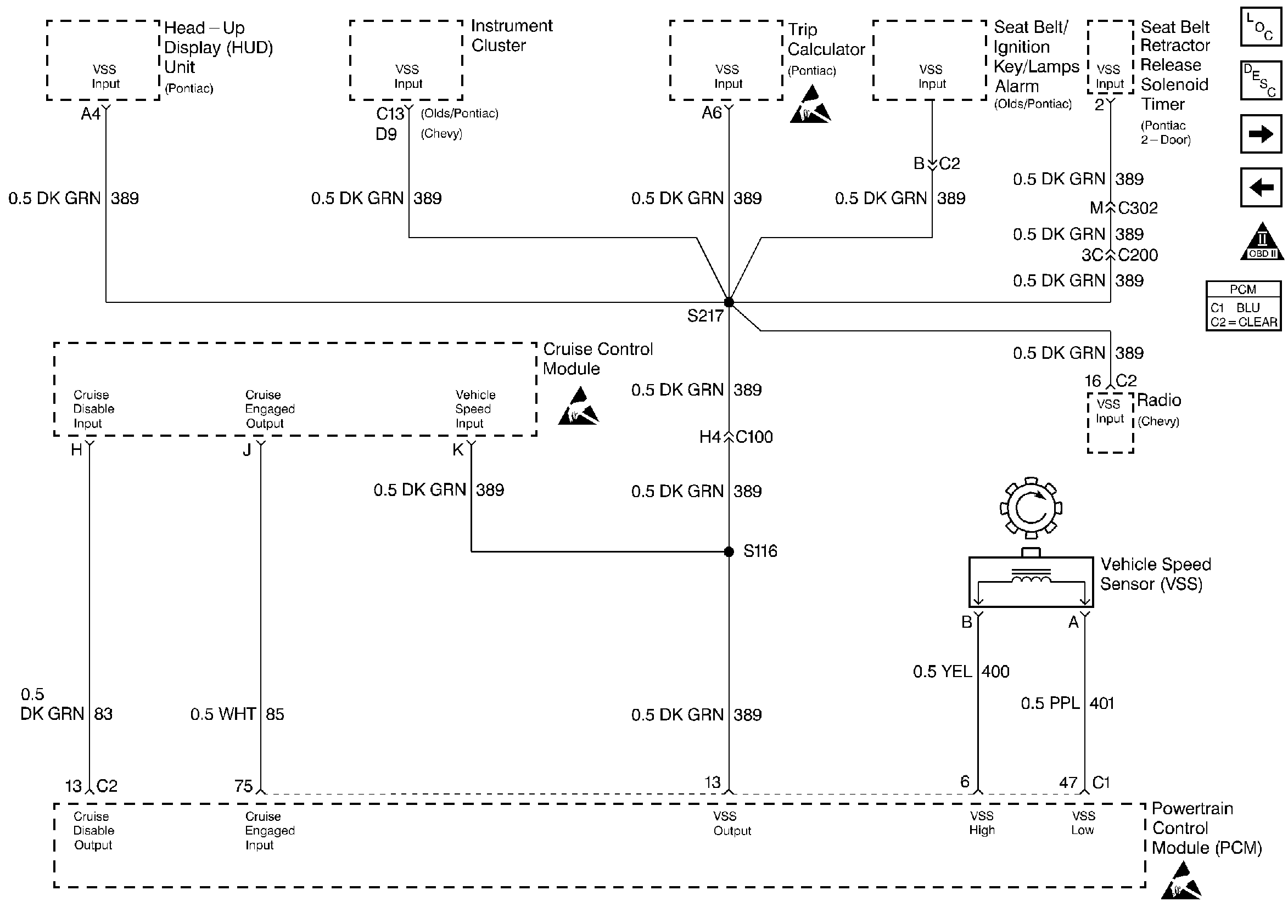
🢒 Cruise Control, VSS
Cruise Control, VSS
Cruise Control, VSS
Engine Controls Components
Information Sensors
TCC, Brake Switch
IAC Valve, Trans Range Oil Level
OBD II Symbol Description Notice
Handling ESD Sensitive Parts Notice
Handling ESD Sensitive Parts Notice