GM Service Manual Online
For 1990-2009 cars only
Makes
🢒
Pontiac
🢒
1996
🢒
Grand Prix
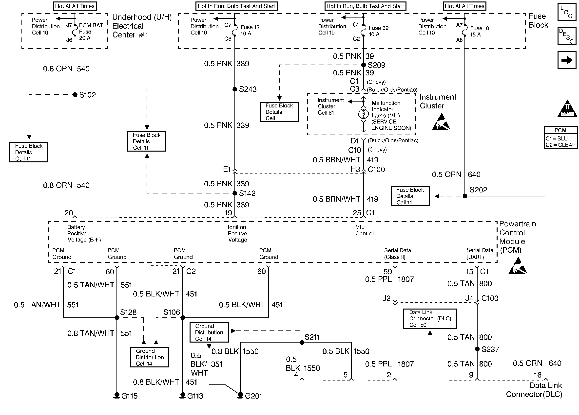
🢒 MIL, Instrument Panel, and the DLC
MIL, Instrument Panel, and the DLC
MIL, Instrument Panel, and the DLC
Engine Controls Components
Powertrain Control Module (PCM)
Ignition Control and the Knock Sensor System
OBD II Symbol Description Notice
Handling ESD Sensitive Parts Notice
Handling ESD Sensitive Parts Notice