GM Service Manual Online
For 1990-2009 cars only
Makes
🢒
Pontiac
🢒
1996
🢒
Grand Prix
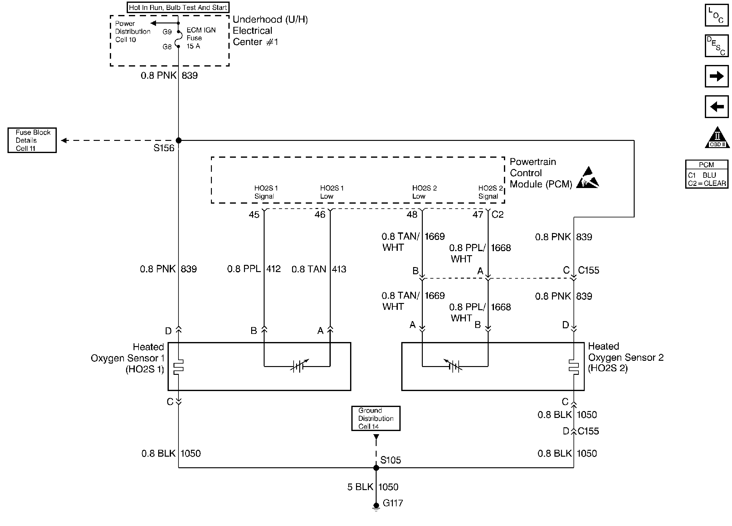
🢒 Heated Oxygen Sensors
Heated Oxygen Sensors
Heated Oxygen Sensors
Engine Controls Components
Information Sensors
IAC and Transmission Range Switch Systems
MAF, EVAP and EGR Systems
OBD II Symbol Description Notice
Handling ESD Sensitive Parts Notice